GM Service Manual Online
For 1990-2009 cars only
Makes
🢒
Cadillac
🢒
2007
🢒
SRX
🢒 Fuel Control - EVAP Controls
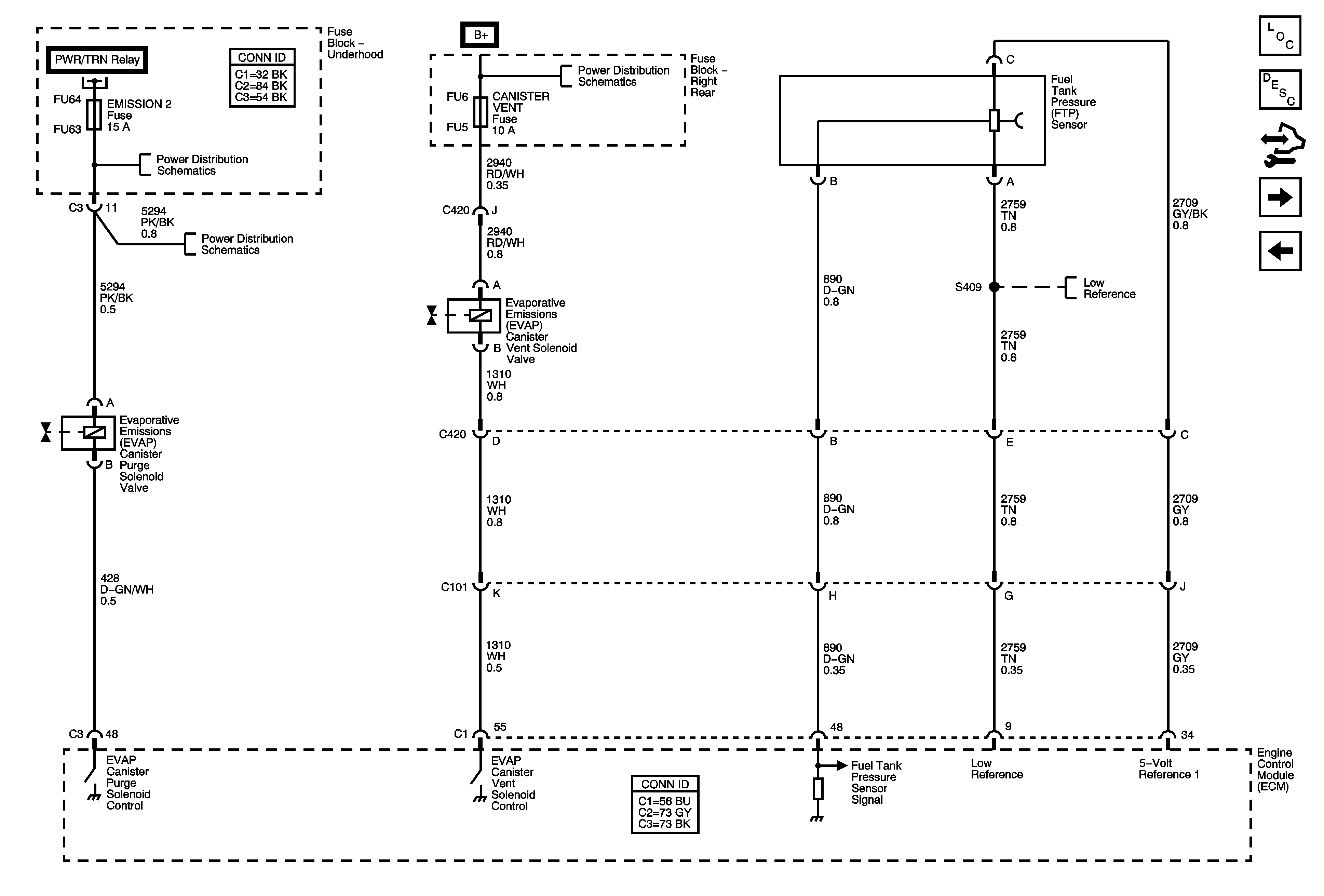
Fuel Control - EVAP Controls
Fuel Controls - EVAP Controls
Master Electrical Component List
Evaporative Emission Control System Description
Control Module References
Controlled/Monitored Subsystem References
Fuel Controls - Fuel Pump and Injectors
Power, Ground, Serial Data and MIL
Right Rear Fuse Block B+ Bus
ECM 1 Fuse, EMISSION 1 Fuse, EMISSION 2 Fuse, and PWR/TRN Relay (LH2)
ECM 1 Fuse, EMISSION 1 Fuse, EMISSION 2 Fuse, and PWR/TRN Relay (LH2)
Data Sensors - 5 Volt and Low Reference