GM Service Manual Online
For 1990-2009 cars only
Makes
🢒
Cadillac
🢒
2007
🢒
SRX
🢒 Horns Schematics
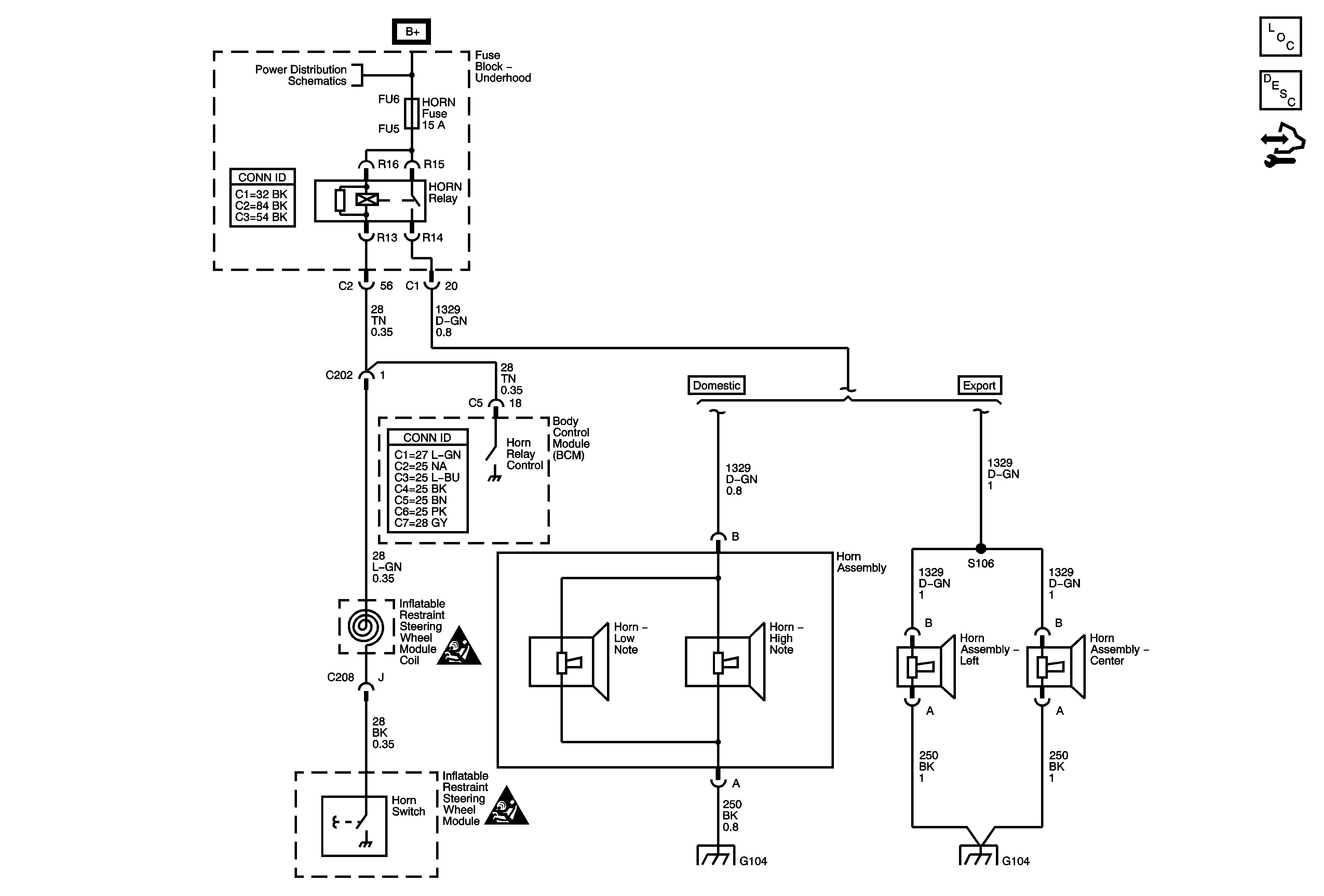
Horns Schematics
Master Electrical Component List
Horns System Description and Operation
Control Module References
Underhood Fuse Block B+ Bus - 1 of 2
Horn Schematic Icons
Horn Schematic Icons
G104 (2 of 2)
G104 (2 of 2)