GM Service Manual Online
For 1990-2009 cars only
Makes
🢒
Cadillac
🢒
2007
🢒
SRX
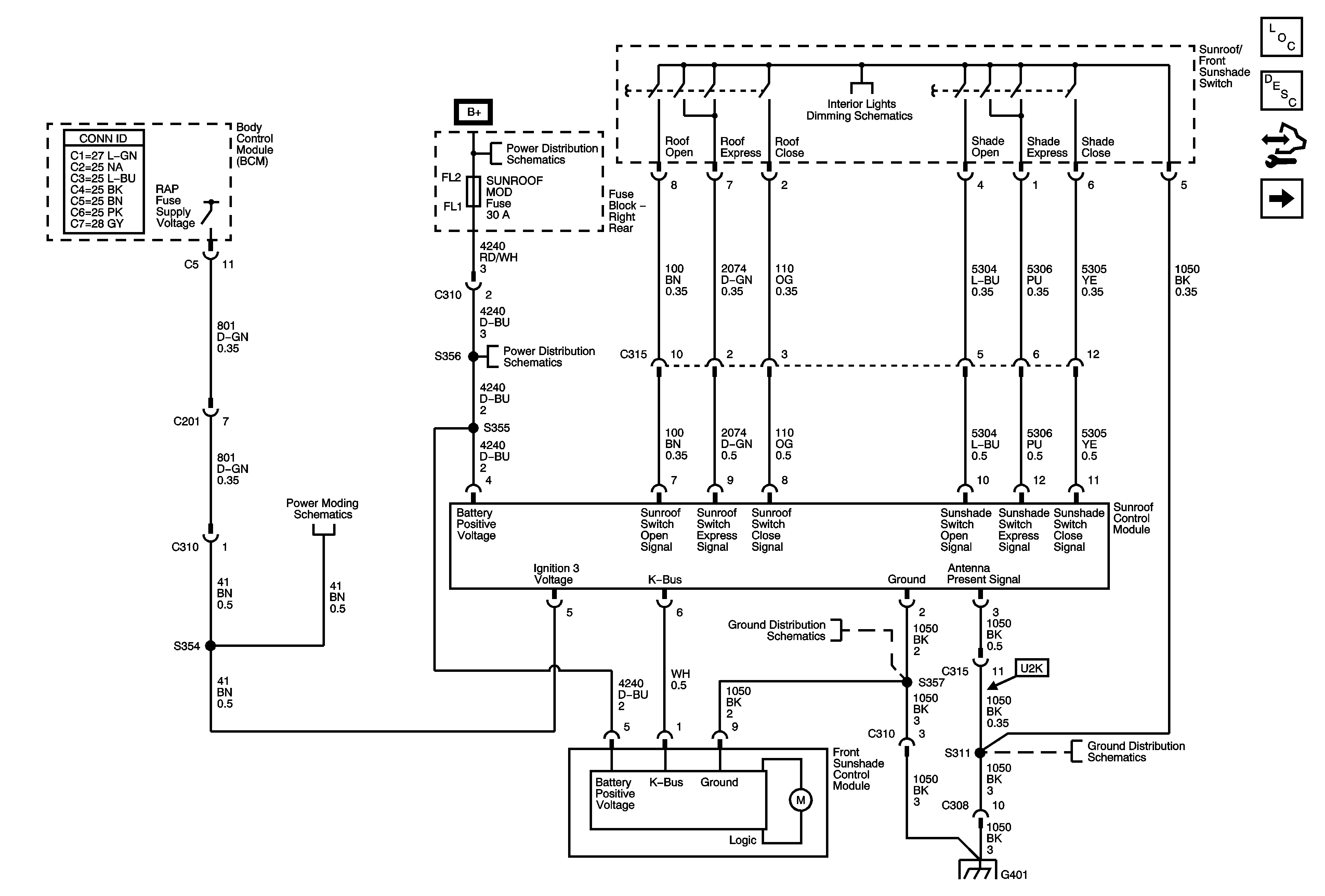
🢒 Sunroof and Front Sunshade - Domestic
Sunroof and Front Sunshade - Domestic
Sunroof and Front Sunshade -- Domestic
Master Electrical Component List
Sunroof Description and Operation
Control Module References
Rear Sunshade - Domestic
Right Rear Fuse Block B+ Bus
Dimming Lamps (3 of 3)
PWR SEATS Circuit Breaker, SUNROOF MOD Fuse, THEFT VGDO/RFA Fuse
Power Modes - ACCY and RAP
G401 (1 of 3)
G401 (2 of 3)
G401 (1 of 3)