GM Service Manual Online
For 1990-2009 cars only

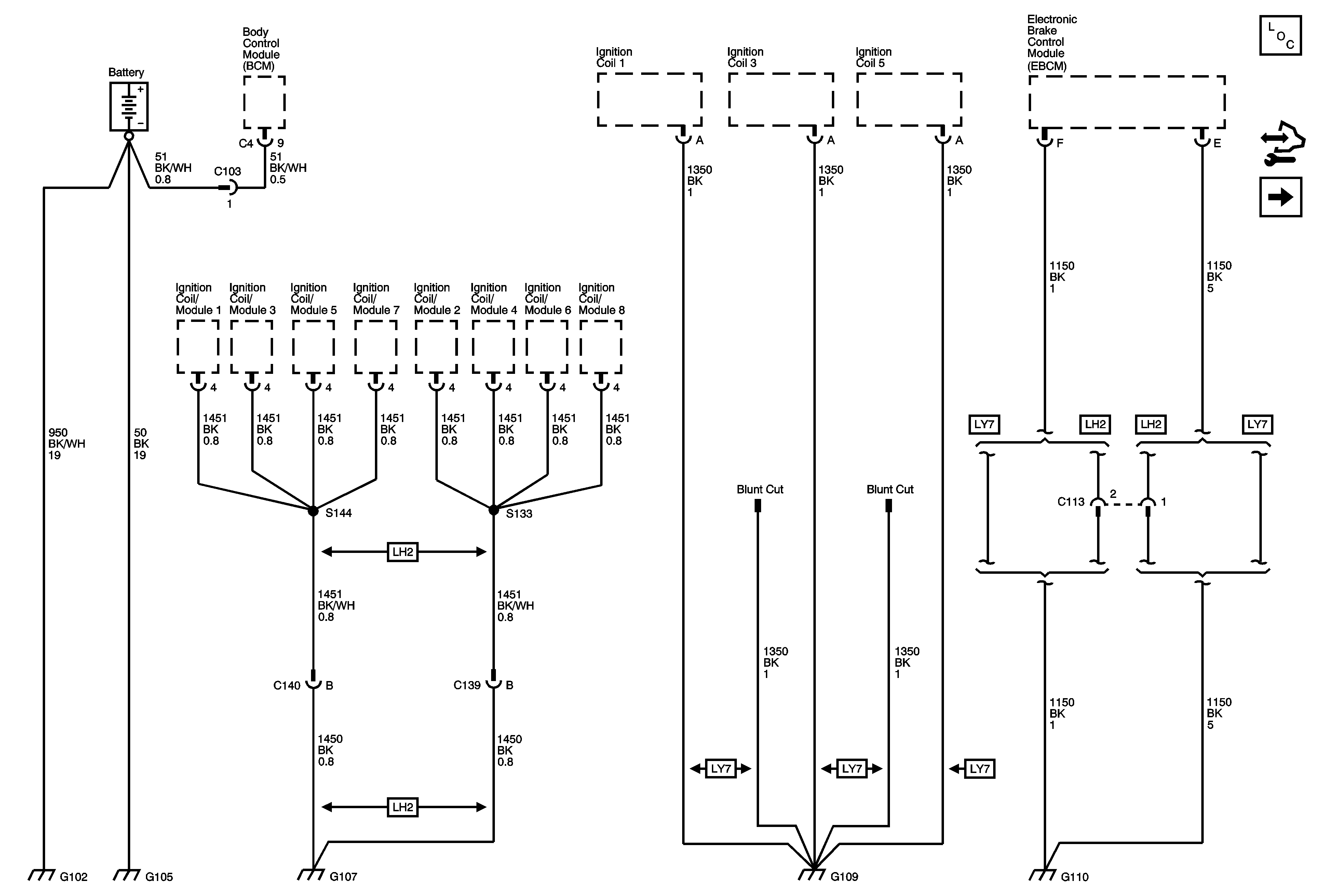
G102, G105, G107, G108, G109, G110

G102, G105, G107, G108, G109 and G110


Object Number: 1749950  Size: FS
Master Electrical Component List
Control Module References
G106, G111, G306