GM Service Manual Online
For 1990-2009 cars only
Makes
🢒
Cadillac
🢒
2007
🢒
SRX
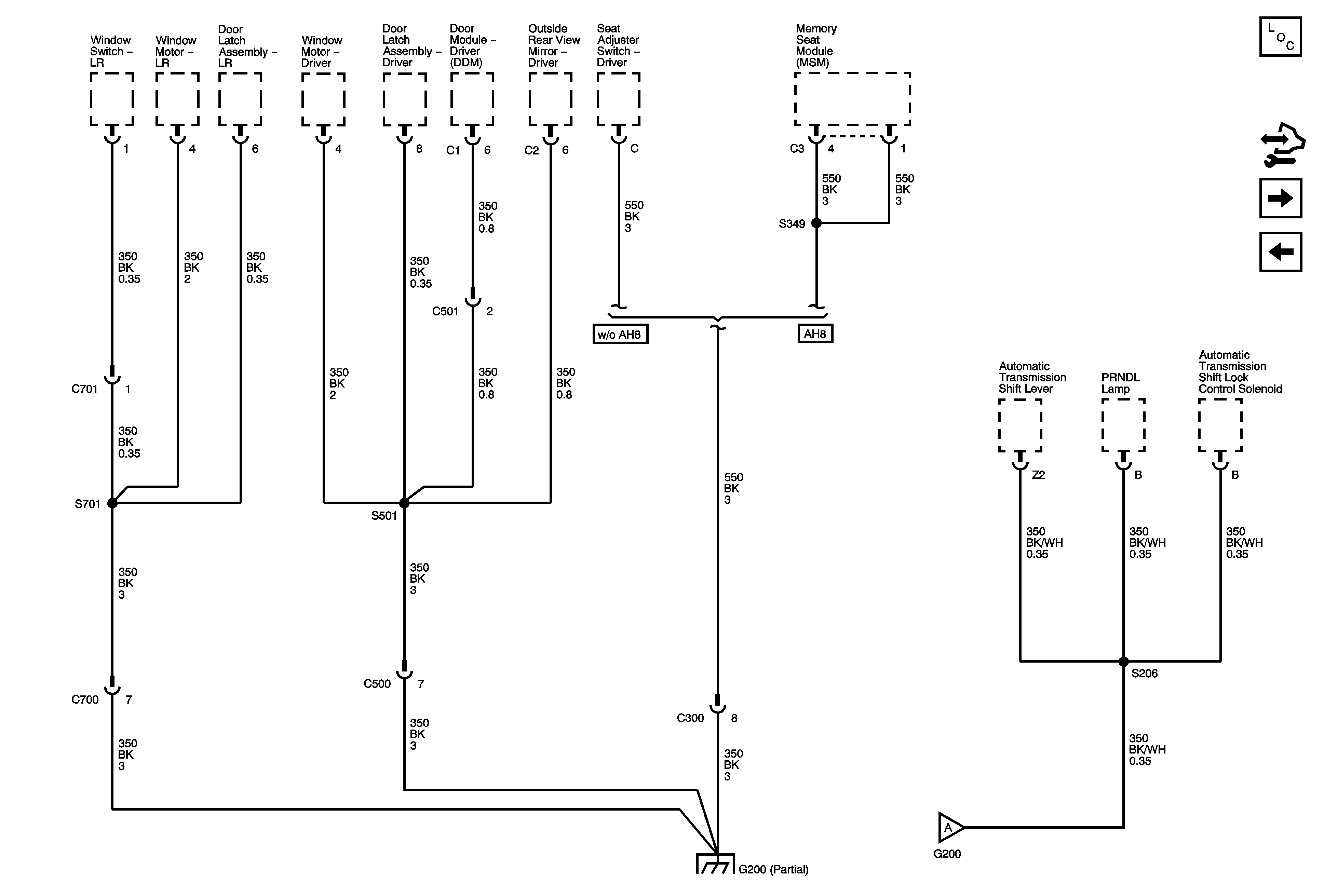
🢒 G200 (2 of 2) LHD
G200 (2 of 2) LHD
G200 (2 of 2) LHD
Master Electrical Component List
Control Module References
G200 1 OF 2 (RHD)
G200 (1 of 2) LHD