GM Service Manual Online
For 1990-2009 cars only

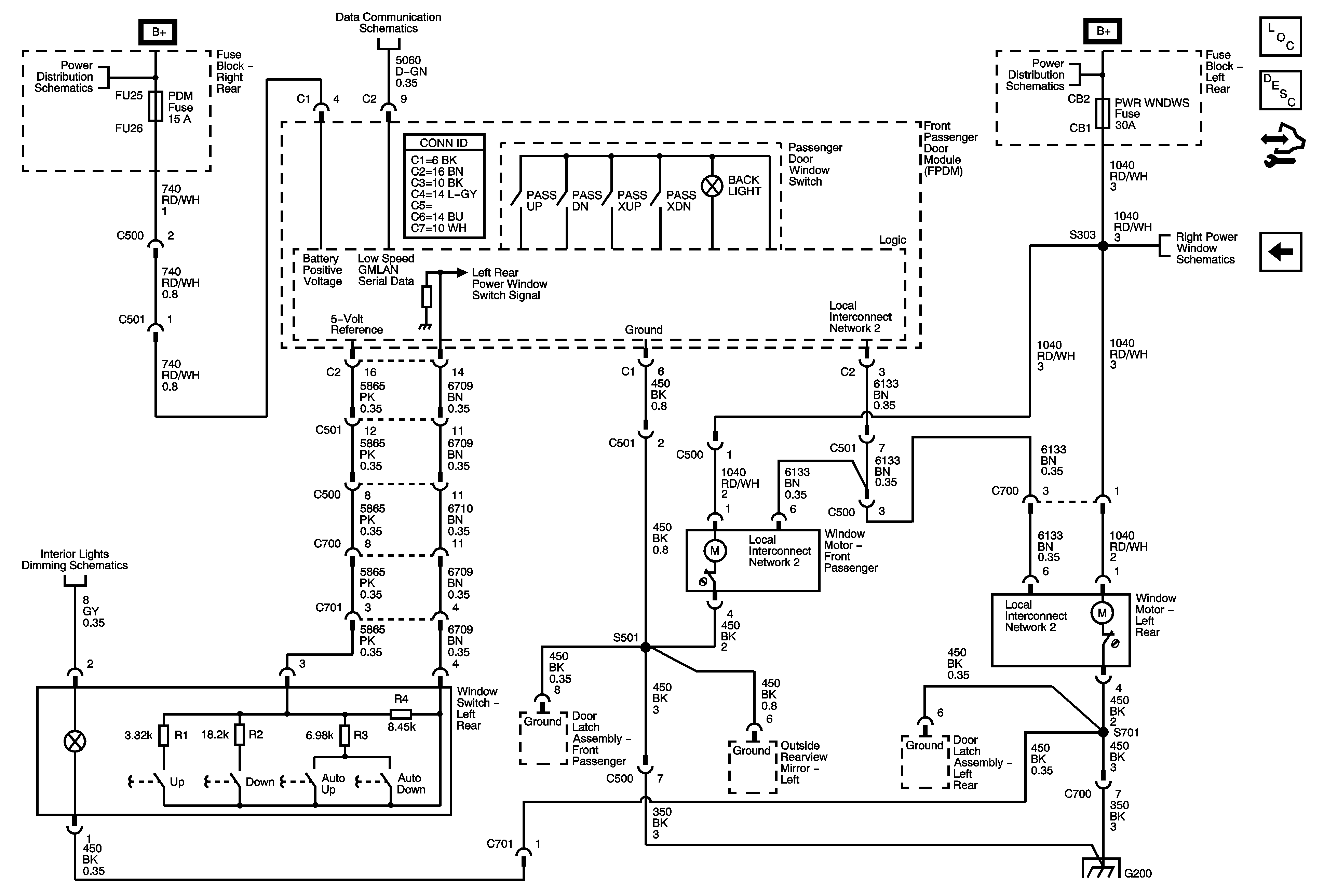
Left Front and Rear Power Windows (RHD)

Left Front and Rear Power Windows (RHD)


Object Number: 1857999  Size: FS
Master Electrical Component List
Power Windows Description and Operation
Control Module References
Left Front and Rear Power Windows (LHD)
Right Rear Fuse Block B+ Bus
Low Speed GMLAN Serial Data 2 of 2
Left Rear Fuse Block B+ Bus
Right Front and Rear Power Windows (RHD)
Dimming Lamps (2 of 3)
G200 1 OF 2 (RHD)