| Figure 1: |
Module Power, Ground, Serial Data
|
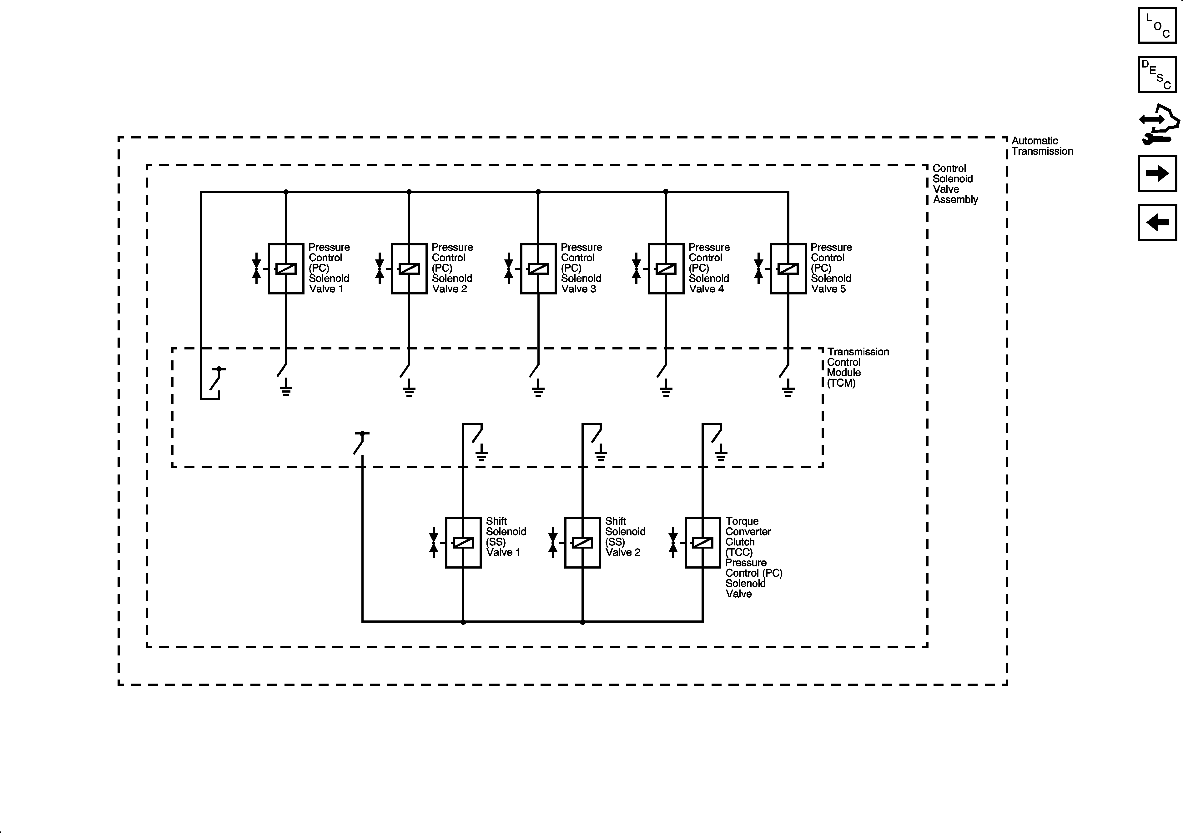
| Figure 2: |
Pressure Controls - 1 of 2 and Shift Controls
|
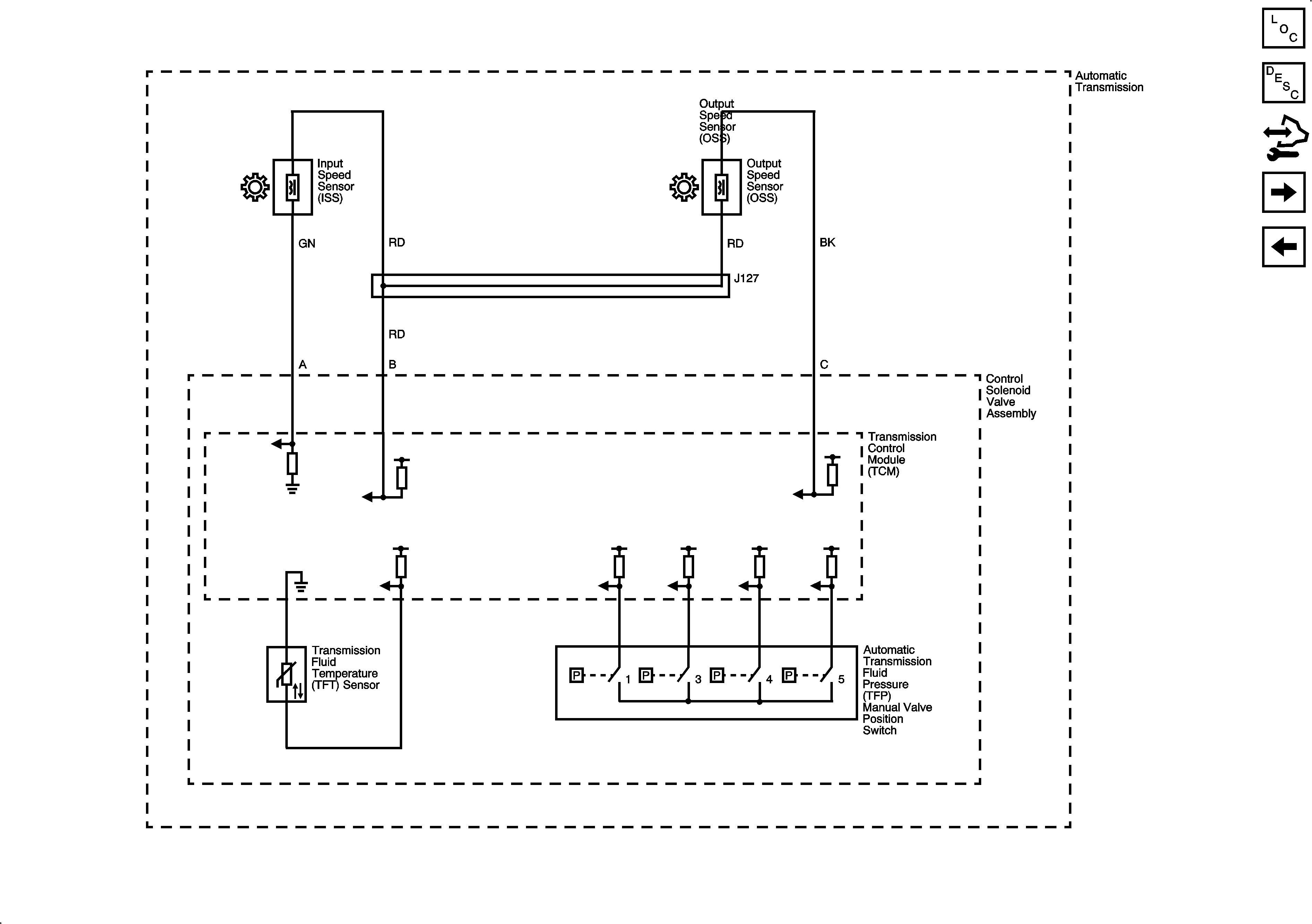
| Figure 3: |
Pressure Controls - 2 of 2 and Speed Sensors
|
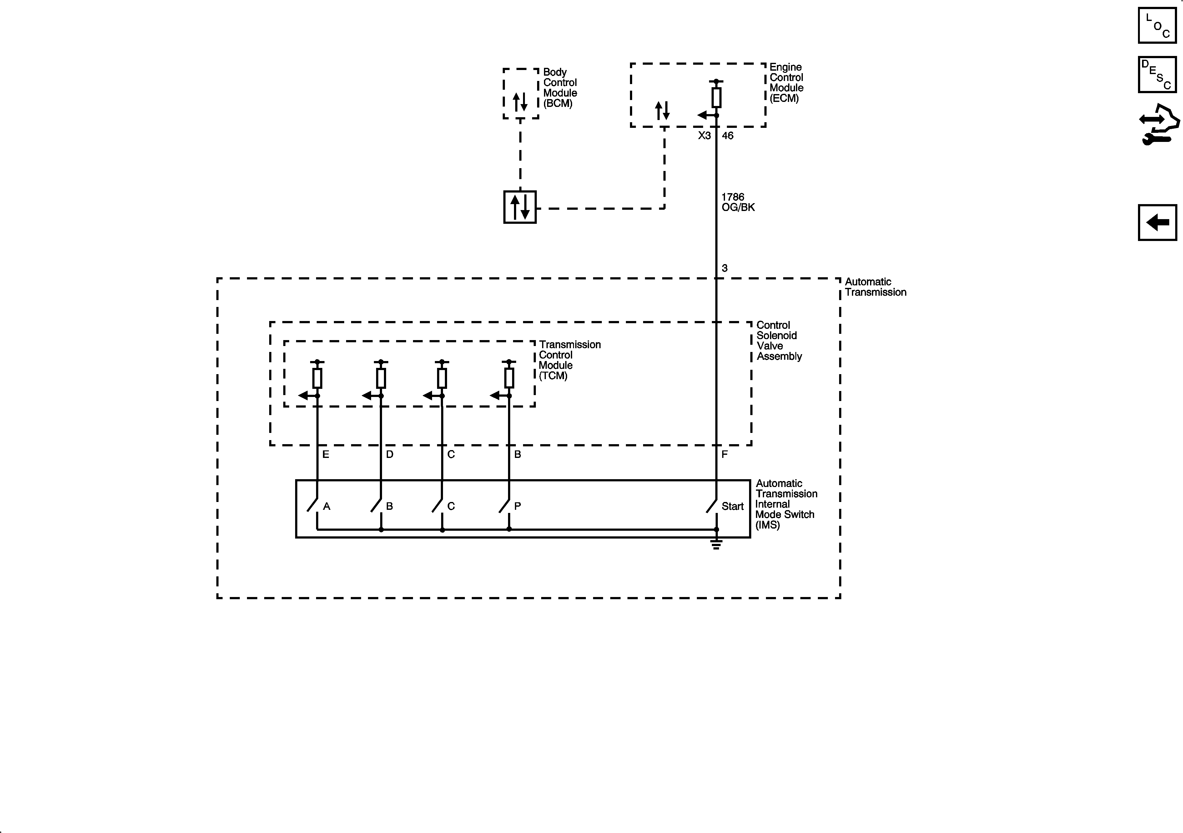
| Figure 4: |
Tow/Haul Switch and Tap Shift System
|
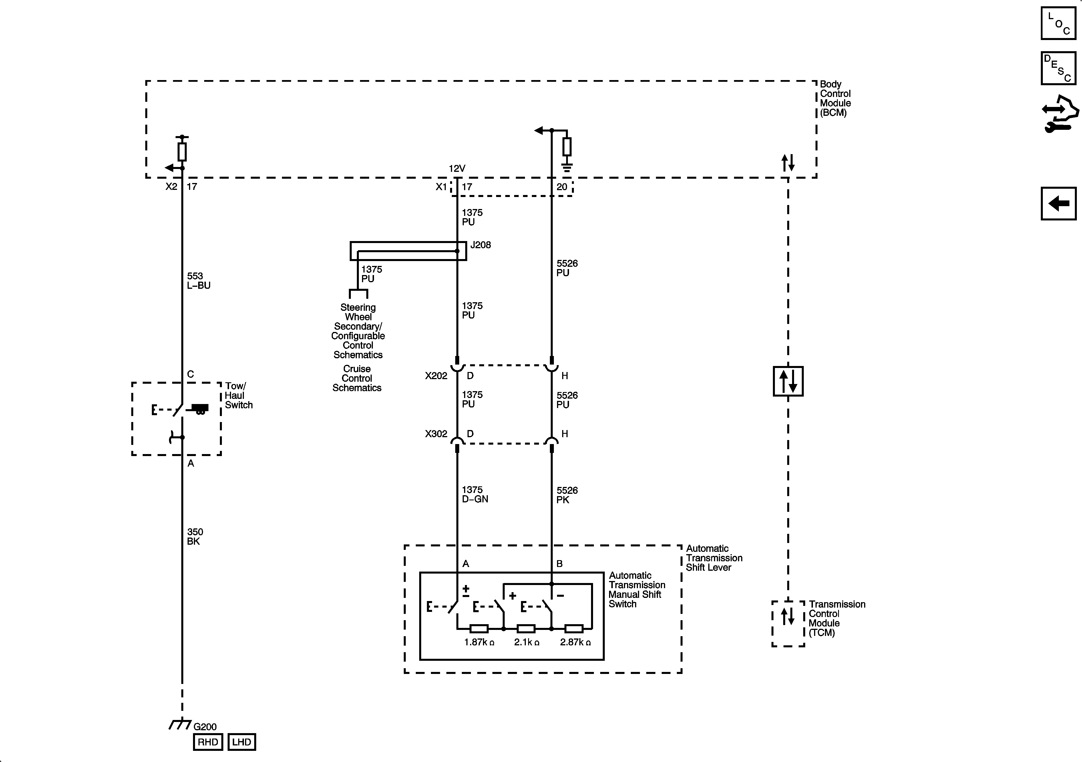
| Figure 5: |
Transmission Range Signals
|