GM Service Manual Online
For 1990-2009 cars only
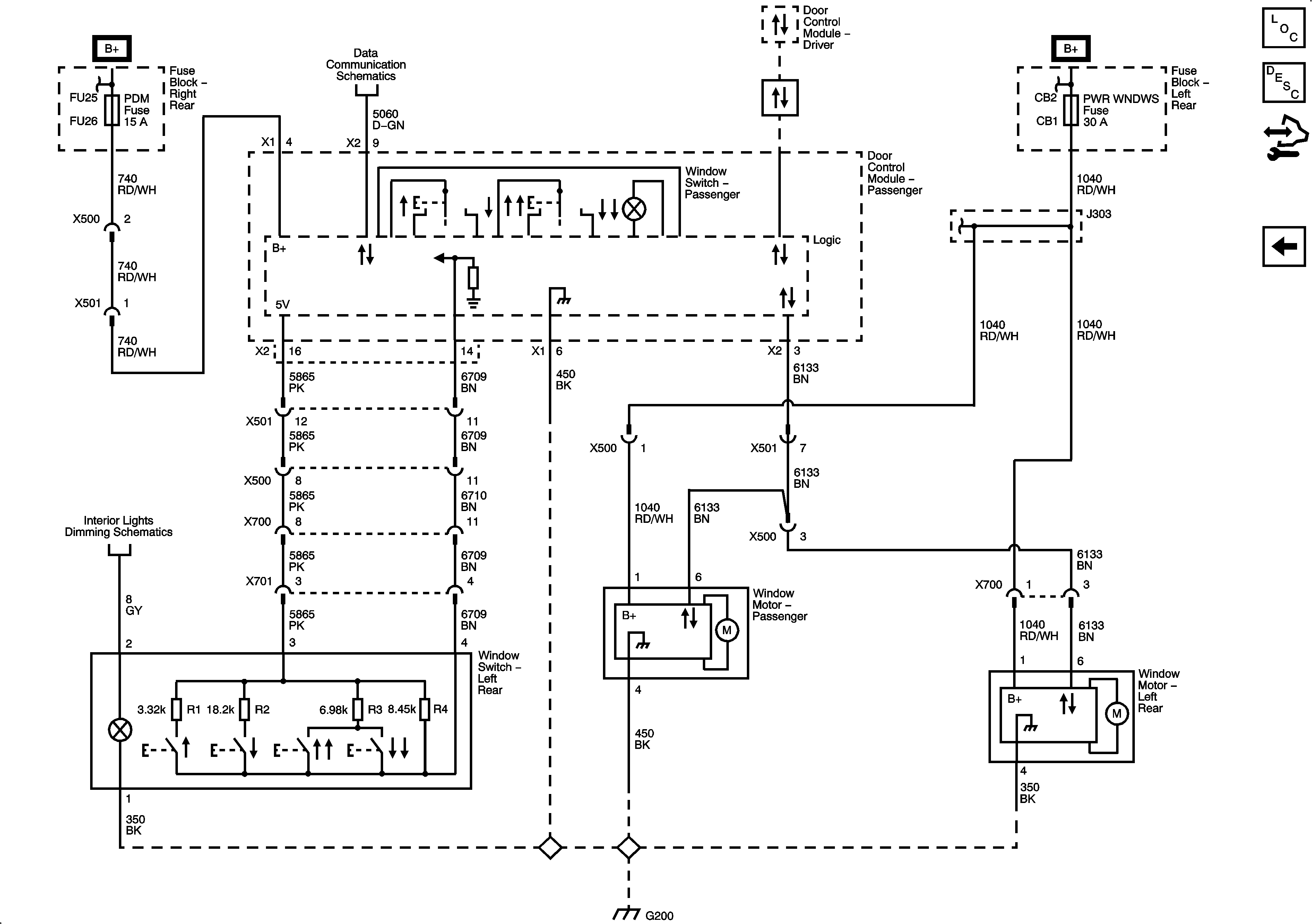
Figure 1:

Right Front and Rear Power Windows LHD


Object Number: 1873129  Size: FS
Master Electrical Component List
Power Windows Description and Operation
Control Module References
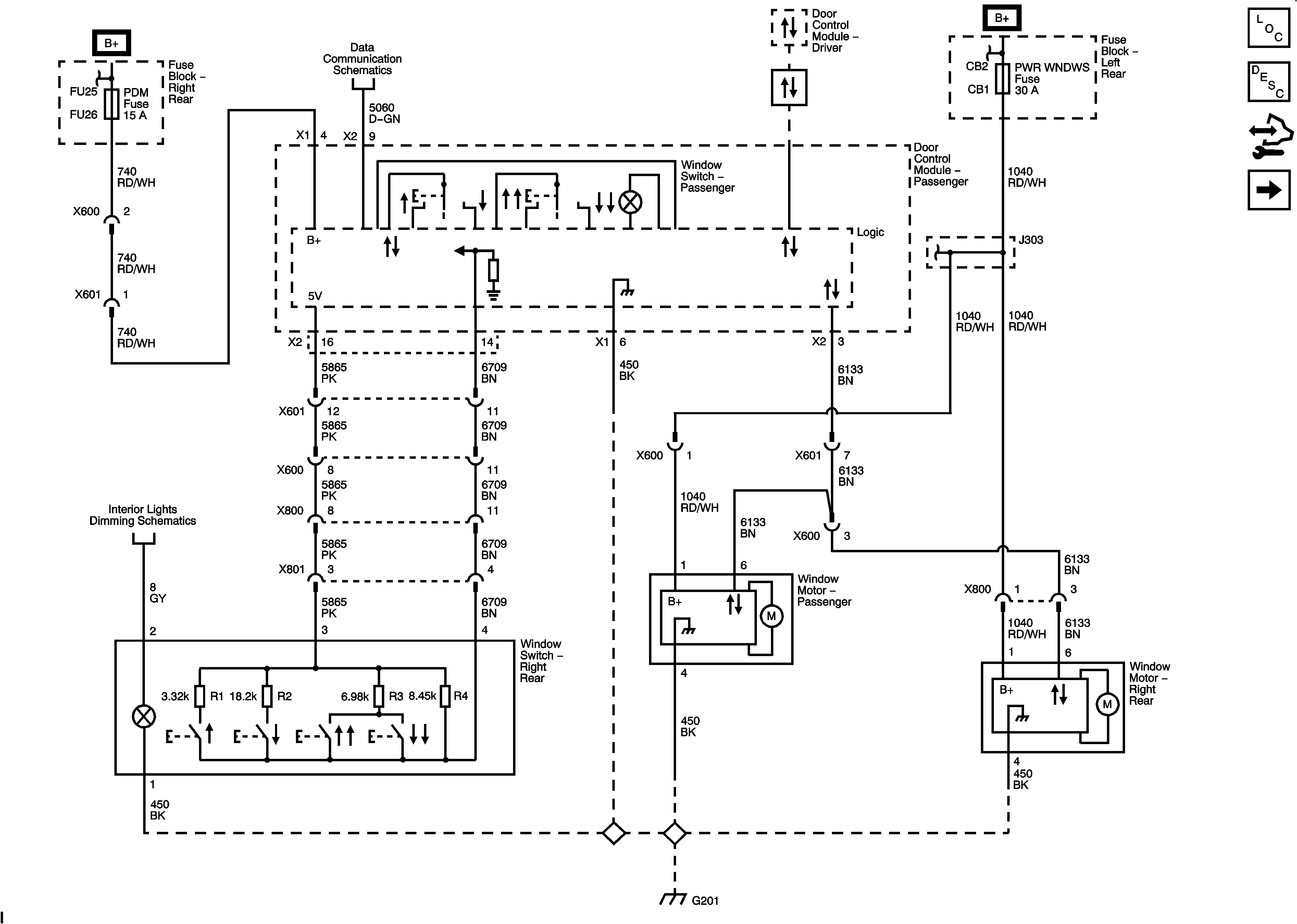
Right Front and Rear Power Windows RHD
Figure 2:

Right Front and Rear Power Windows RHD


Object Number: 1873131  Size: FS
Master Electrical Component List
Power Windows Description and Operation
Control Module References
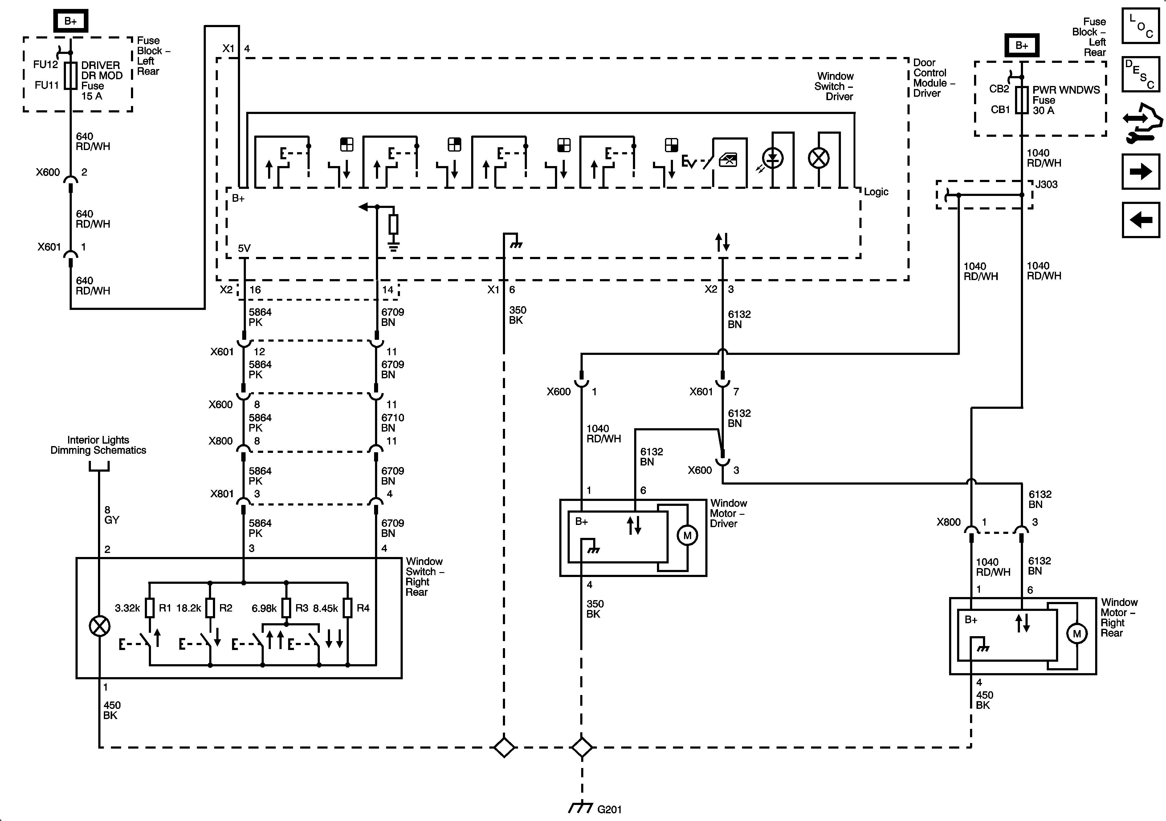
Left Front and Rear Power Windows LHD
Right Front and Rear Power Windows LHD
Figure 3:

Left Front and Rear Power Windows LHD


Object Number: 1873133  Size: FS
Master Electrical Component List
Power Windows Description and Operation
Control Module References
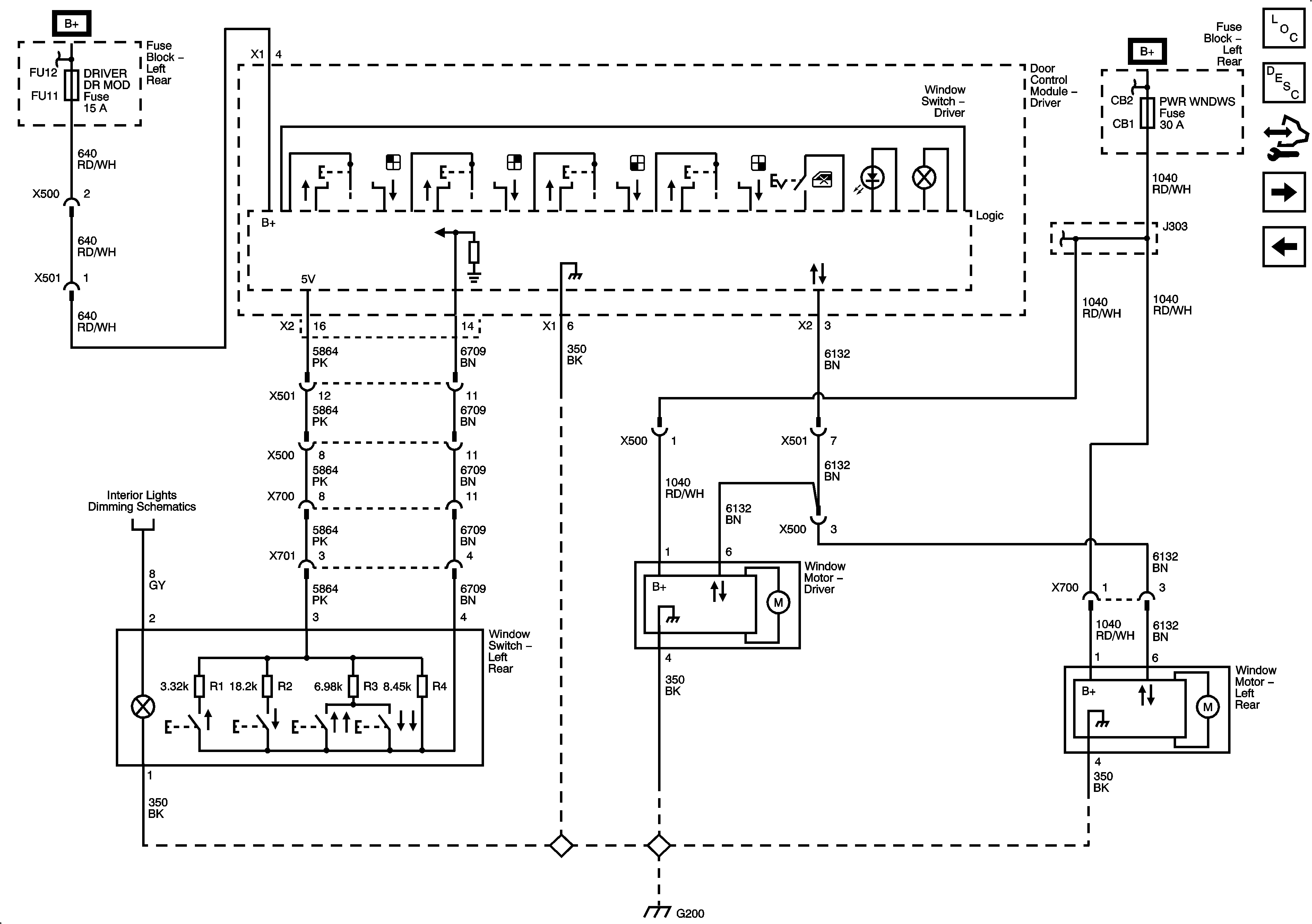
Left Front and Rear Power Windows RHD
Right Front and Rear Power Windows RHD
Figure 4:

Left Front and Rear Power Windows RHD


Object Number: 1873137  Size: FS
Master Electrical Component List
Power Windows Description and Operation
Control Module References
Left Front and Rear Power Windows LHD