GM Service Manual Online
For 1990-2009 cars only
Figure 1:

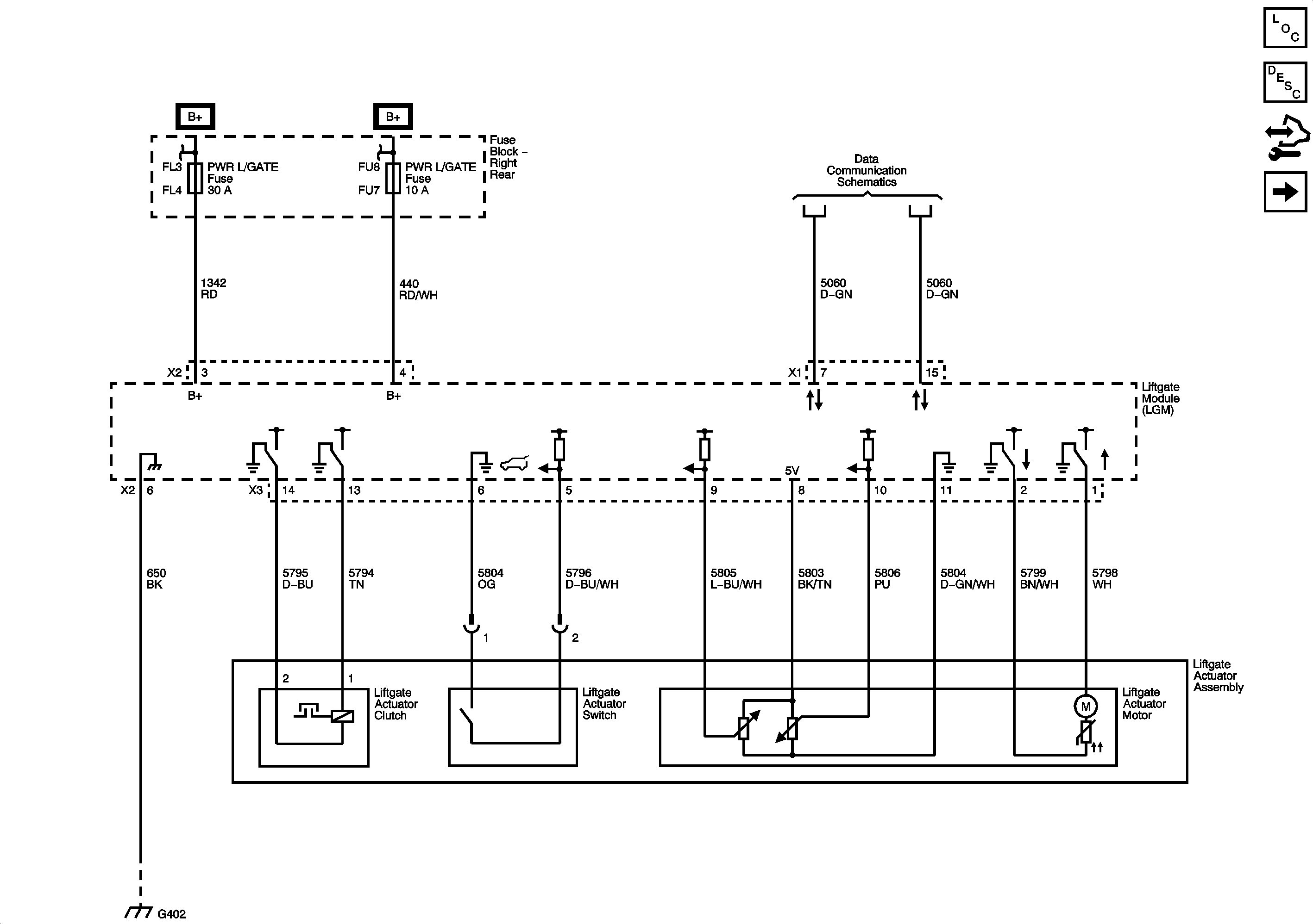
Module Power, Ground, Data Communication, and Liftgate Motor


Object Number: 1874192  Size: FS
Master Electrical Component List
Liftgate Description and Operation
Control Module References
Latch, Object Sensors, and Switches
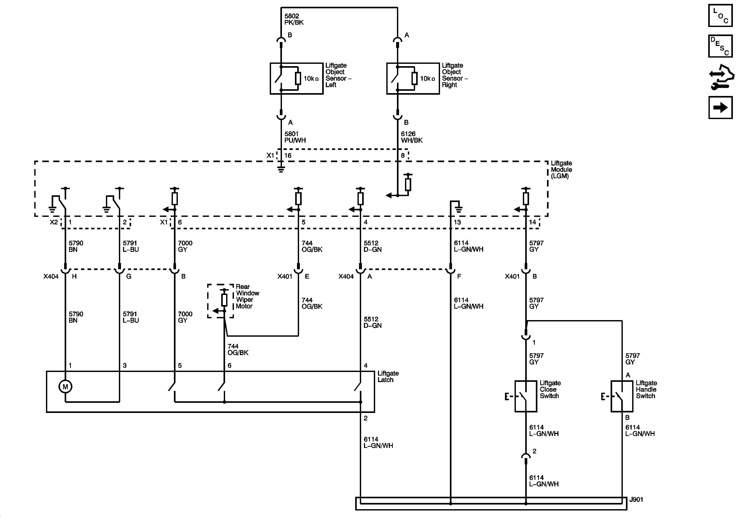
Figure 2:

Latch, Object Sensors, and Switches


Object Number: 1874196  Size: FS
Master Electrical Component List
Liftgate Description and Operation
Control Module References
Module Power, Ground, Data Communication, and Liftgate Motor