GM Service Manual Online
For 1990-2009 cars only
Makes
🢒
Cadillac
🢒
2008
🢒
SRX
🢒
Diagnostic Navigation
🢒
Vehicle Diagnostic Information
🢒 Electronic Suspension Control Schematics
Figure
1:
Power, Ground, Serial Data, and Controls
Master Electrical Component List
Electronic Suspension Control Description and Operation
Control Module References
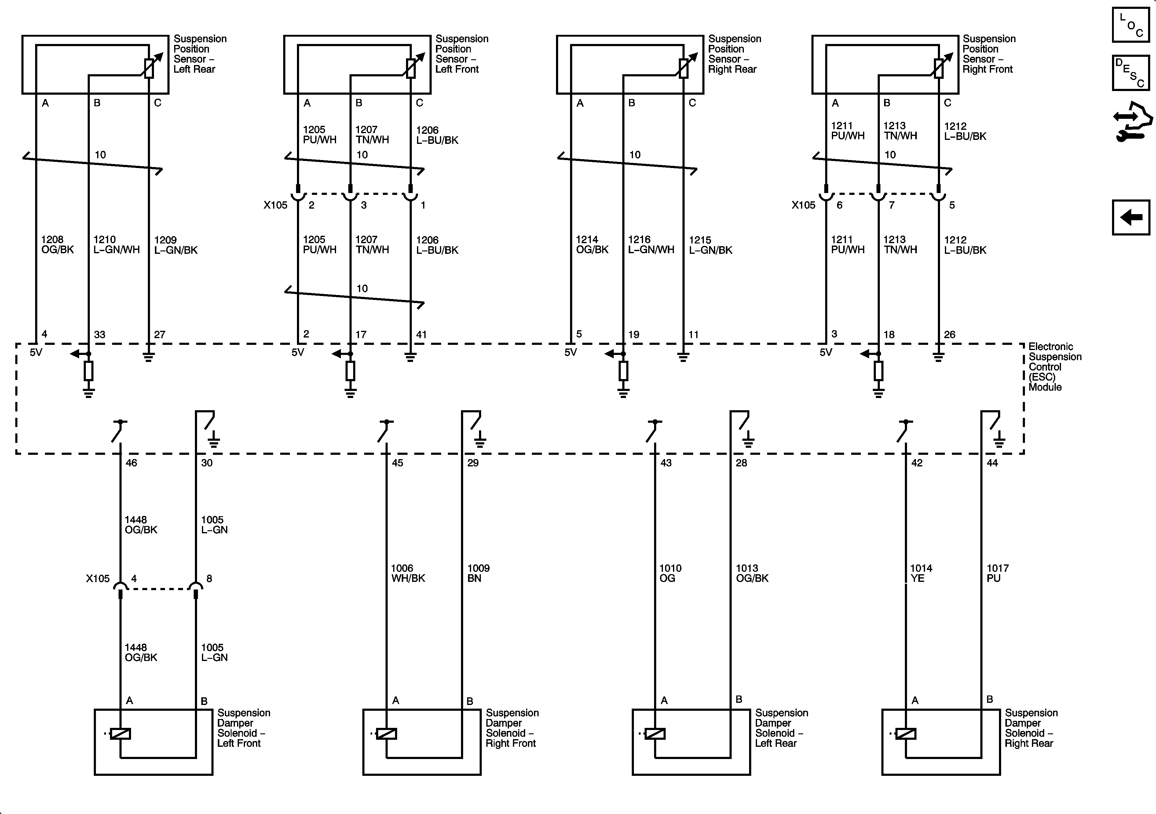
Sensors and Dampers
Figure
2:
Sensors and Dampers
Master Electrical Component List
Electronic Suspension Control Description and Operation
Control Module References
Power, Ground, Serial Data and Controls