GM Service Manual Online
For 1990-2009 cars only
Makes
🢒
Cadillac
🢒
2008
🢒
SRX
🢒
Diagnostic Navigation
🢒
Vehicle Diagnostic Information
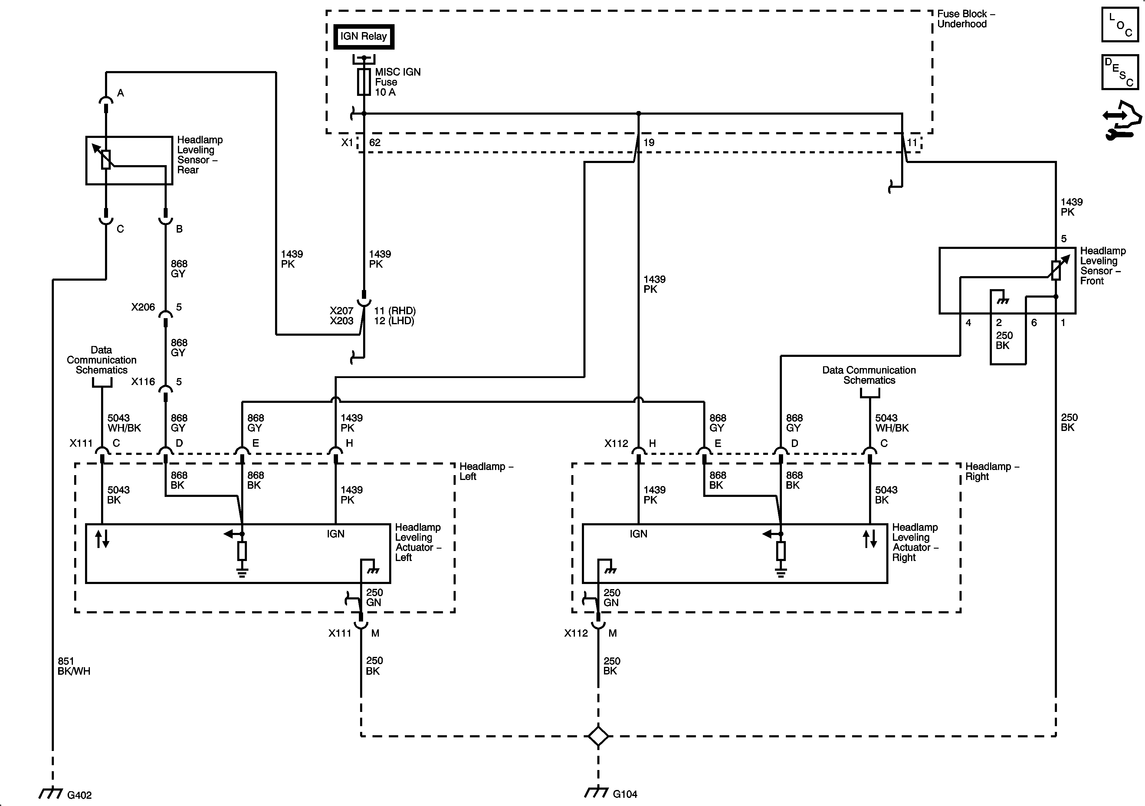
🢒 Headlight Leveling Schematics
Headlamp Leveling Schematic
Master Electrical Component List
Exterior Lighting Systems Description and Operation
Control Module References