GM Service Manual Online
For 1990-2009 cars only
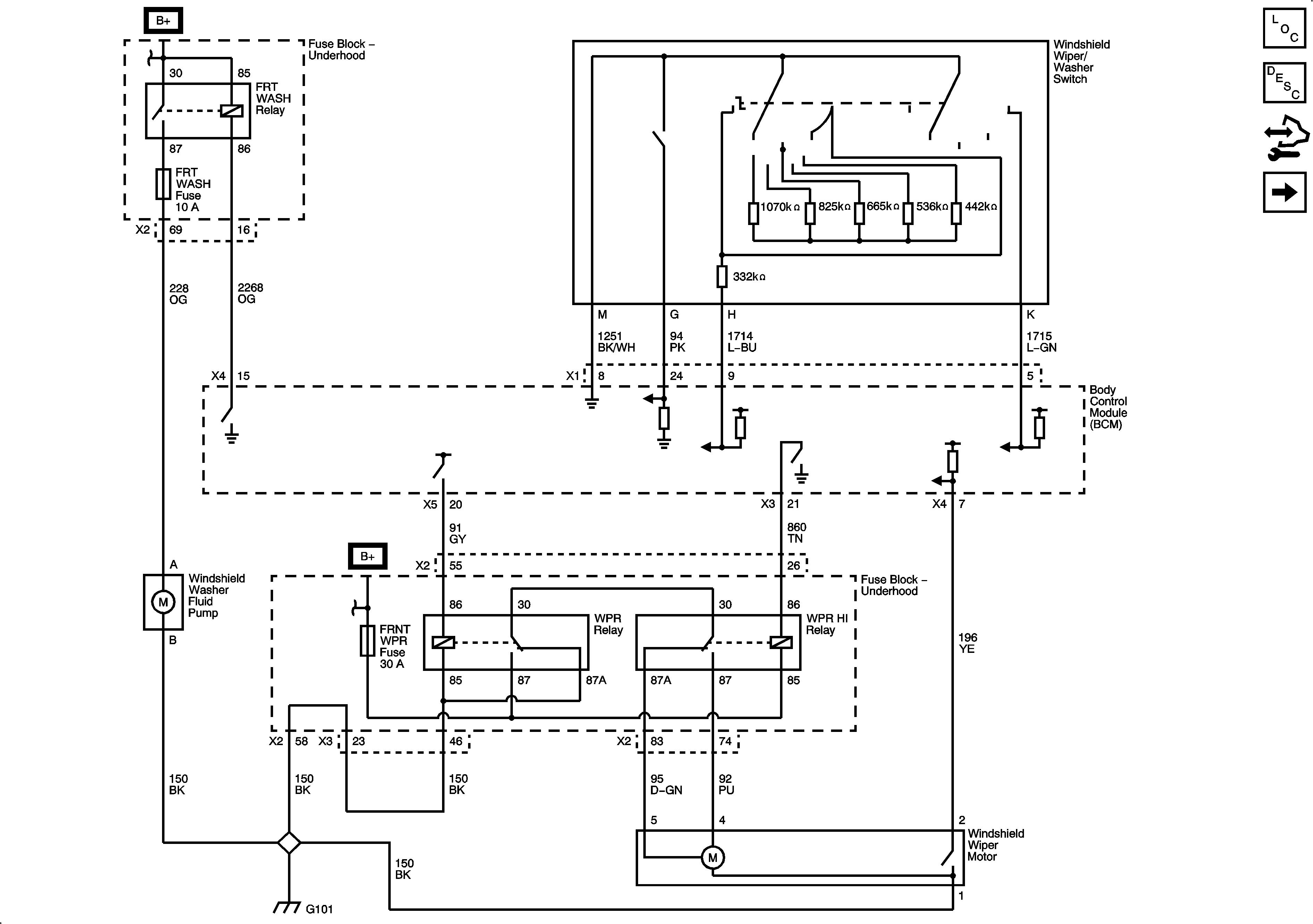
Figure 1:

Front Wiper/Washer Controls LHD


Object Number: 1874199  Size: FS
Master Electrical Component List
Wiper/Washer System Description and Operation
Control Module References
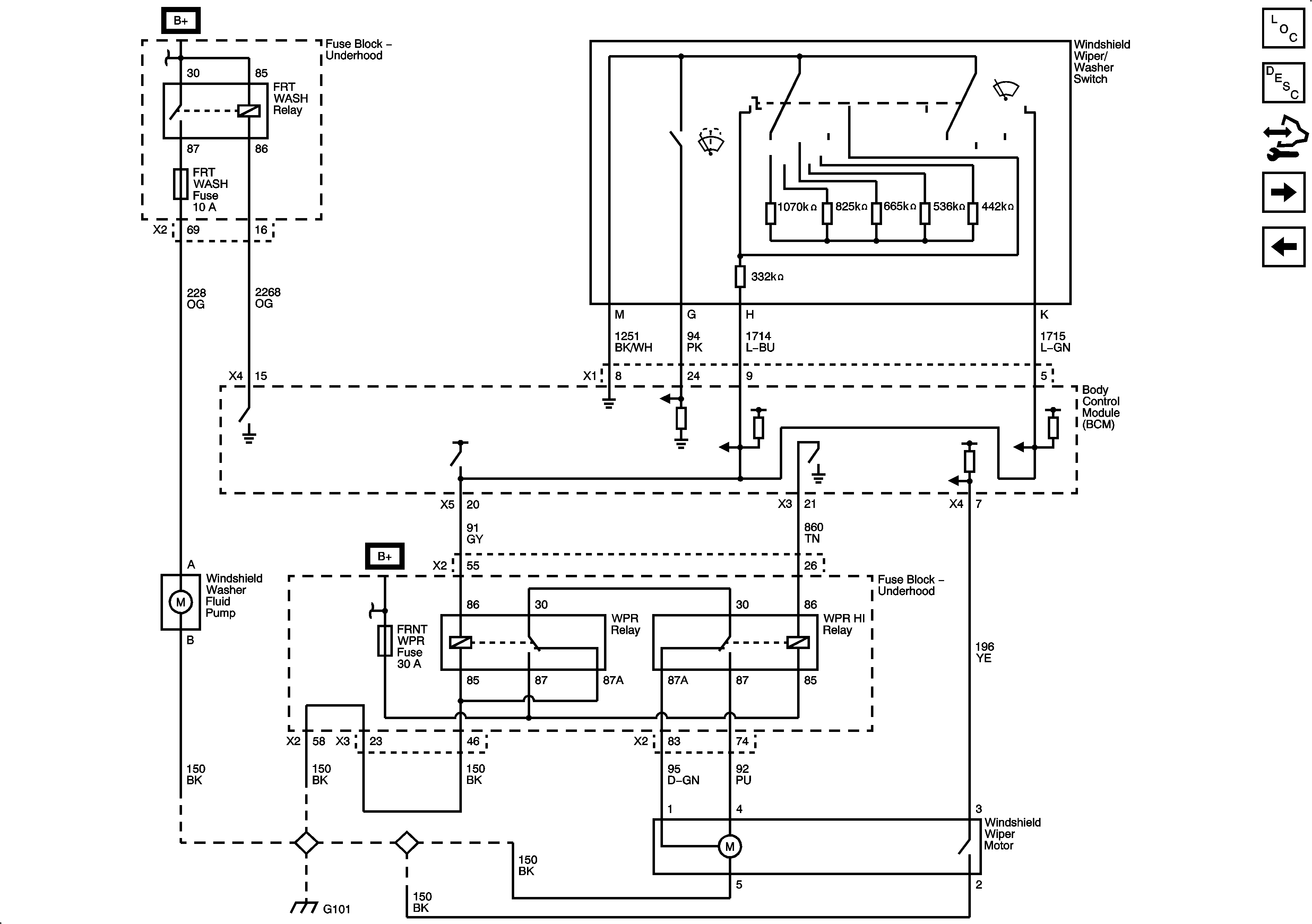
Front Wiper/Washer Controls RHD
Figure 2:

Front Washer/Wiper Controls RHD


Object Number: 1874202  Size: FS
Master Electrical Component List
Wiper/Washer System Description and Operation
Control Module References
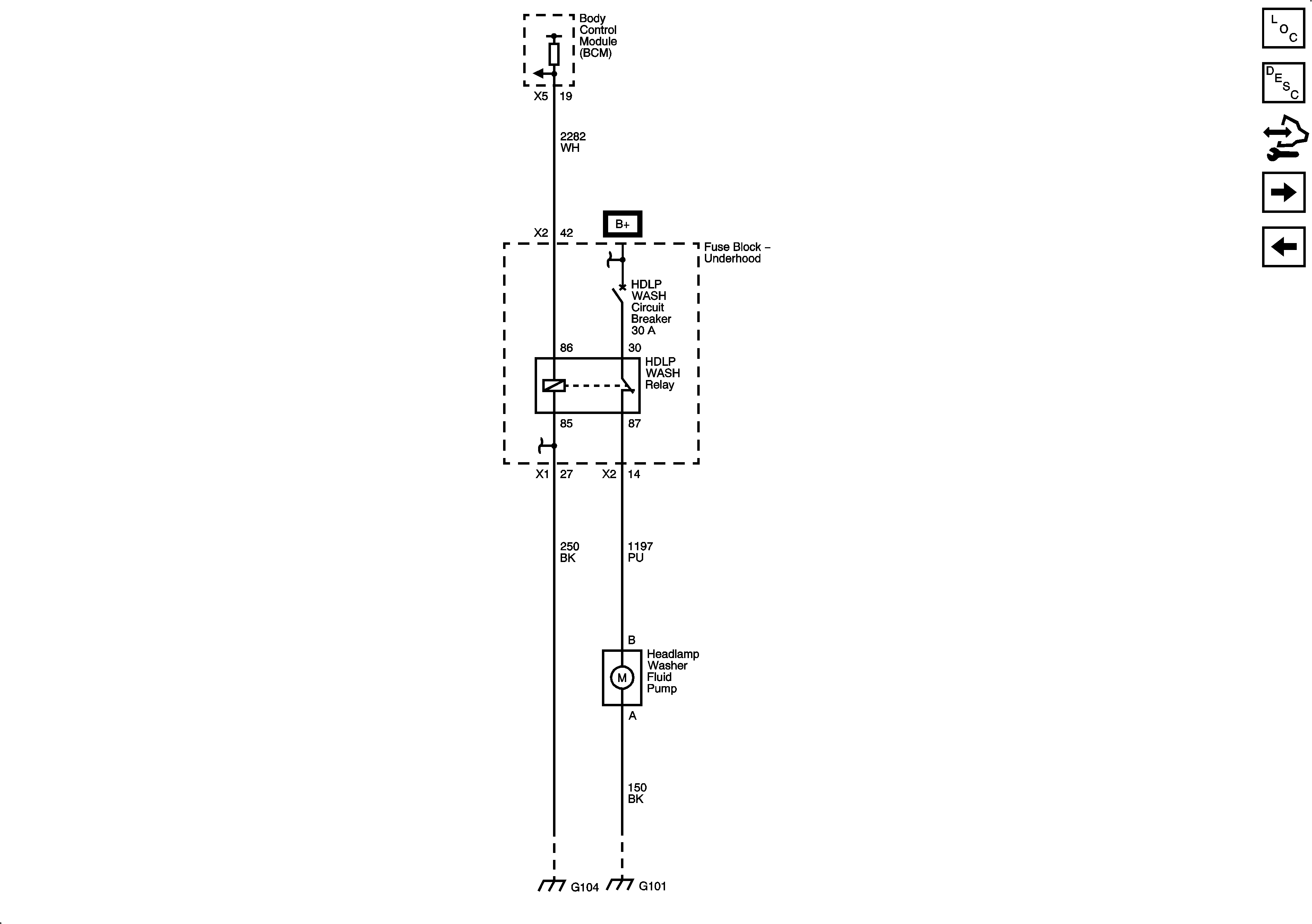
Headlamp Washers (CE4)
Front Wiper/Washer Controls LHD
Figure 3:

Headlamp Washers (CE4)


Object Number: 1874205  Size: FS
Master Electrical Component List
Headlamp Washer System Description and Operation
Control Module References
Windshield Washer Fluid Pump and Washer Fluid Level Switch
Front Wiper/Washer Controls RHD
Figure 4:

Windshield Washer Fluid Pump and Washer Fluid Level Switch


Object Number: 1874207  Size: FS
Master Electrical Component List
Wiper/Washer System Description and Operation
Control Module References
Heated Washer Nozzles (XA7)
Headlamp Washers (CE4)
Figure 5:

Heated Washer Nozzles (XA7)


Object Number: 1874210  Size: FS
Master Electrical Component List
Wiper/Washer System Description and Operation
Control Module References
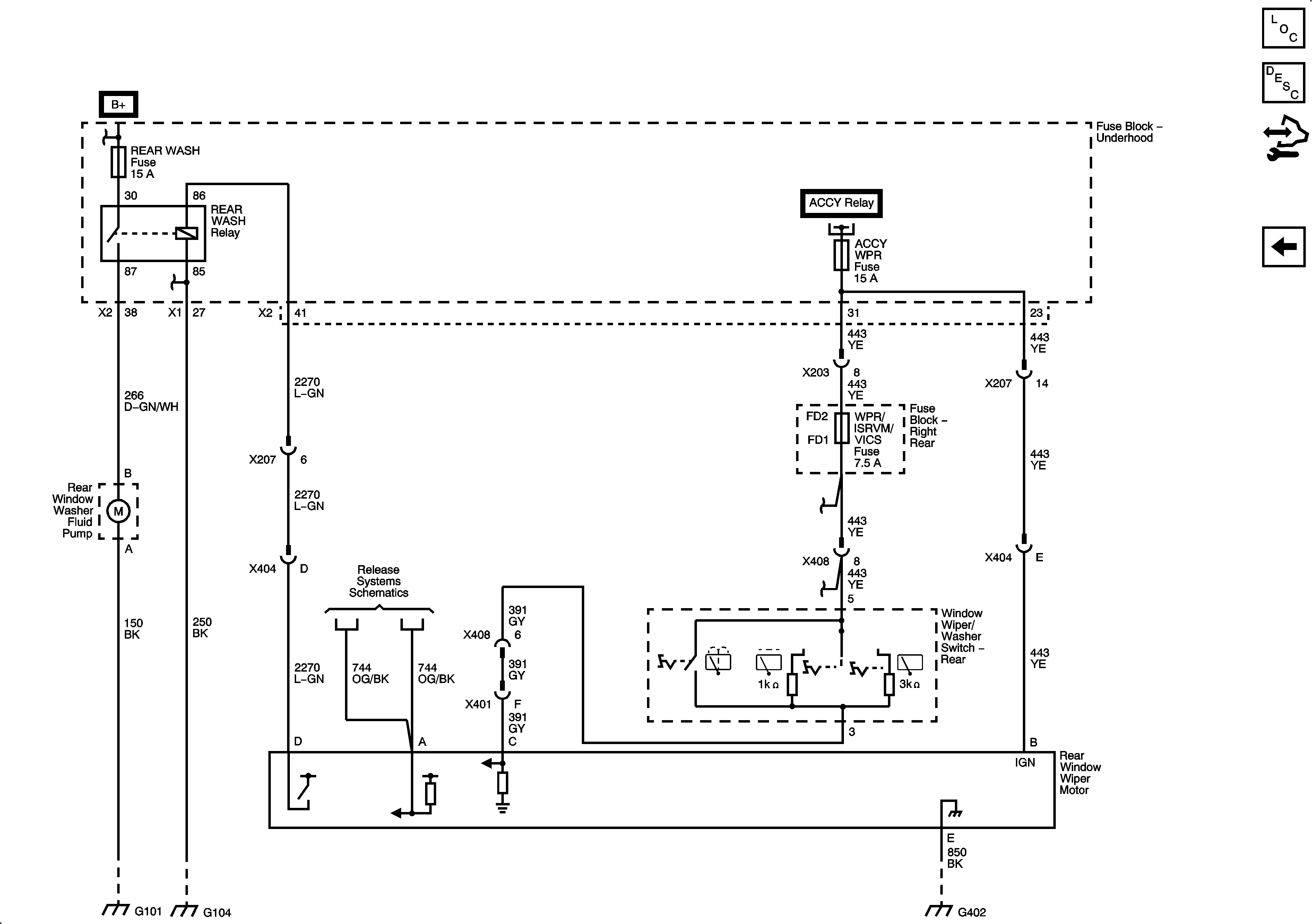
Rear Wiper/Washer
Windshield Washer Fluid Pump and Washer Fluid Level Switch
Figure 6:

Rear Wiper/Washer


Object Number: 1874212  Size: FS
Master Electrical Component List
Rear Wiper/Washer System Description and Operation
Control Module References
Heated Washer Nozzles (XA7)