GM Service Manual Online
For 1990-2009 cars only
Makes
🢒
Cadillac
🢒
2008
🢒
SRX
🢒
Diagnostic Navigation
🢒
Vehicle Diagnostic Information
🢒 Automatic Transmission Controls Schematics
Figure
1:
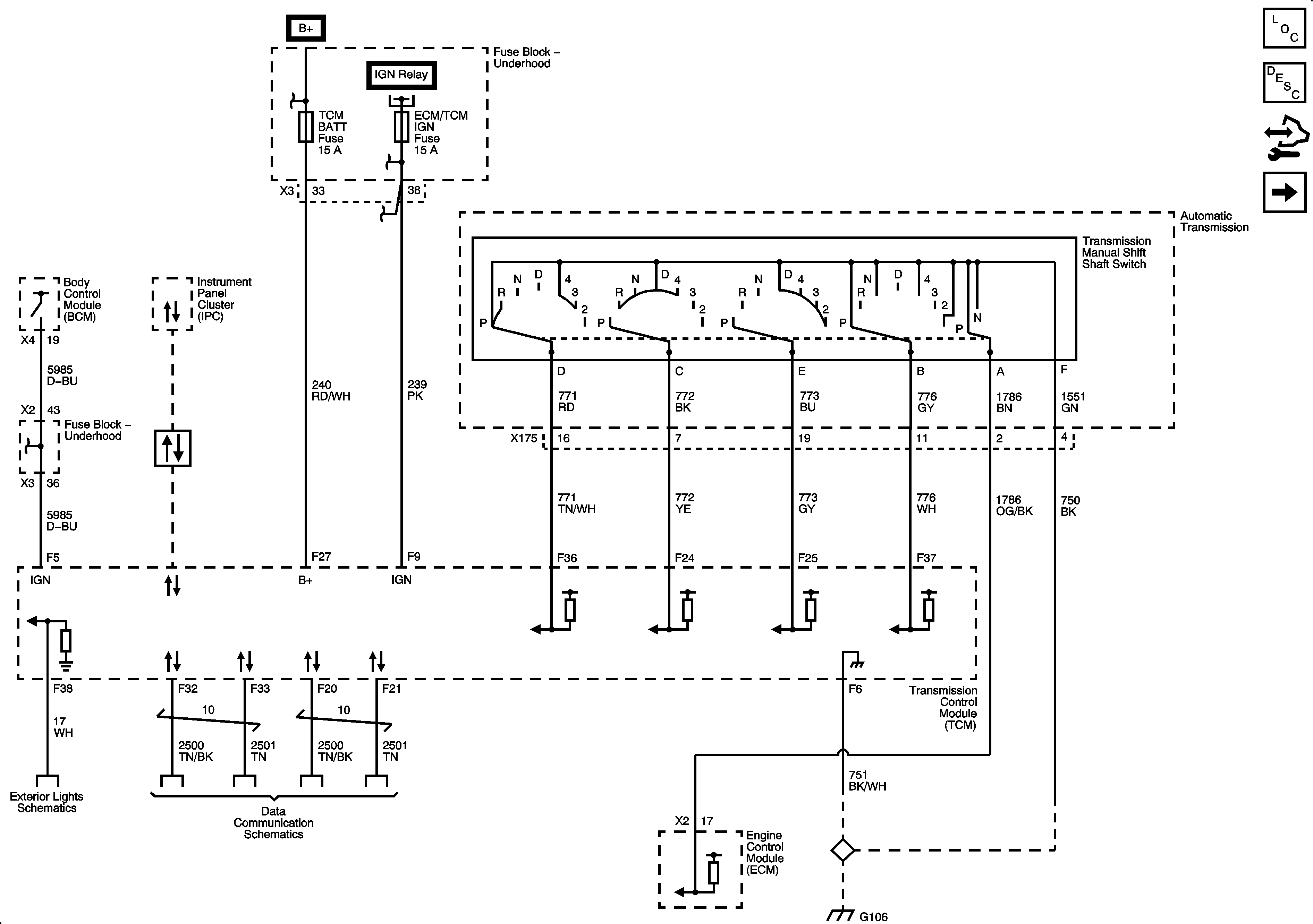
Power, Ground, Serial Data, and Switches
Master Electrical Component List
Electronic Component Description
Control Module References
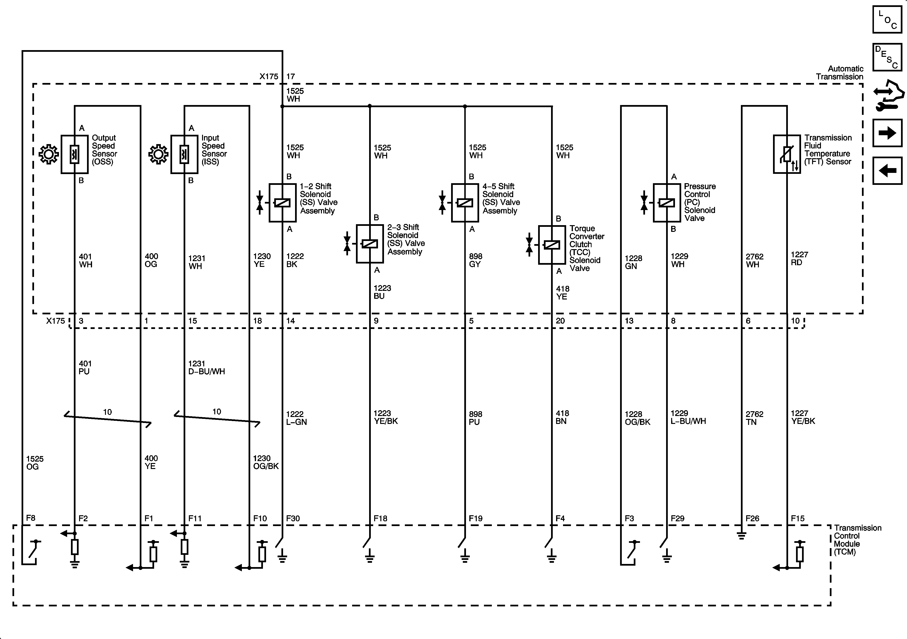
Sensors and Solenoids
Figure
2:
Sensors and Solenoids
Master Electrical Component List
Electronic Component Description
Control Module References
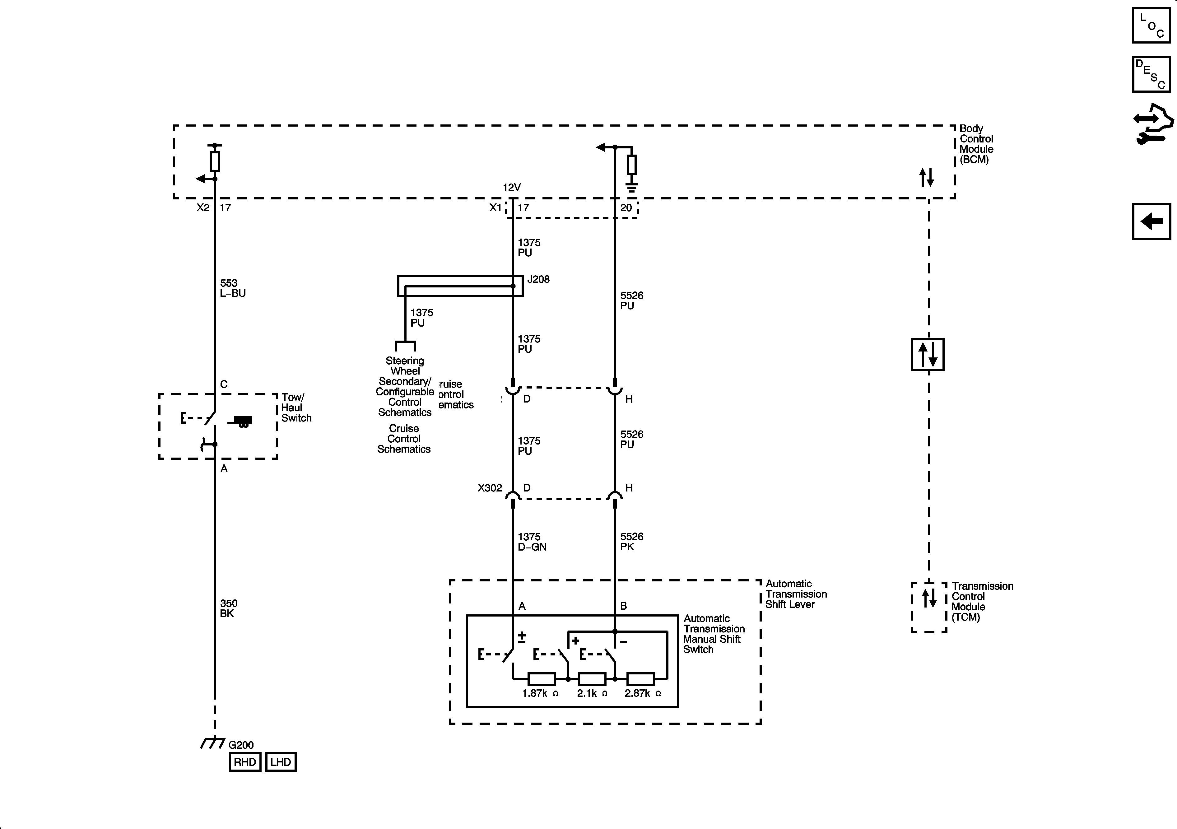
Tow/Haul Switch and Tap Shift System
Power, Ground, Serial Data, and Switches
Figure
3:
Tow/Haul Switch and Tap Shift System
Master Electrical Component List
Electronic Component Description
Control Module References
Sensors and Solenoids