GM Service Manual Online
For 1990-2009 cars only
Figure 1:

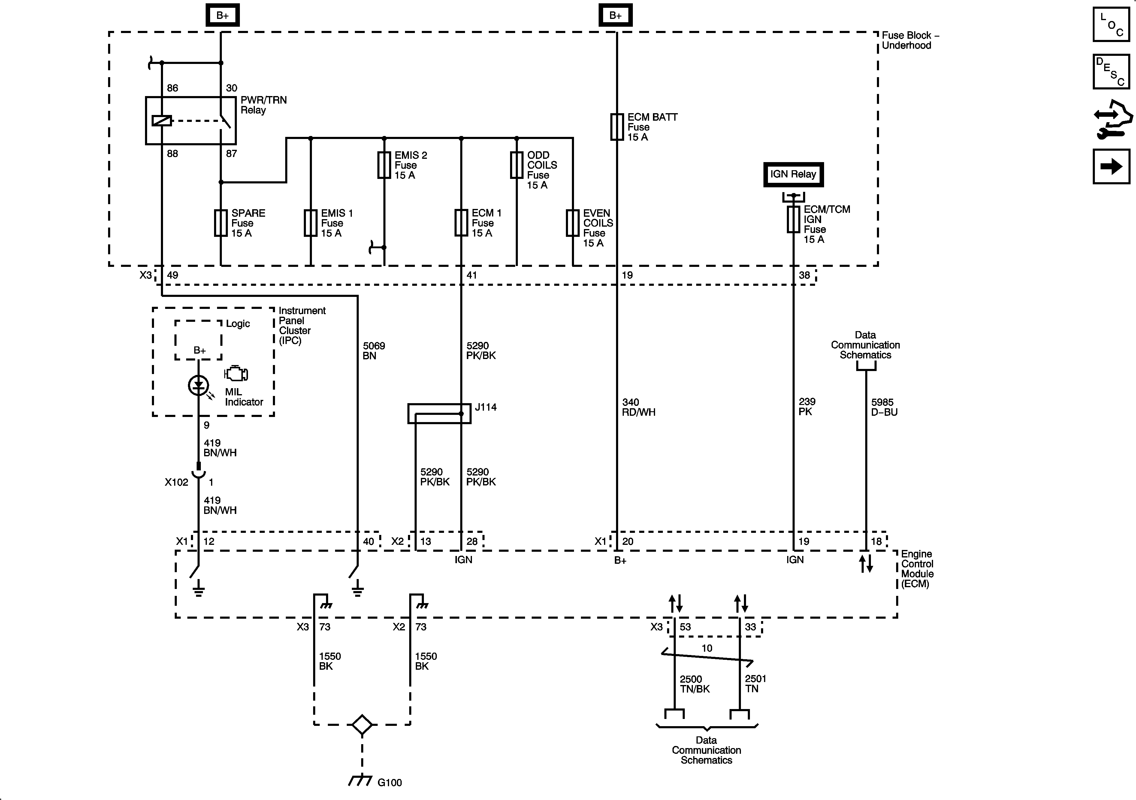
Power, Ground, Serial Data and MIL


Object Number: 1873009  Size: FS
Master Electrical Component List
Engine Control Module Description
Control Module References
Data Sensors - 5-Volt and Low Reference
Figure 2:

Engine Data Sensors - 5-Volt and Low References


Object Number: 1873011  Size: FS
Master Electrical Component List
Engine Control Module Description
Control Module References
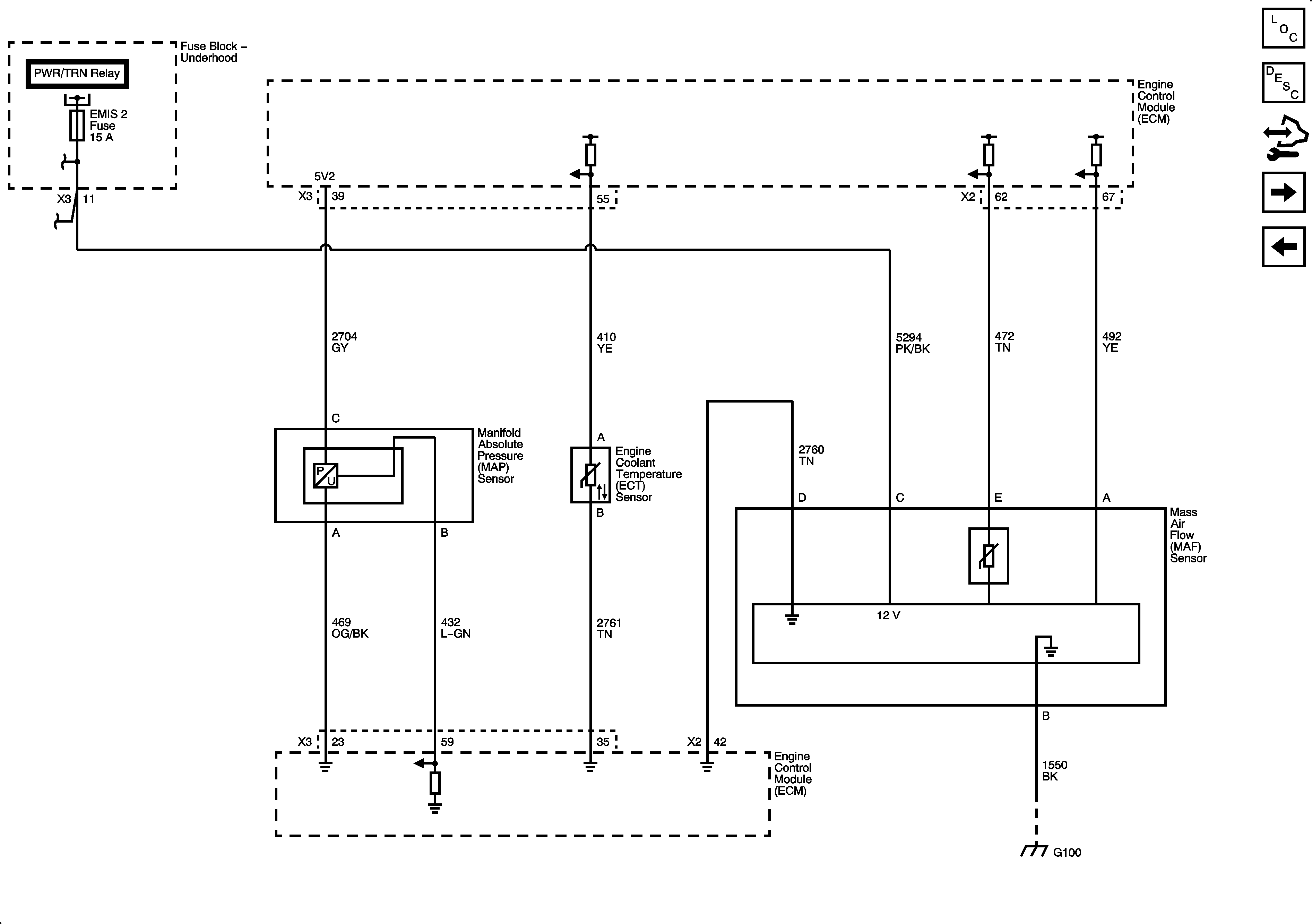
Engine Data Sensors - MAF, MAP, and Engine Coolant Temp (ECT) Sensors
Power, Ground, Serial Data, and MIL
Figure 3:

Engine Data Sensors - MAF, MAP and ECT Sensor


Object Number: 1873014  Size: FS
Master Electrical Component List
Engine Control Module Description
Control Module References
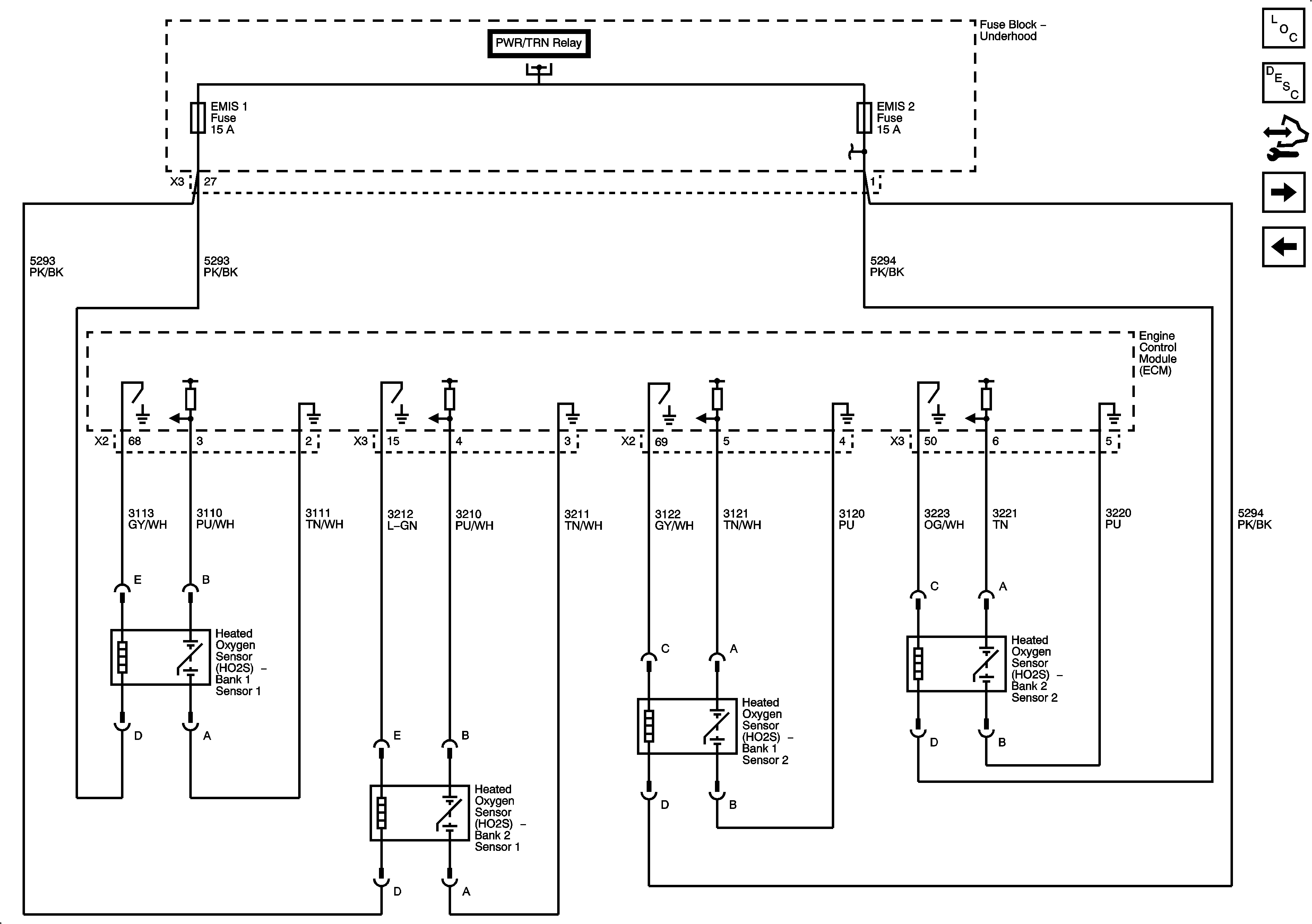
Engine Data Sensors - Oxygen Sensors
Data Sensors - 5-Volt and Low Reference
Figure 4:

Engine Data Sensors - Oxygen Sensors


Object Number: 1873017  Size: FS
Master Electrical Component List
Engine Control Module Description
Control Module References
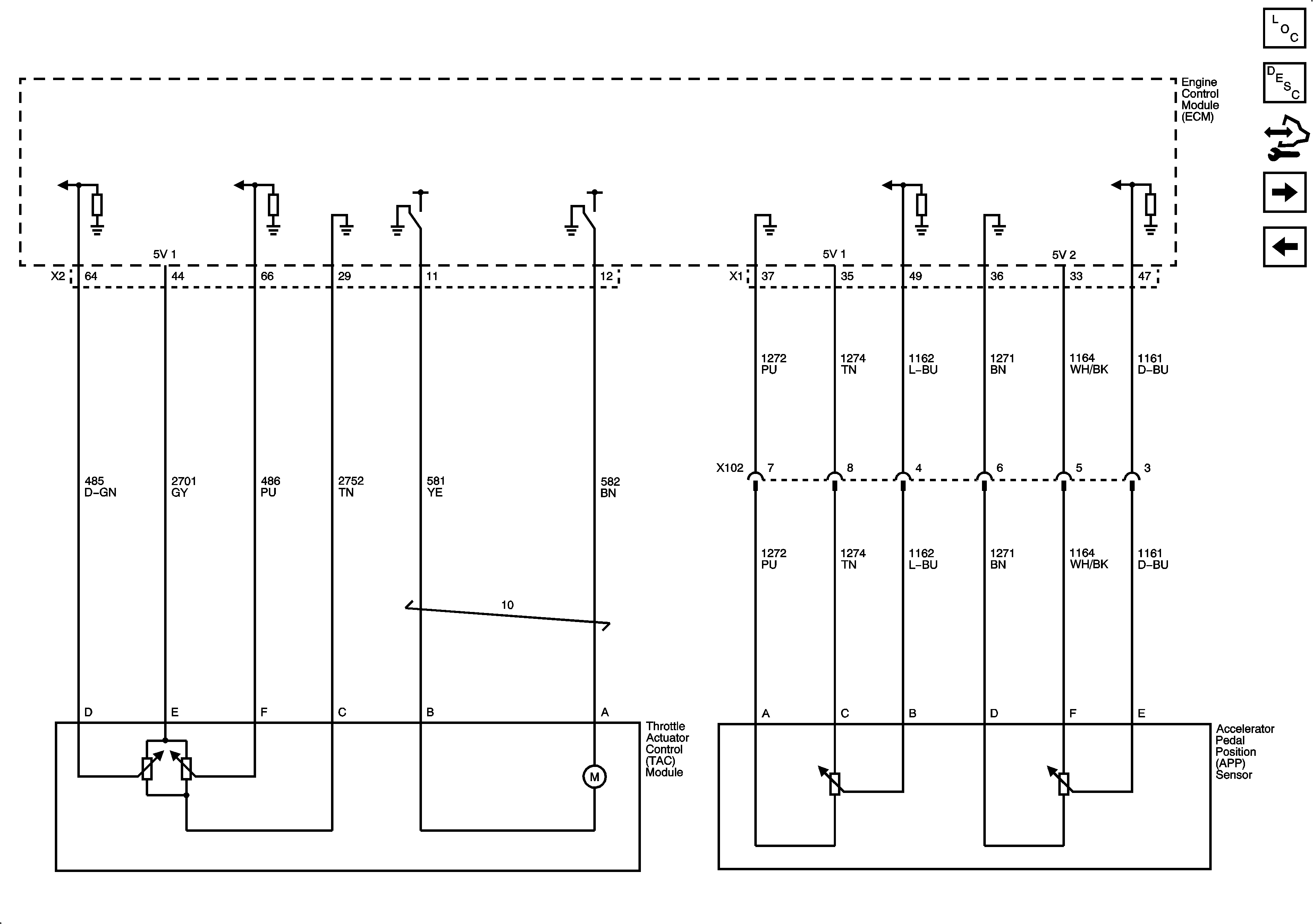
Engine Data Sensors - Electronic Throttle
Engine Data Sensors - MAF, MAP, and Engine Coolant Temp (ECT) Sensors
Figure 5:

Engine Data Sensors - Electronic Throttle Controls


Object Number: 1873019  Size: FS
Master Electrical Component List
Throttle Actuator Control (TAC) System Description
Control Module References
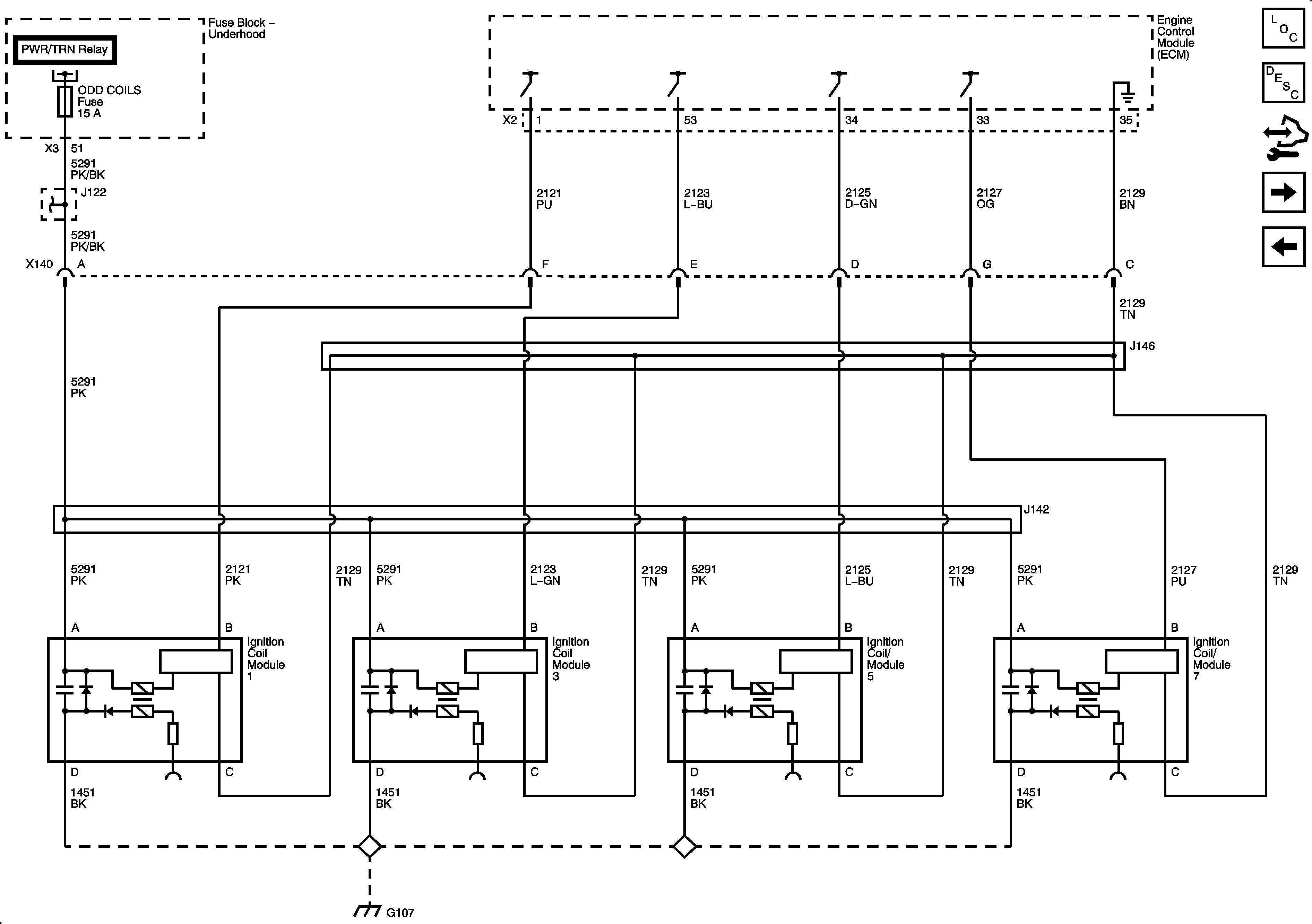
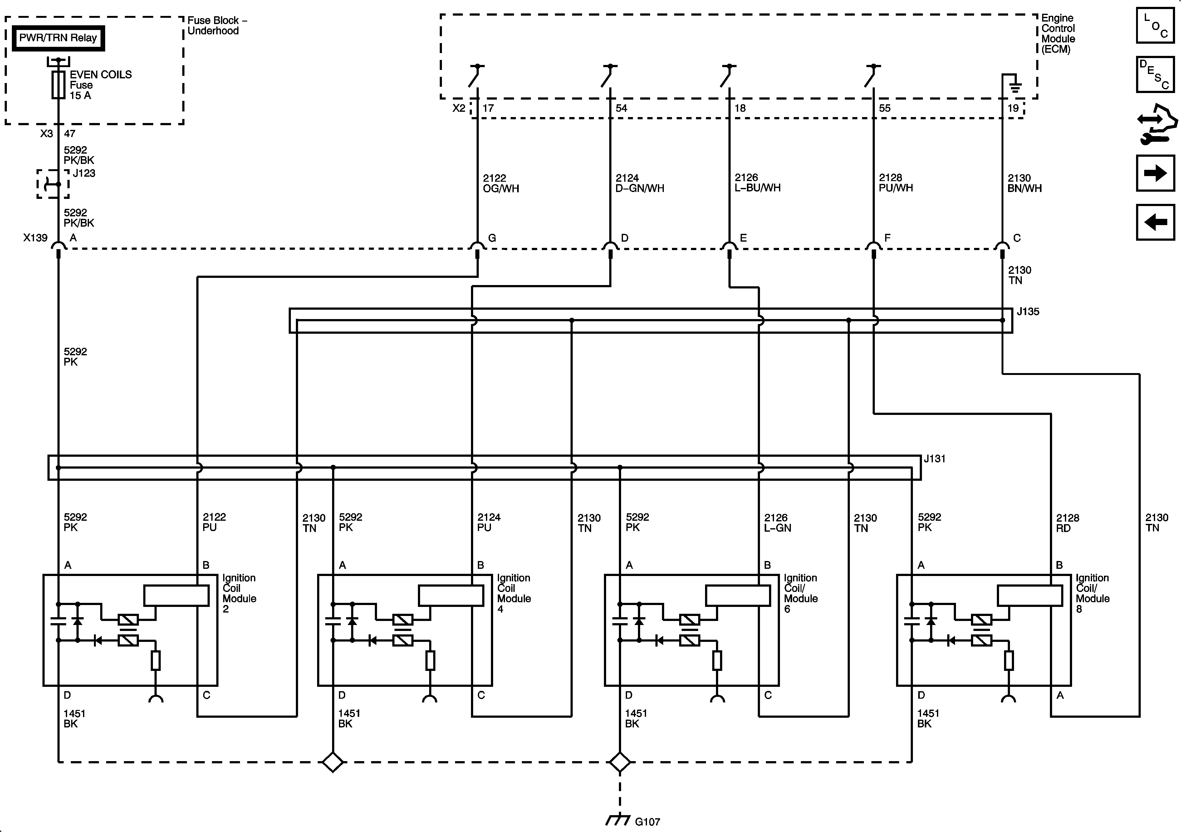
Ignition Controls - Bank 1 Ignition Coils
Engine Data Sensors - Oxygen Sensors
Figure 6:

Ignition Controls - Bank 1 Ignition Coils


Object Number: 1873021  Size: FS
Master Electrical Component List
Electronic Ignition (EI) System Description
Control Module References
Ignition Controls - Bank 2 Ignition Coils
Engine Data Sensors - Electronic Throttle
Figure 7:

Ignition Controls - Bank 2 Ignition Coils


Object Number: 1873027  Size: FS
Master Electrical Component List
Electronic Ignition (EI) System Description
Control Module References
Ignition Controls - CMP Sensors and Solenoids
Ignition Controls - Bank 1 Ignition Coils
Figure 8:

Ignition Controls - CMP Sensors and Solenoids


Object Number: 1873030  Size: FS
Master Electrical Component List
Electronic Ignition (EI) System Description
Control Module References
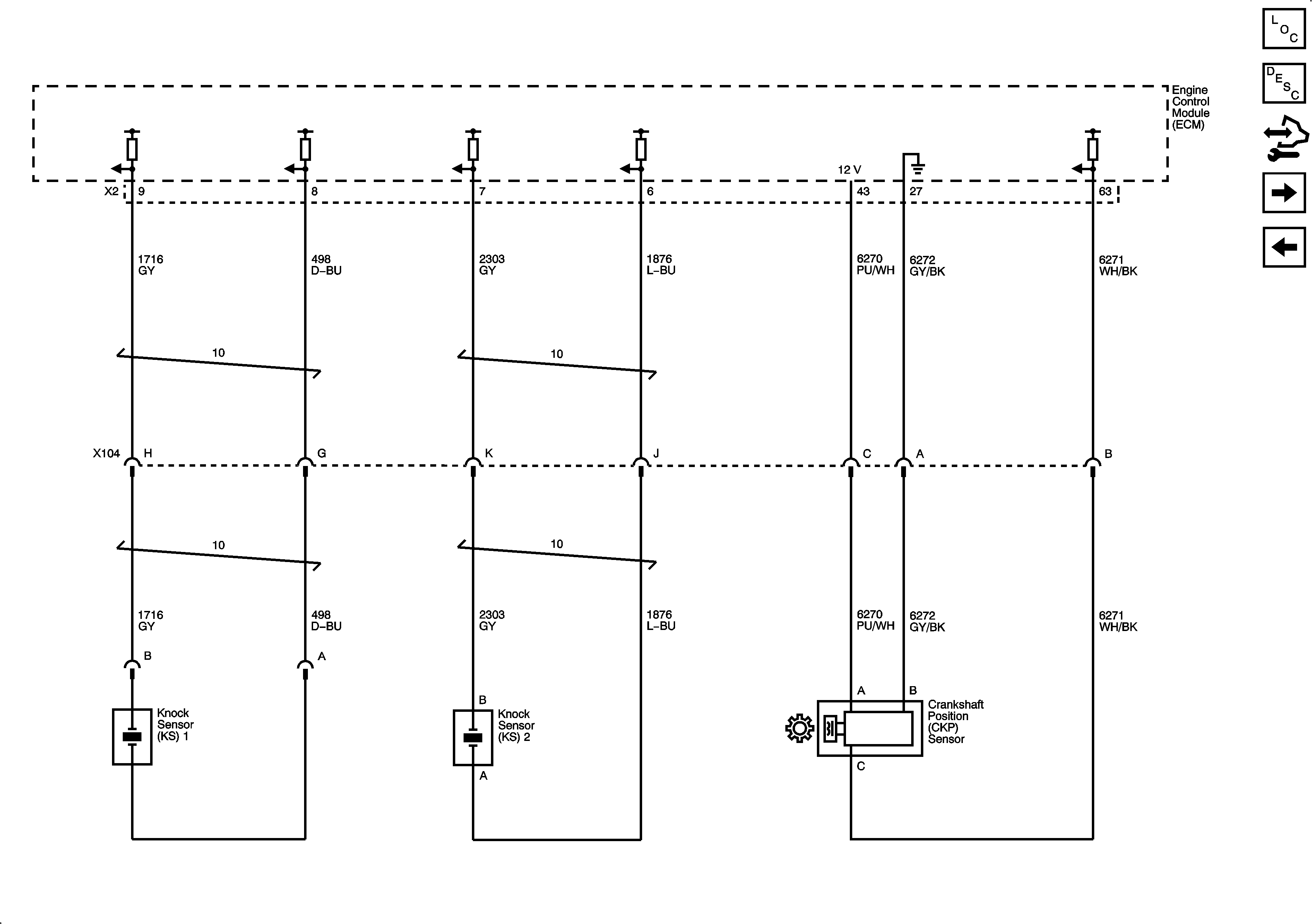
Ignition Controls - CKP and Knock Sensors
Ignition Controls - Bank 2 Ignition Coils
Figure 9:

Ignition Controls - CKP and Knock Sensors


Object Number: 1873040  Size: FS
Master Electrical Component List
Electronic Ignition (EI) System Description
Control Module References
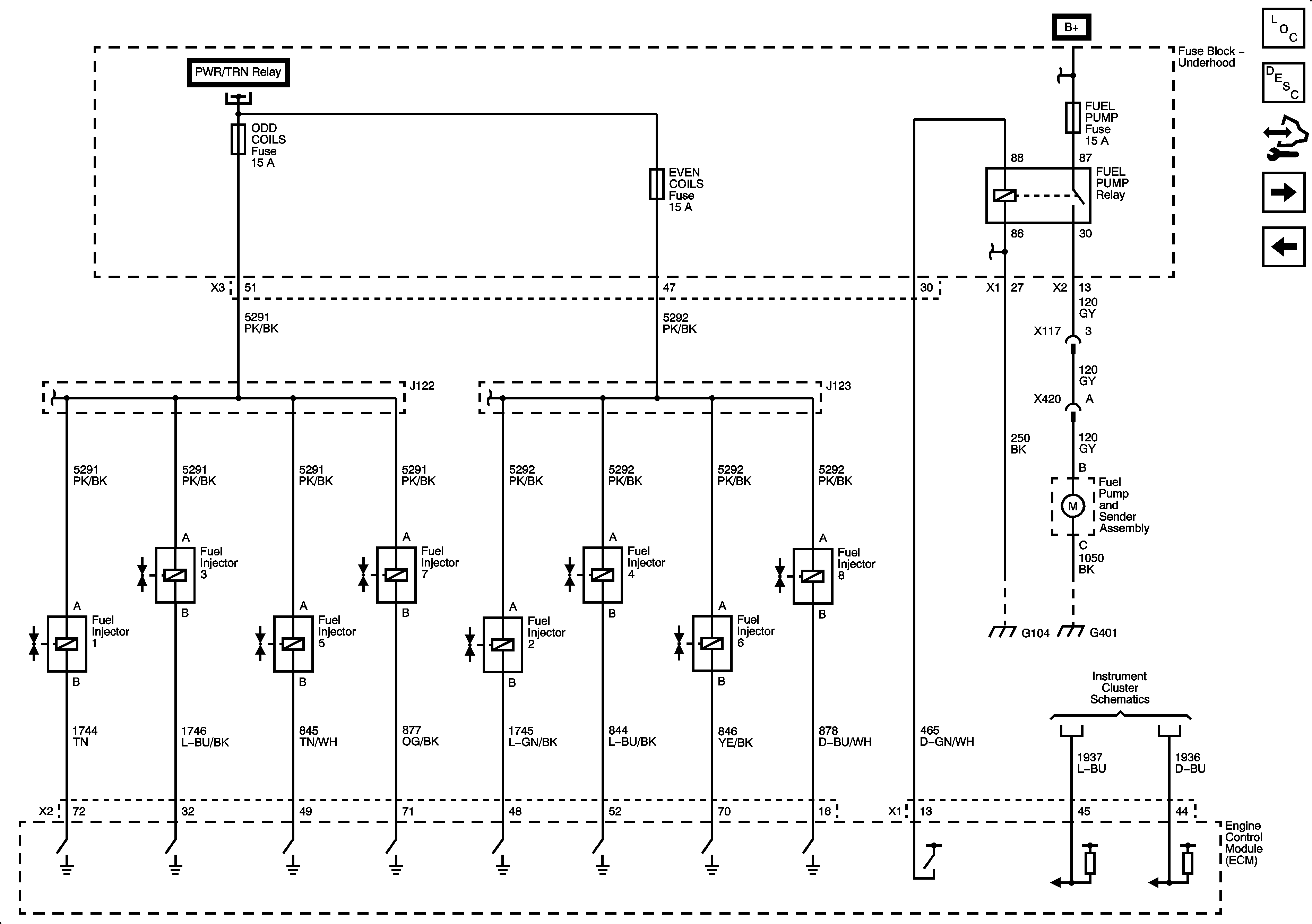
Fuel Controls - Fuel Pump and Injectors
Ignition Controls - CMP Sensors and Solenoids
Figure 10:

Fuel Controls - Fuel Pump and Injectors


Object Number: 1873044  Size: FS
Master Electrical Component List
Fuel System Description
Control Module References
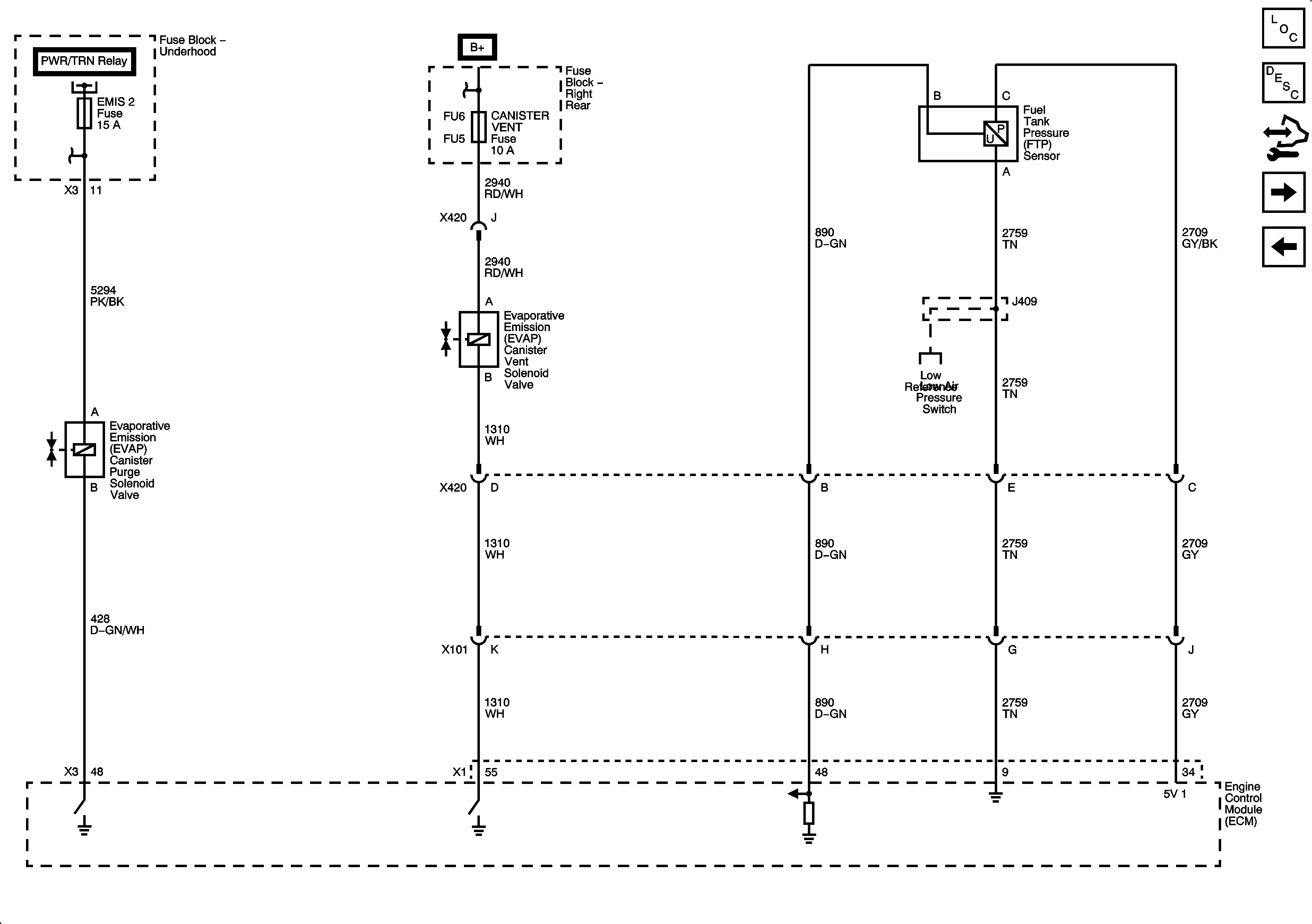
Fuel Controls - EVAP Controls
Ignition Controls - CKP and Knock Sensors
Figure 11:

Fuel Controls - EVAP Controls


Object Number: 1873047  Size: FS
Master Electrical Component List
Evaporative Emission Control System Description
Control Module References
Controlled/Monitored Subsystem References
Fuel Controls - Fuel Pump and Injectors
Figure 12:

Controlled/Monitored Subsystem References


Object Number: 1873049  Size: FS
Master Electrical Component List
Engine Control Module Description
Control Module References
Fuel Controls - EVAP Controls