GM Service Manual Online
For 1990-2009 cars only
Makes
🢒
Cadillac
🢒
2008
🢒
SRX
🢒
Body Systems
🢒
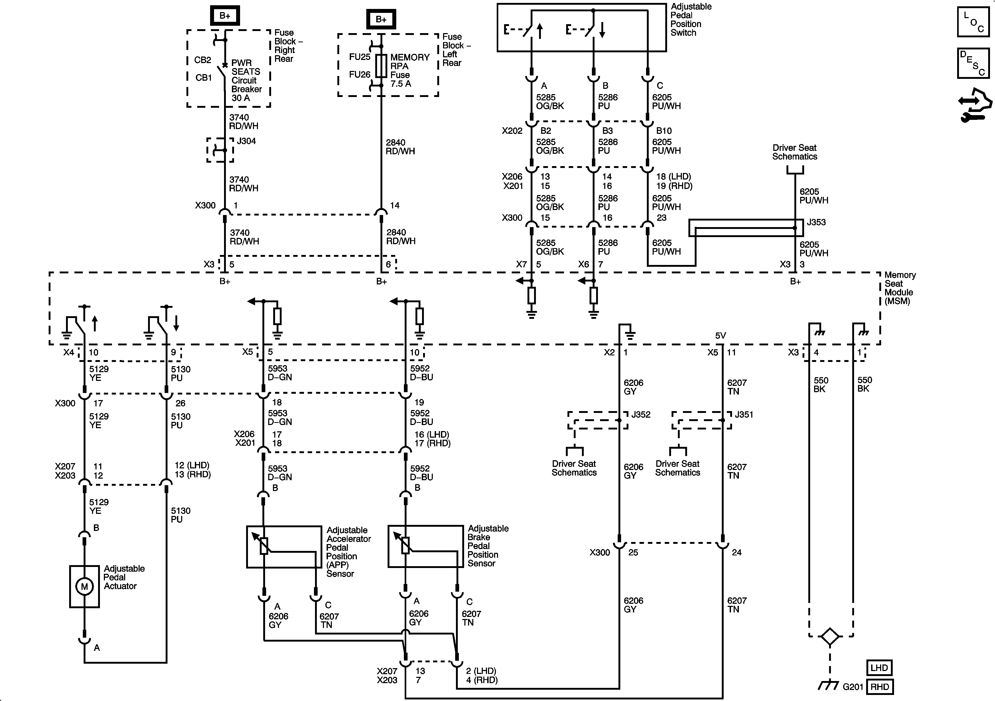
Adjustable Pedals
🢒 Adjustable Pedal Schematics
Master Electrical Component List
Adjustable Pedals Description and Operation
Control Module References