GM Service Manual Online
For 1990-2009 cars only
Figure 1:

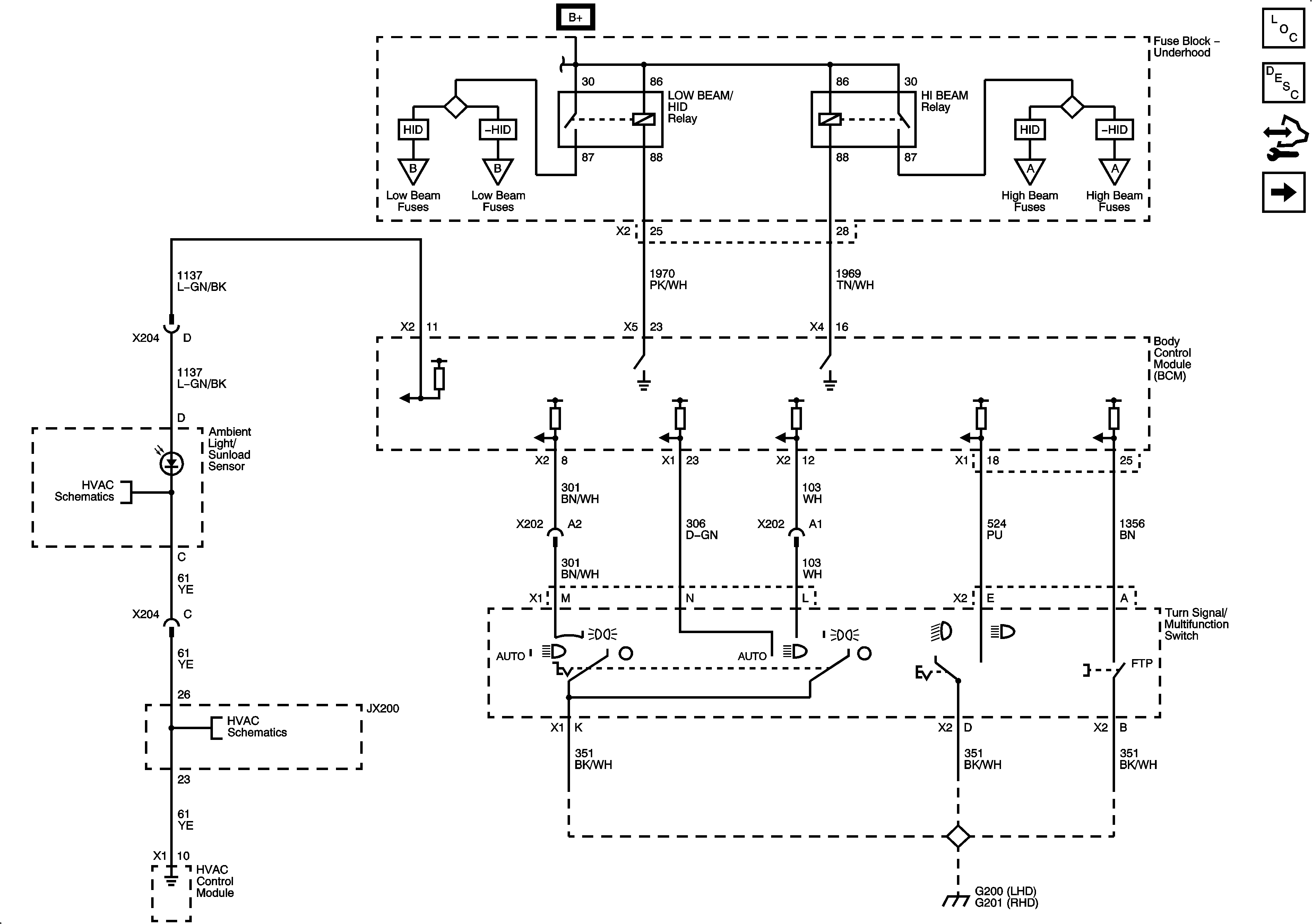
Headlamp Controls


Object Number: 1873147  Size: FS
Master Electrical Component List
Exterior Lighting Systems Description and Operation
Control Module References
Headlamps (without HID)
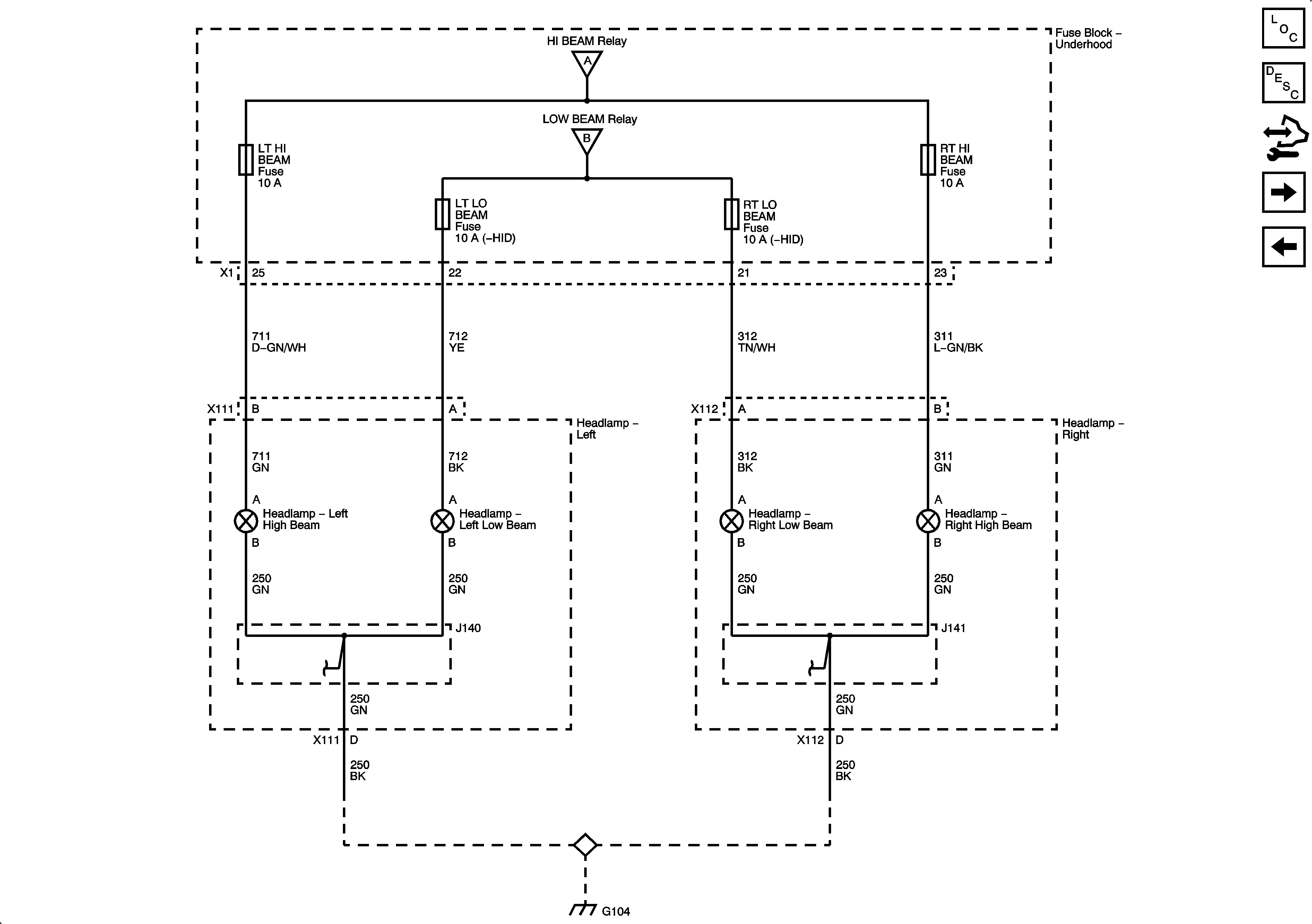
Figure 2:

Headlamps (without HID)


Object Number: 1873150  Size: FS
Master Electrical Component List
Exterior Lighting Systems Description and Operation
Control Module References
Headlamps (HID)
Headlamp Controls
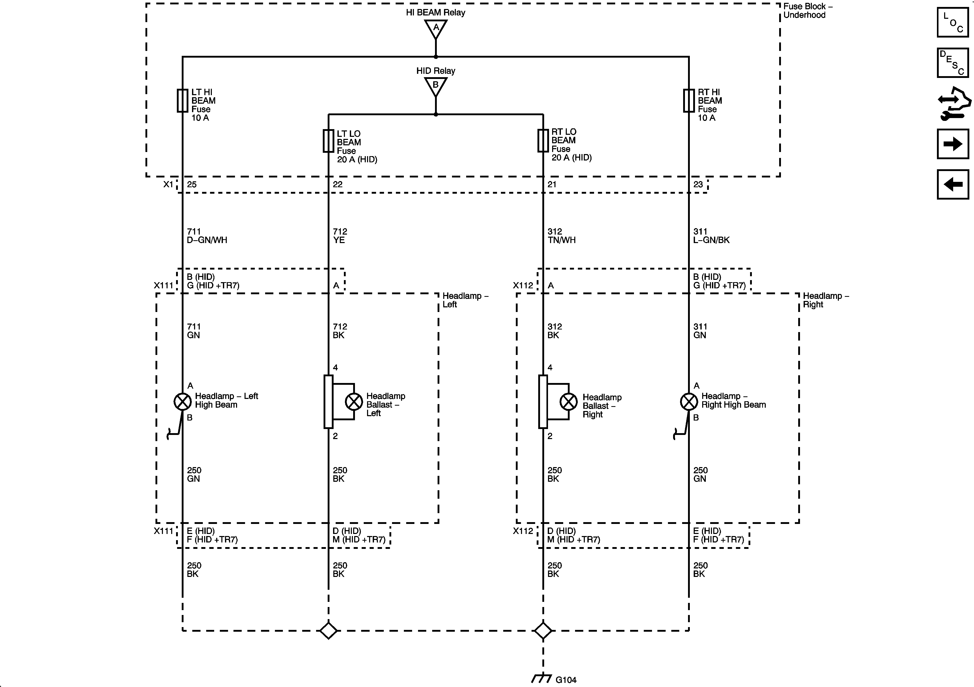
Figure 3:

Headlamps (HID)


Object Number: 1873154  Size: FS
Master Electrical Component List
Exterior Lighting Systems Description and Operation
Control Module References
DRL (without EXP)
Headlamps (without HID)
Figure 4:

Daytime Running Lamps (DRL) (without EXP)


Object Number: 1873157  Size: FS
Master Electrical Component List
Exterior Lighting Systems Description and Operation
Control Module References
Headlamps (HID)