GM Service Manual Online
For 1990-2009 cars only
Makes
🢒
Cadillac
🢒
2008
🢒
SRX
🢒
Body Systems
🢒
Lighting
🢒 Interior Lights Schematics
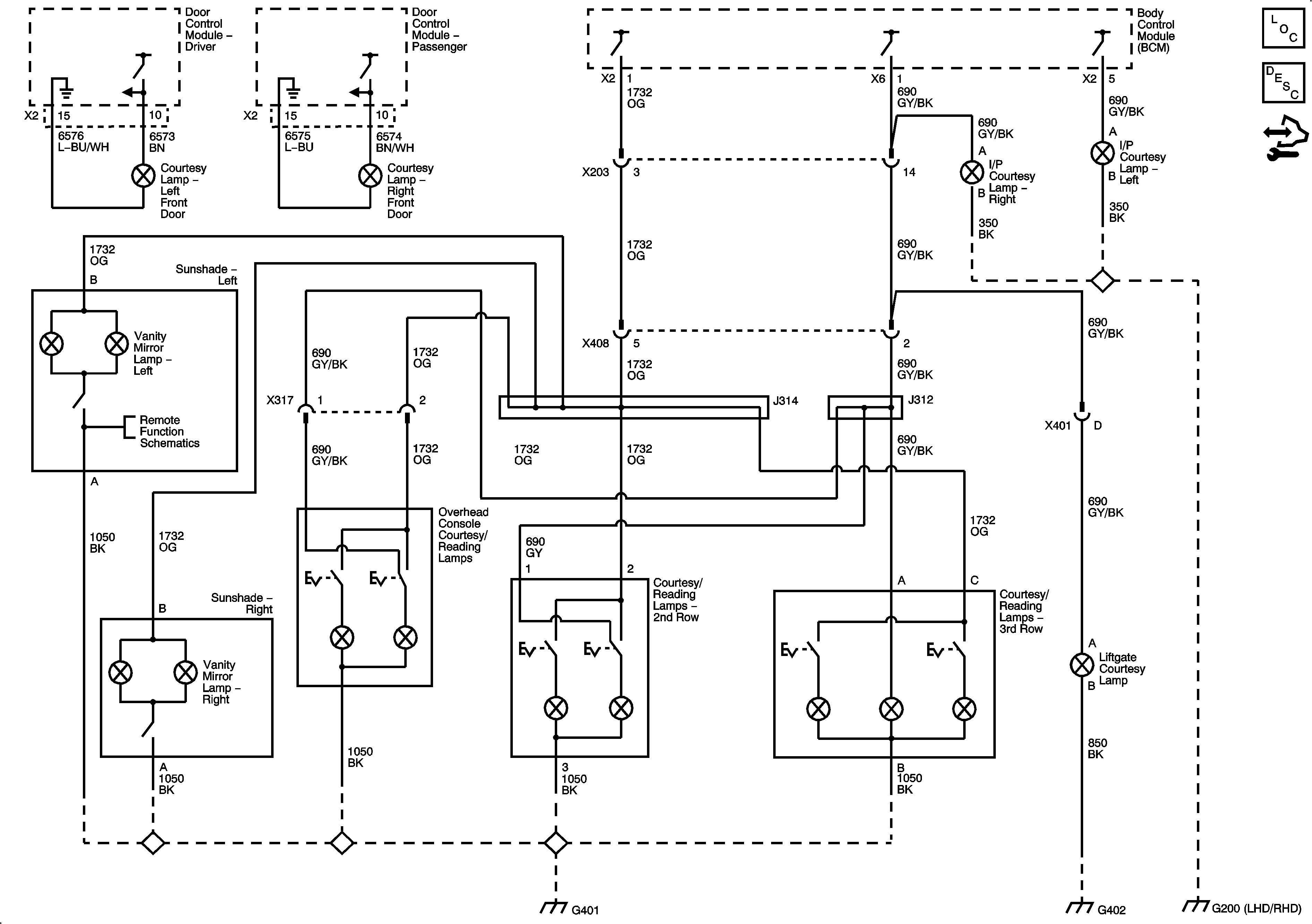
Courtesy Lamps
Master Electrical Component List
Interior Lighting Systems Description and Operation
Control Module References