GM Service Manual Online
For 1990-2009 cars only
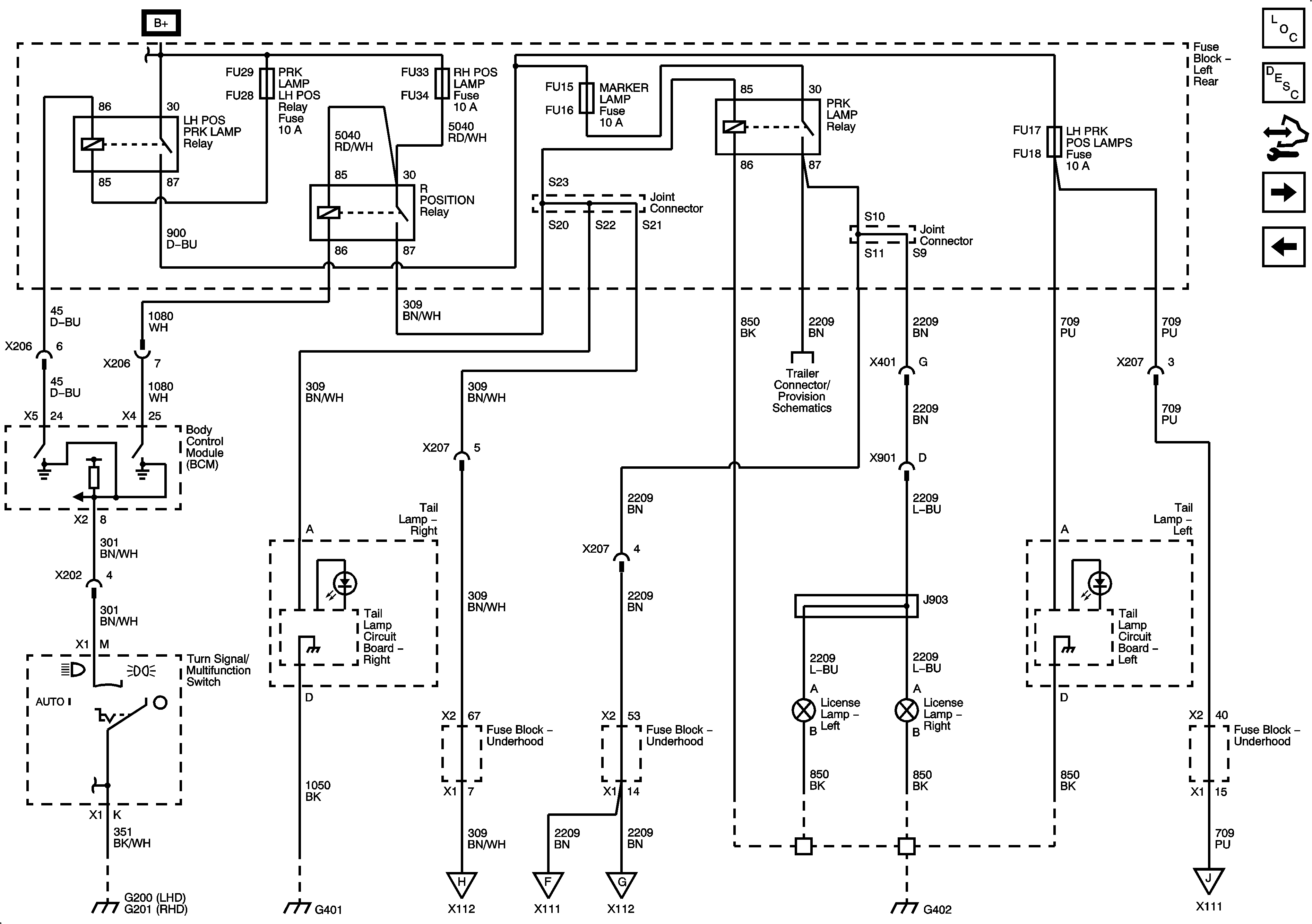
Figure 1:

Park Lamps (without EXP) 1 of 2


Object Number: 2062525  Size: FS
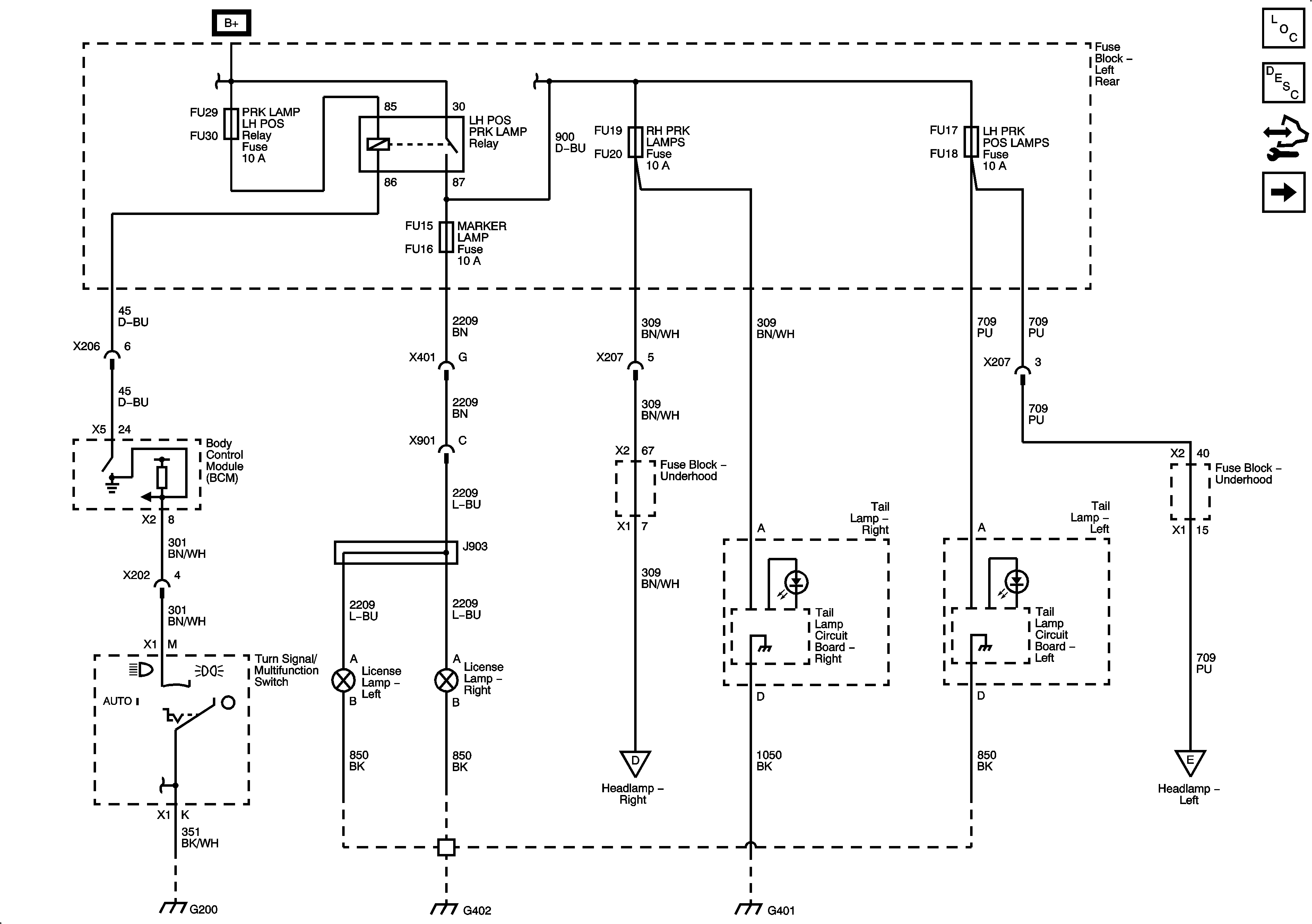
Figure 2:

Park Lamps (without EXP) 2 of 2


Object Number: 2062530  Size: FS
Figure 3:

Park Lamps (EXP) 1 of 2


Object Number: 2062532  Size: FS
Figure 4:

Park Lamps (EXP) 2 of 2


Object Number: 2062535  Size: FS
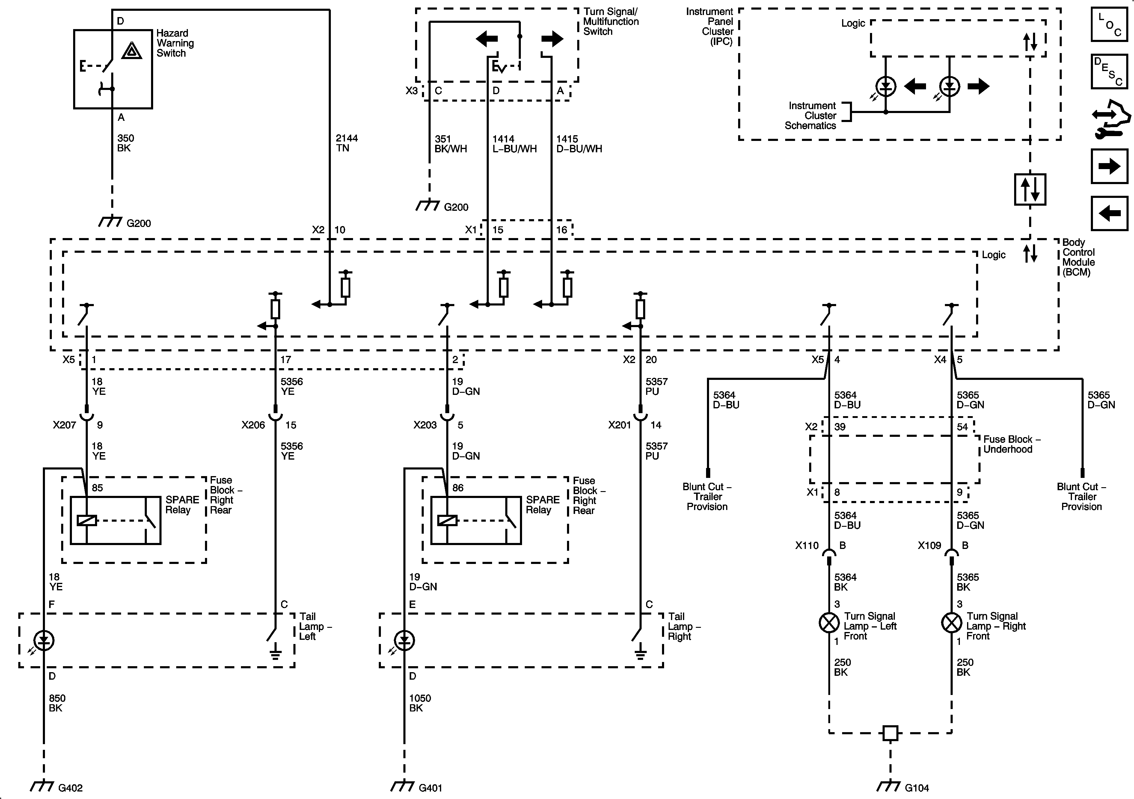
Figure 5:

Hazard and Turn Lamps (without EXP)


Object Number: 2062538  Size: FS
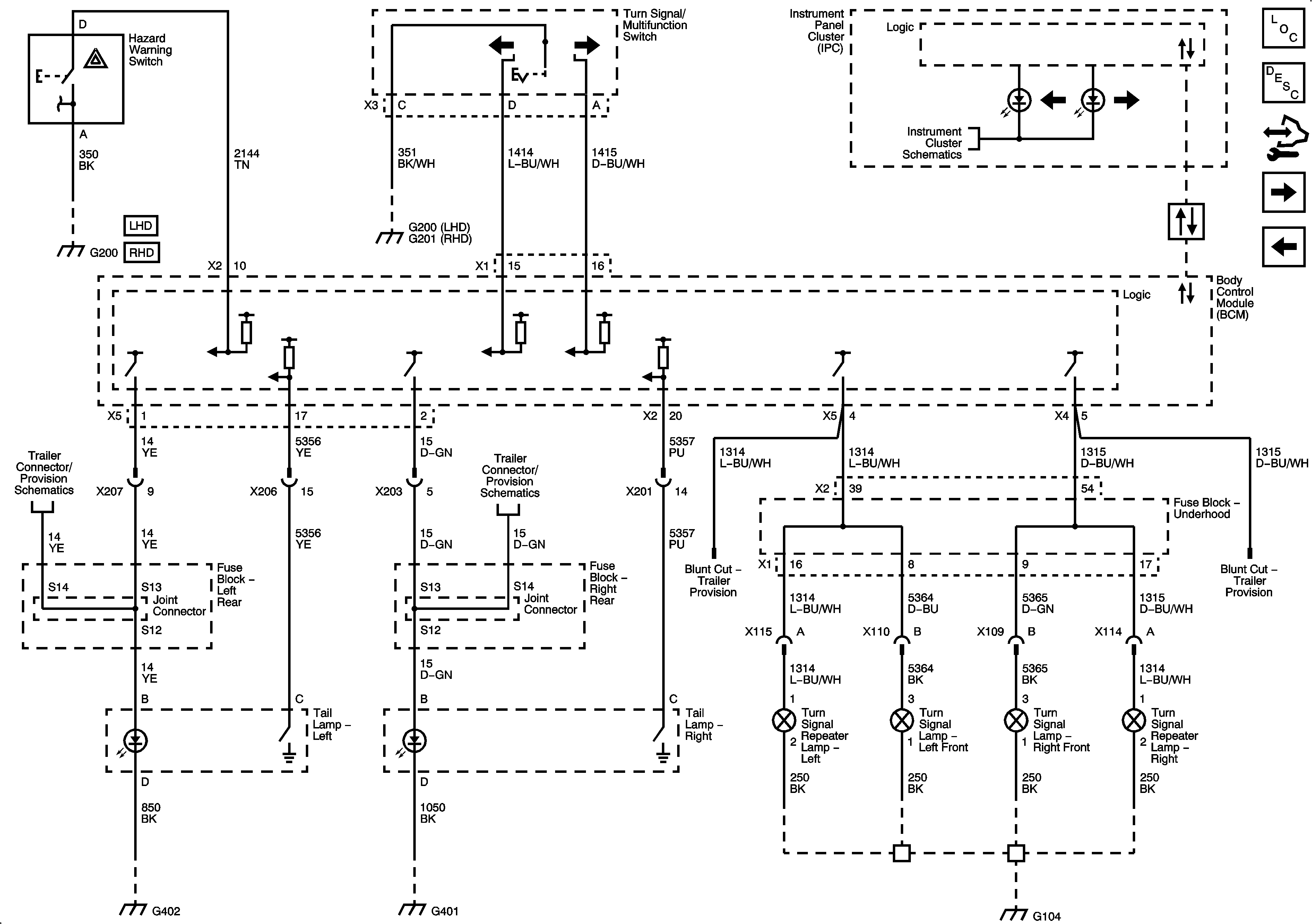
Figure 6:

Hazard and Turn Lamps (EXP)


Object Number: 2062541  Size: FS
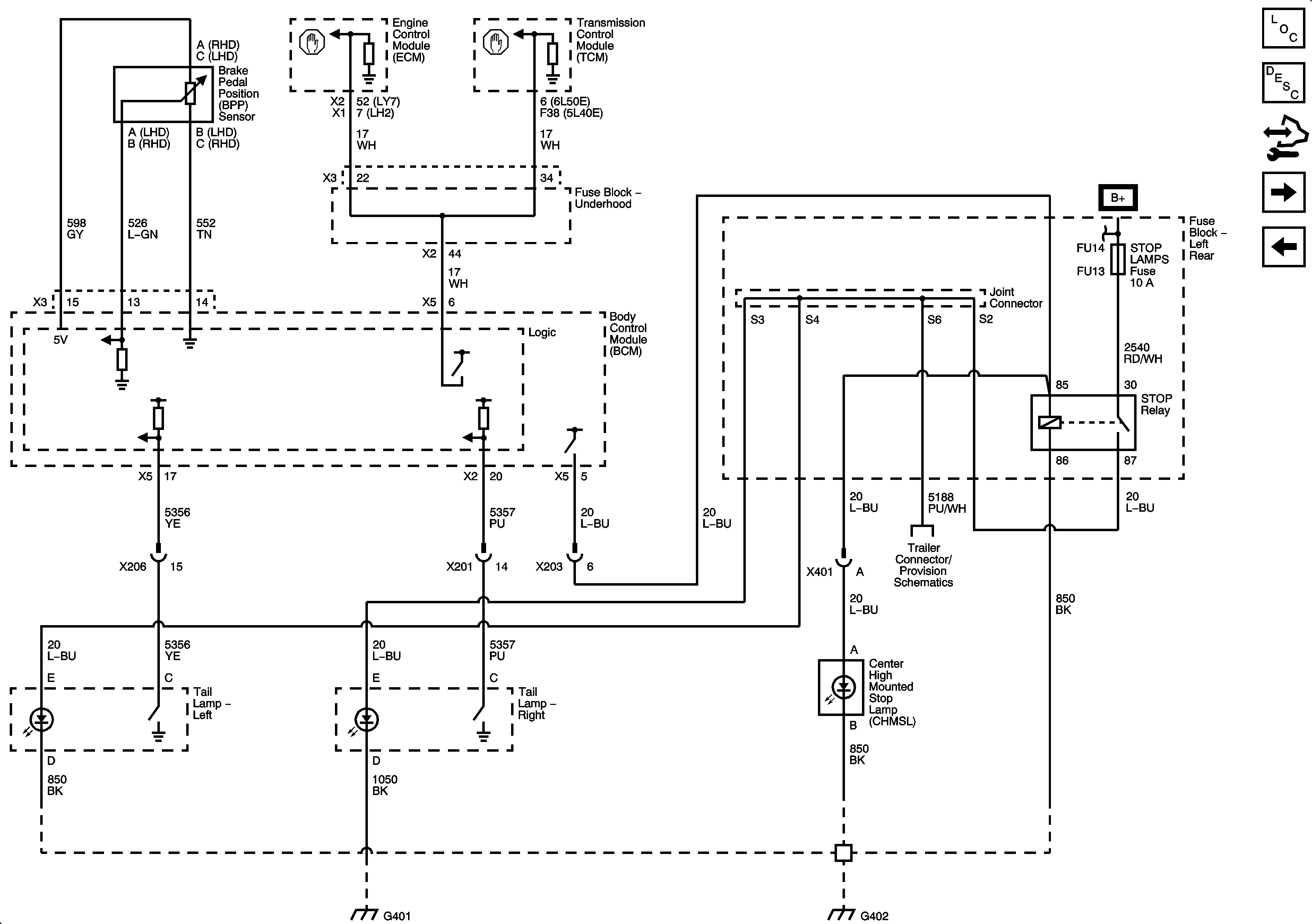
Figure 7:

Stop Lamps (without EXP)


Object Number: 2062543  Size: FS
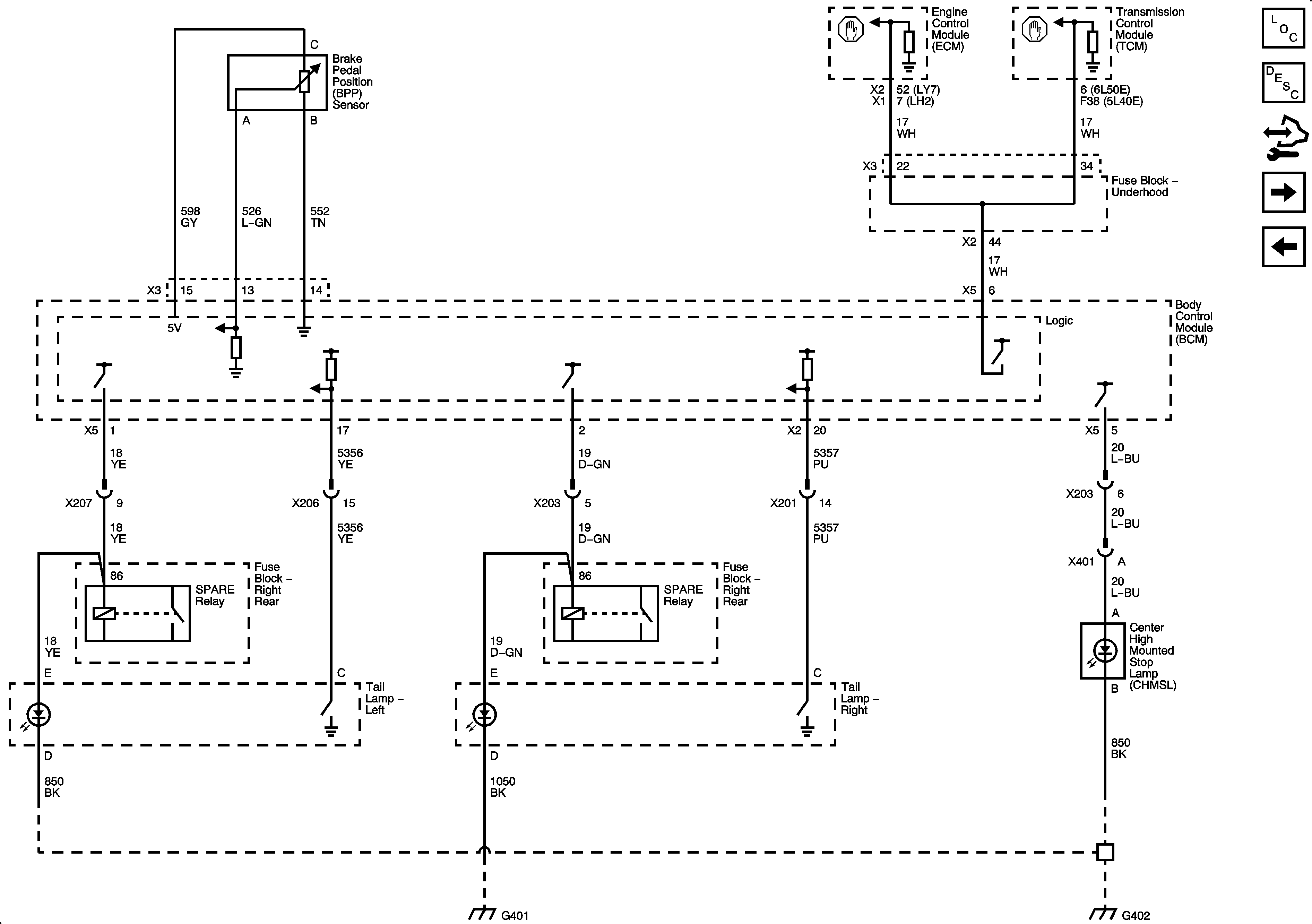
Figure 8:

Stop Lamps (EXP)


Object Number: 2062547  Size: FS
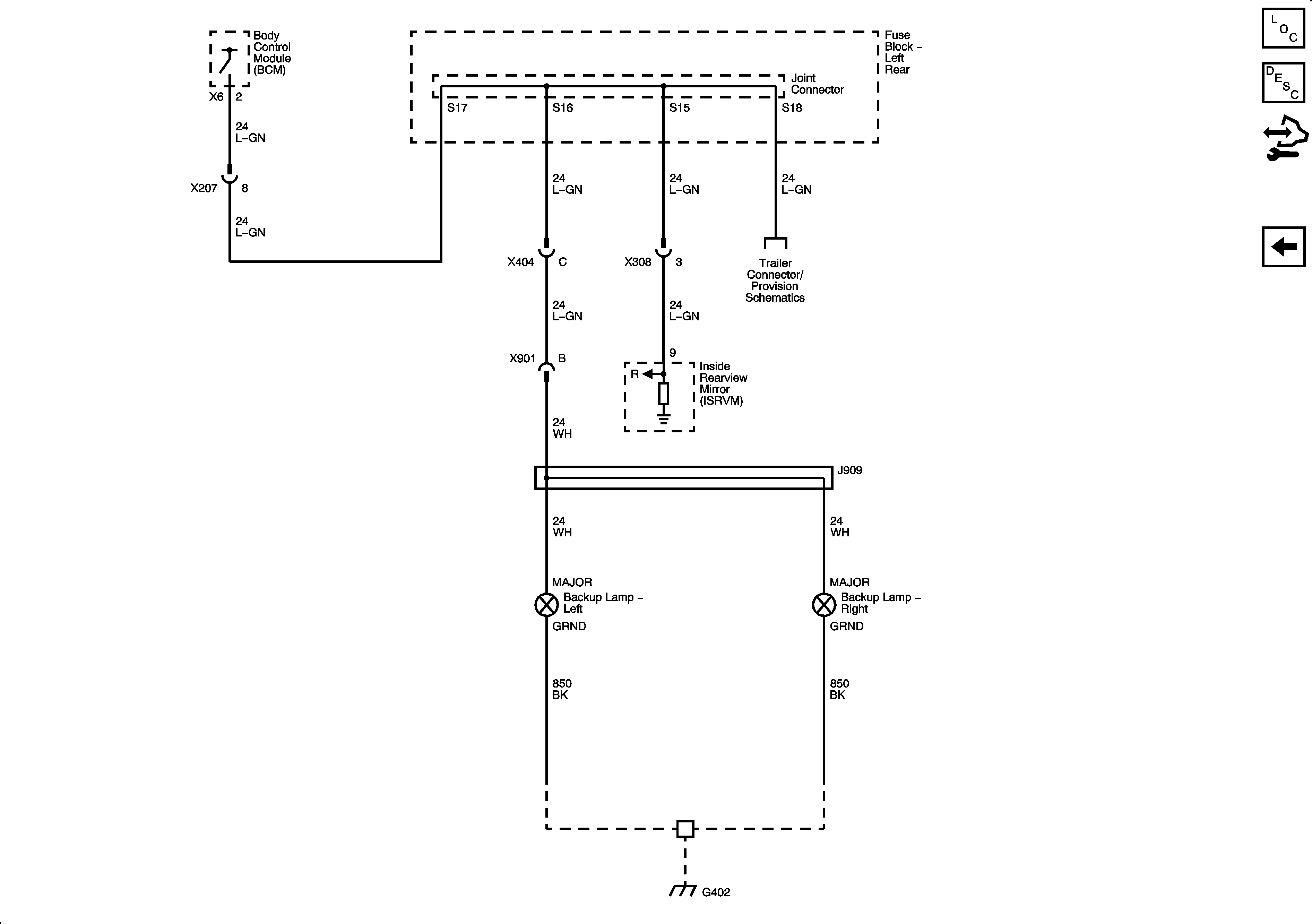
Figure 9:

Backup Lamps


Object Number: 2062552  Size: FS