GM Service Manual Online
For 1990-2009 cars only
Figure 1:

Front Wiper/Washer Controls (LHD)


Object Number: 2062700  Size: FS
Figure 2:

Front Washer/Wiper Controls (RHD)


Object Number: 2062705  Size: FS
Figure 3:

Headlamp Washers (CE4)


Object Number: 2062711  Size: FS
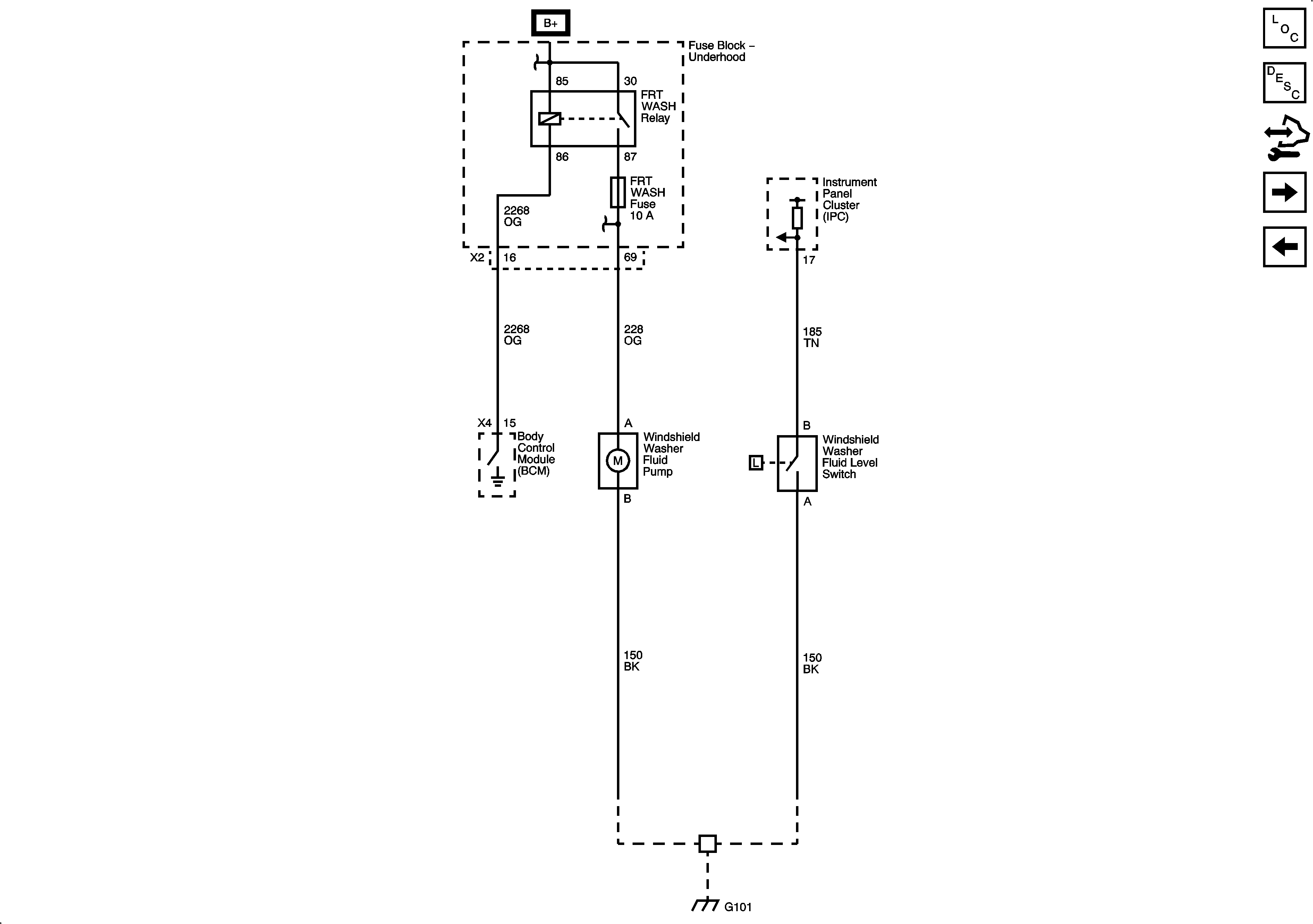
Figure 4:

Windshield Washer Fluid Pump and Washer Fluid Level Switch


Object Number: 2062716  Size: FS
Figure 5:

Heated Washer Nozzles (XA7)


Object Number: 2062723  Size: FS
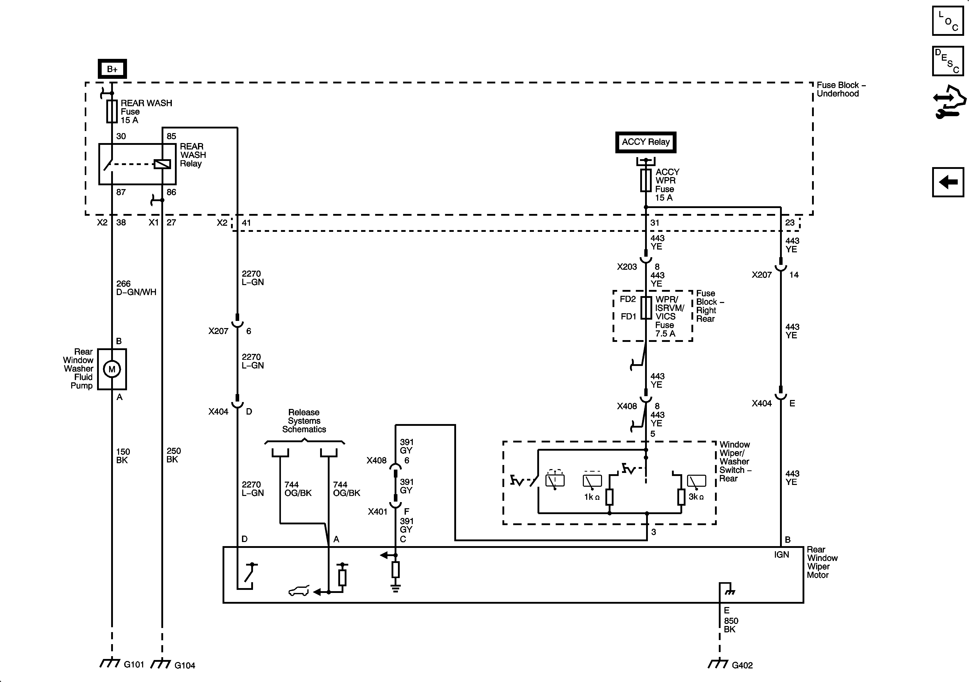
Figure 6:

Rear Wiper/Washer


Object Number: 2062731  Size: FS