GM Service Manual Online
For 1990-2009 cars only
Makes
🢒
Cadillac
🢒
2009
🢒
SRX
🢒
Diagnostic Navigation
🢒
Vehicle Diagnostic Information
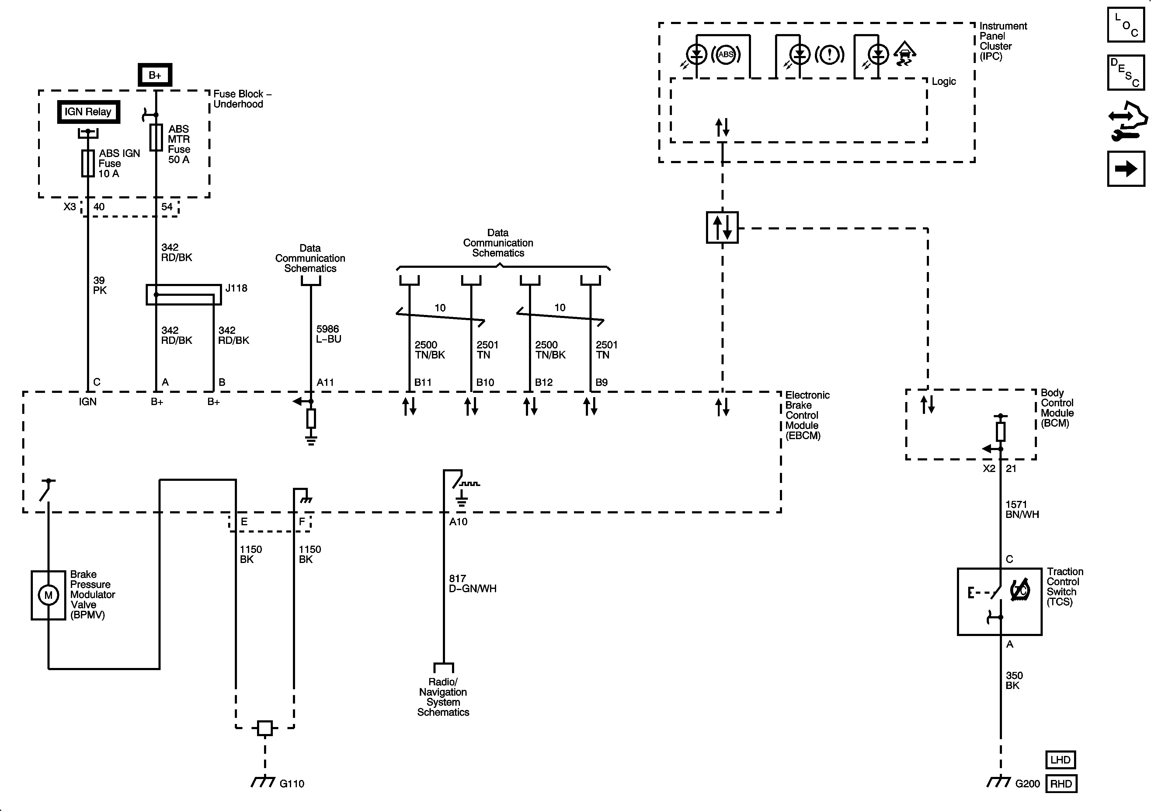
🢒 Antilock Brake System Schematics
Figure
1:
Power, Ground, Serial Data, Indicator, and Traction Control
Figure
2:
Wheel Speed Sensors
Figure
3:
Stability Control System and Brake Fluid Pressure Sensor