GM Service Manual Online
For 1990-2009 cars only

Brake Pedal Assembly Replacement RHD

Removal Procedure


    Object Number: 1857827  Size: SH
  1. Remove the vacuum brake booster. Refer to Power Vacuum Brake Booster Replacement.
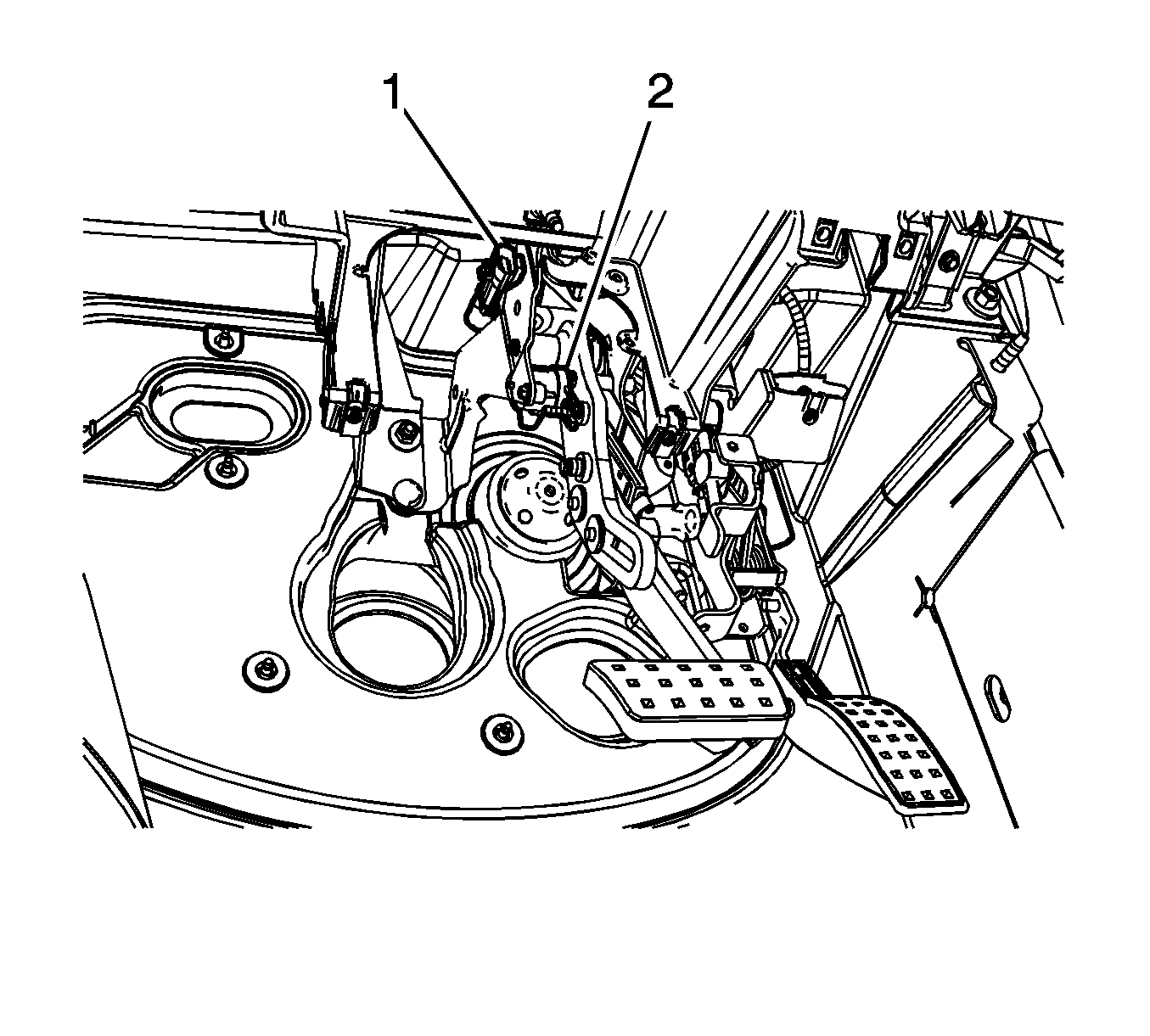
  2. Remove the vacuum brake booster mounting plate nut (1).
  3. Without disconnecting the steering column from the intermediate shaft, lower and support the steering column. Refer to Steering Column Replacement.

  4. Object Number: 1857830  Size: SH
  5. Remove the 2 lower adjustable pedal assembly bracket nuts (1).

  6. Object Number: 1857829  Size: SH
  7. Carefully lower the accelerator pedal and motor assembly to access the connectors.
  8. Disconnect the accelerator pedal linear position sensor electrical connector (1) and release the clip from the brake pedal bracket.
  9. Remove the lower steering column support bracket nut (2).

  10. Object Number: 1857835  Size: SH
  11. Remove the vacuum brake booster mounting plate.

  12. Object Number: 1857839  Size: SH
  13. Carefully compress the brake pedal adjuster actuator cable collar (1) at the motor and pull the cable straight out.

  14. Object Number: 1857831  Size: SH
  15. Remove the 2 upper steering column support bracket nuts (1).
  16. Remove the 2 upper brake pedal assembly nuts (2).

  17. Object Number: 1857837  Size: SH
  18. Remove the steering column support bracket (1).

  19. Object Number: 1857828  Size: SH
  20. Carefully lower the brake pedal assembly to access the electrical connectors.
  21. Disconnect the brake pedal linear position sensor electrical connector (1).
  22. Disconnect the brake pedal position sensor electrical connector (2).

  23. Object Number: 1857840  Size: SH
  24. Remove the adjustable brake pedal assembly.

Installation Procedure

    Note: Ensure the adjustable brake pedal and the adjustable accelerator pedal are synchronized in the full forward, front of vehicle position.

  1. Using a suitable tool, slowly rotate the exposed end of the adjustable brake pedal actuator cable until the brake pedal assembly in the full forward, front of vehicle position. Do not use excessive rotating force on the adjustable brake pedal actuator cable.
  2. Specification
    Do not exceed 0.5 N·m (4.43 lb ft) of rotating force.

  3. Using a square drive tool on the adjustable pedal motor, carefully rotate the adjustable pedal motor until the accelerator pedal is in the full forward, front of vehicle position. Do not use excessive rotating force on the adjustable pedal motor.
  4. Specification
    Do not exceed 0.5 N·m (4.43 lb ft) of rotating force.


    Object Number: 1857840  Size: SH
  5. Install the adjustable brake pedal assembly.

  6. Object Number: 1857828  Size: SH
  7. Connect the brake pedal linear position sensor electrical connector (1).
  8. Connect the brake pedal position sensor electrical connector (2).

  9. Object Number: 1857837  Size: SH
  10. Install the steering column support bracket (1).

  11. Object Number: 1857835  Size: SH
  12. Install the vacuum brake booster mounting plate.
  13. Caution: Refer to Fastener Caution in the Preface section.


    Object Number: 1857831  Size: SH
  14. Install the 2 upper steering column support bracket nuts (1).
  15. Tighten
    Tighten the nuts to 25 N·m (18 lb ft).

  16. Install the 2 upper brake pedal assembly nuts (2).
  17. Tighten
    Tighten the nuts to 25 N·m (18 lb ft).


    Object Number: 1857839  Size: SH
  18. Install the brake pedal adjuster actuator cable (1) to the motor.
  19. Ensure the adjustable brake pedal actuator cable engages the adjustable pedal motor drive fully and the collar is locked into place.


    Object Number: 1857829  Size: SH
  20. Connect the accelerator pedal linear position sensor electrical connector (1) and install the clip to the brake pedal bracket.
  21. Position the accelerator pedal and motor assembly to the vacuum brake booster bracket studs.
  22. Install the lower steering column support bracket nut (2).
  23. Tighten
    Tighten the nut to 25 N·m (18 lb ft).


    Object Number: 1857830  Size: SH
  24. Install the 2 lower adjustable pedal assembly bracket nuts (1).
  25. Tighten
    Tighten the nuts to 25 N·m (18 lb ft).


    Object Number: 1857827  Size: SH
  26. Install the vacuum brake booster mounting plate nut (1).
  27. Tighten
    Tighten the nut to 25 N·m (18 lb ft).

  28. Install the vacuum brake booster. Refer to Power Vacuum Brake Booster Replacement.
  29. Install the steering column. Refer to Steering Column Replacement.
  30. Calibrate the adjustable pedal system. Refer to Adjustable Pedal System Calibration.

Brake Pedal Assembly Replacement LHD

Removal Procedure

  1. Remove the vacuum brake booster. Refer to Power Vacuum Brake Booster Replacement.

  2. Object Number: 1392545  Size: SH
  3. Remove the vacuum brake booster mounting plate mounting nut (1).
  4. Without disconnecting the park brake cable, remove and position the park brake pedal assembly aside. Refer to Parking Brake Lever Pedal Assembly Replacement.
  5. Without disconnecting the steering column from the intermediate shaft, lower and support the steering column. Refer to Steering Column Replacement.

  6. Object Number: 1392598  Size: SH
  7. Disconnect the brake pedal position sensor electrical connector (6).
  8. Disconnect the electrical connector (4) from the adjustable brake pedal motor.
  9. Disconnect the brake pedal linear position sensor electrical connector (1).
  10. Disconnect the adjustable accelerator pedal wiring harness (2) from the adjustable brake pedal bracket.

  11. Object Number: 1392547  Size: SH
  12. Remove the 3 lower adjustable pedal assembly bracket nuts (1).

  13. Object Number: 1392549  Size: SH
  14. Remove the 3  upper adjustable brake pedal assembly bracket nuts (1).
  15. Remove the 2 upper steering column support bracket nuts (2).

  16. Object Number: 1392551  Size: SH
  17. Remove the vacuum brake booster mounting plate (1).

  18. Object Number: 1392552  Size: SH
  19. Remove the steering column support bracket (1).

  20. Object Number: 1203979  Size: SH
  21. Carefully squeeze the collar of the adjustable accelerator pedal cable and disconnect the accelerator pedal cable from the adjustable brake pedal motor.
  22. Remove the brake pedal assembly from the vehicle.

Installation Procedure

    Note: Ensure the adjustable brake pedal and the adjustable accelerator pedal are synchronized in the full forward, front of vehicle position.

  1. Using a suitable tool, slowly rotate the exposed end of the adjustable accelerator pedal actuator cable. Do not use excessive rotating force on the adjustable accelerator actuator cable.
  2. Specification
    Do not exceed 0.5 N·m (4.43 lb in) of rotating force.

  3. Using a square drive tool on the adjustable pedal motor, carefully rotate the adjustable pedal motor until the brake pedal is in the full forward, front of vehicle position. Do not use excessive rotating force on the adjustable pedal motor.
  4. Specification
    Do not exceed 0.5 N·m (4.43 lb in) of rotating force.

  5. Install the adjustable brake pedal assembly to the vehicle.

  6. Object Number: 1392598  Size: SH
  7. Install the adjustable accelerator pedal cable (5) to the motor.
  8. Ensure the adjustable accelerator pedal cable engages the adjustable pedal motor drive fully and the collar is locked into place.


    Object Number: 1392552  Size: SH
  9. Install the steering column support bracket (1).

  10. Object Number: 1392551  Size: SH
  11. Install the vacuum brake booster mounting plate (1).
  12. Caution: Refer to Fastener Caution in the Preface section.


    Object Number: 1392547  Size: SH
  13. Install the 3 lower adjustable pedal assembly bracket nuts (1).
  14. Tighten
    Tighten the nuts to 25 N·m (18 lb ft).


    Object Number: 1392549  Size: SH
  15. Install the 3 upper adjustable pedal assembly bracket nuts (1).
  16. Tighten
    Tighten the nuts to 25 N·m (18 lb ft).


    Object Number: 1392545  Size: SH
  17. Install the vacuum brake booster mounting plate nut (1).
  18. Tighten
    Tighten the nut to 25 N·m (18 lb ft).


    Object Number: 1392549  Size: SH
  19. Install the 2 upper steering column support bracket nuts (2).
  20. Tighten
    Tighten the nuts to 25 N·m (18 lb ft).


    Object Number: 1392598  Size: SH
  21. Connect the brake pedal linear position sensor electrical connector (1).
  22. Connect the accelerator pedal linear position sensor electrical connector clip (2) to the adjustable pedal bracket.
  23. Connect the electrical connector (4) to the adjustable brake pedal motor.
  24. Connect the brake pedal position sensor electrical connector (6).
  25. Install the steering column. Refer to Steering Column Replacement.
  26. Install the park brake pedal assembly. Refer to Parking Brake Lever Pedal Assembly Replacement.
  27. Install the vacuum brake booster. Refer to Power Vacuum Brake Booster Replacement.
  28. Calibrate the adjustable pedal system. Refer to Adjustable Pedal System Calibration.