GM Service Manual Online
For 1990-2009 cars only
Figure 1:

Interior Lamps Dimming Controls


Object Number: 2062560  Size: FS
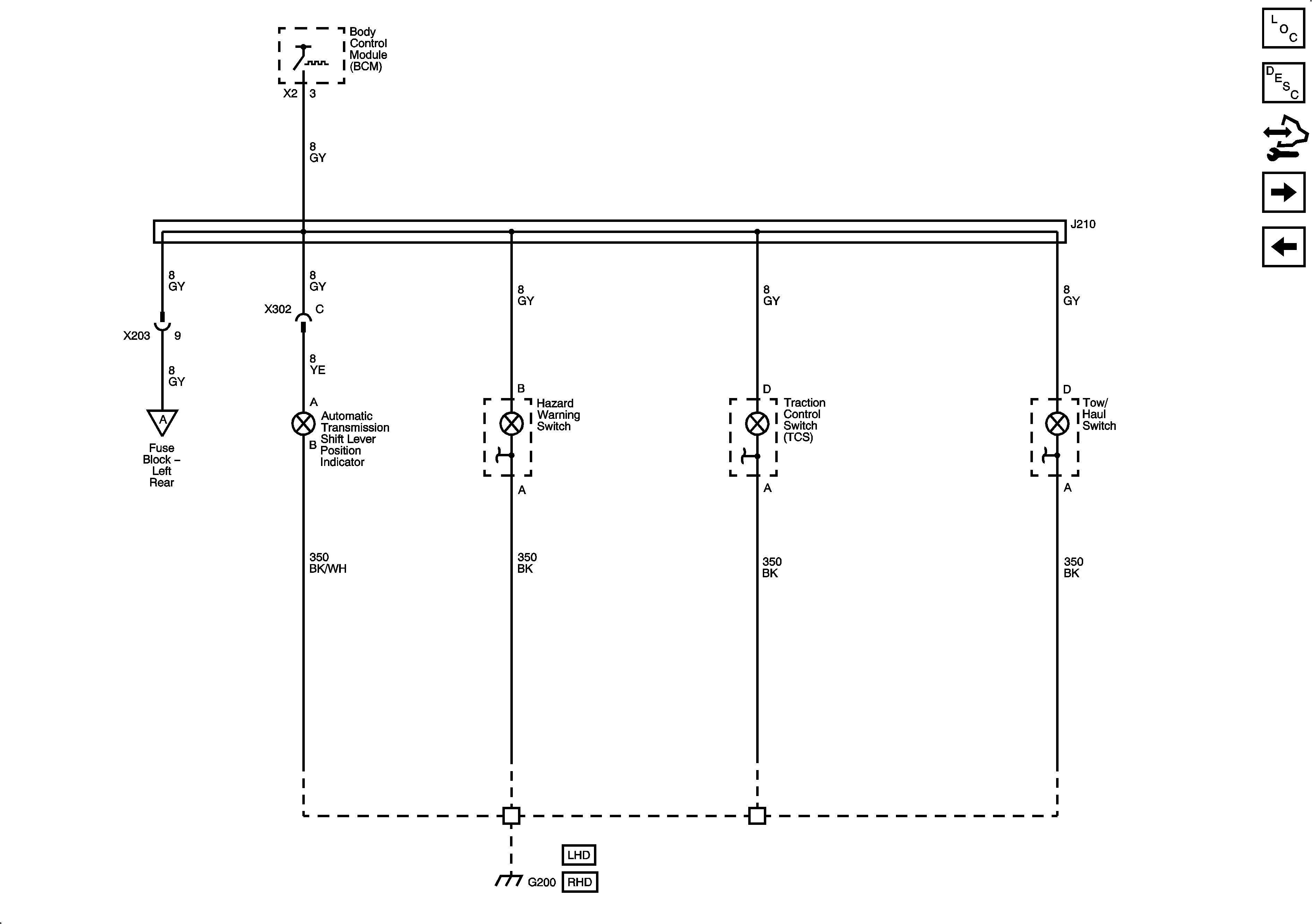
Figure 2:

Dimming Lamps (1 of 3)


Object Number: 2062563  Size: FS
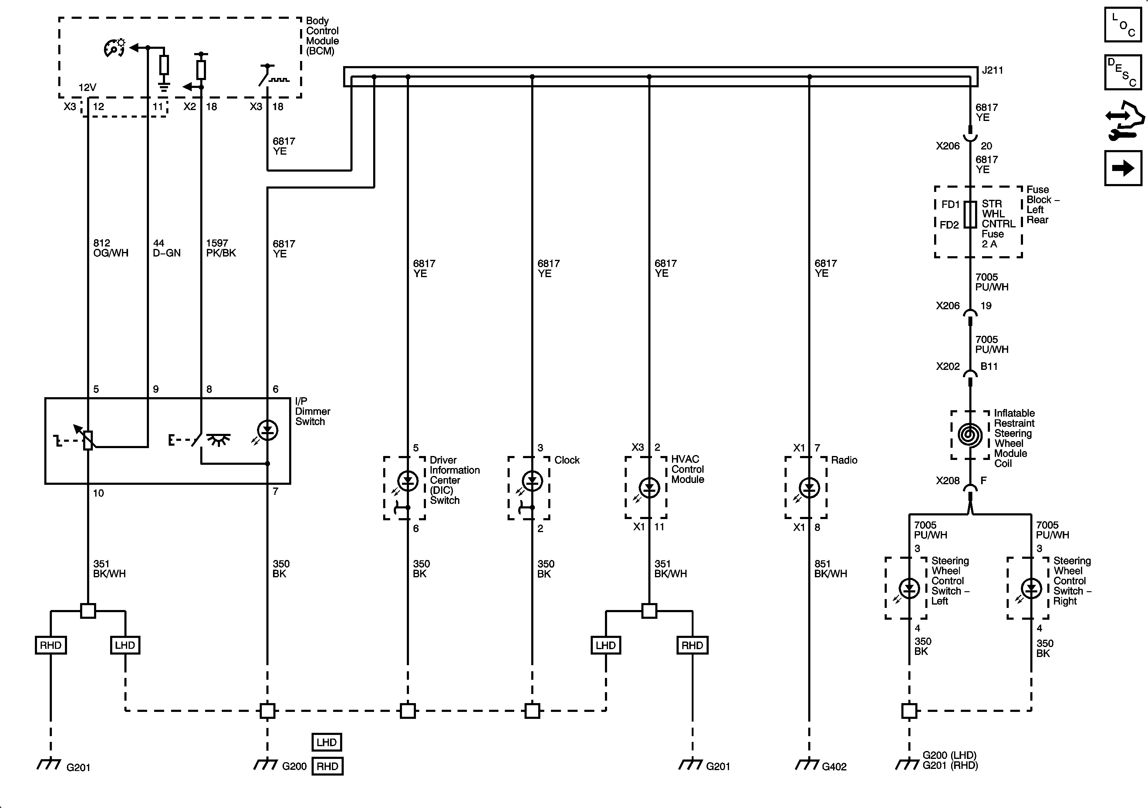
Figure 3:

Dimming Lamps (2 of 3)


Object Number: 2062589  Size: FS
Figure 4:

Dimming Lamps (3 of 3)


Object Number: 2062594  Size: FS