GM Service Manual Online
For 1990-2009 cars only
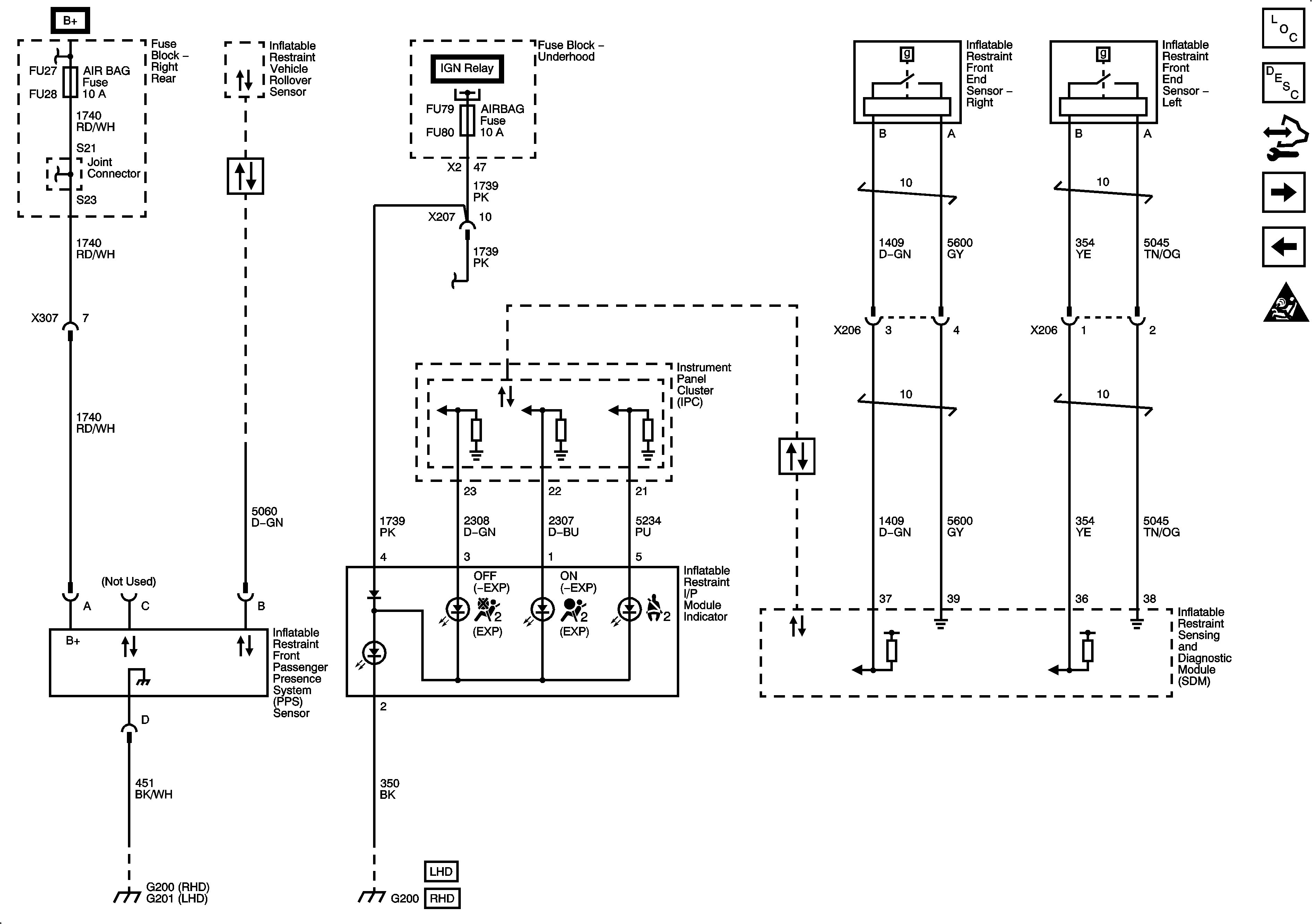
Figure 1:

Power, Ground, Serial Data, Indicator, and Rollover Sensor


Object Number: 2062766  Size: FS
Figure 2:

Passenger Presense System and Front End Sensors


Object Number: 2062770  Size: FS
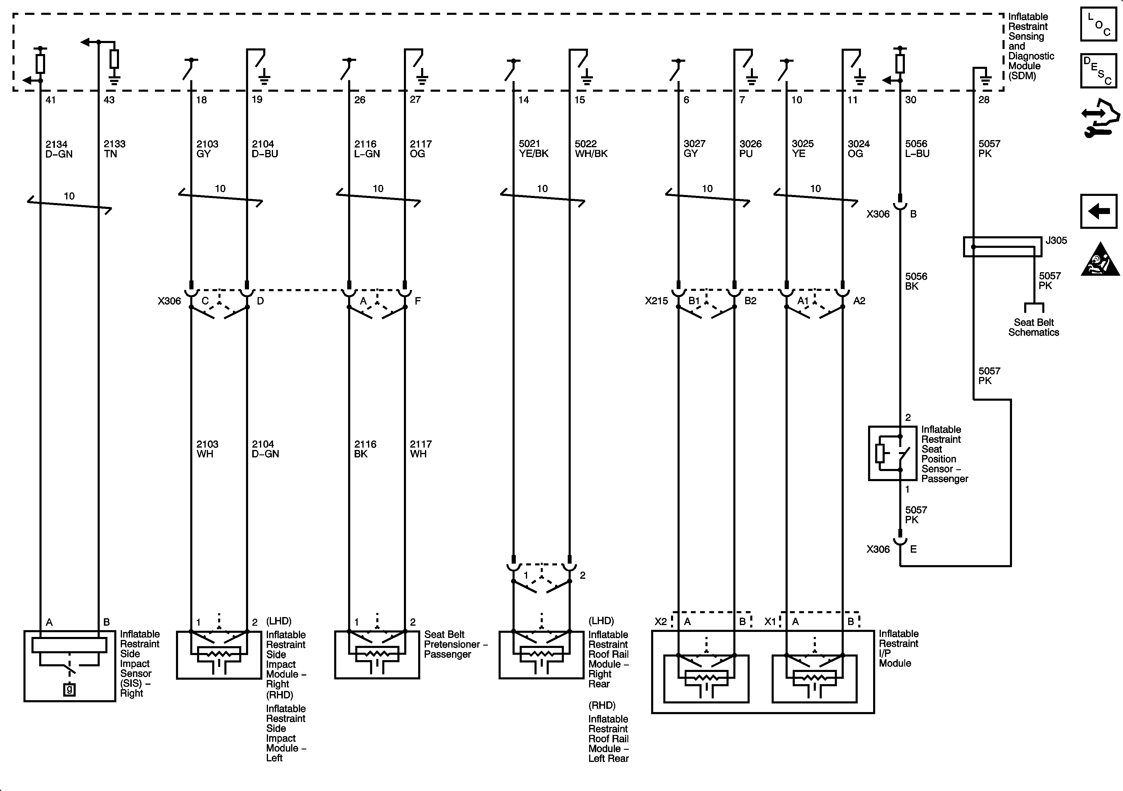
Figure 3:

Driver Side Modules and Sensors


Object Number: 2062775  Size: FS
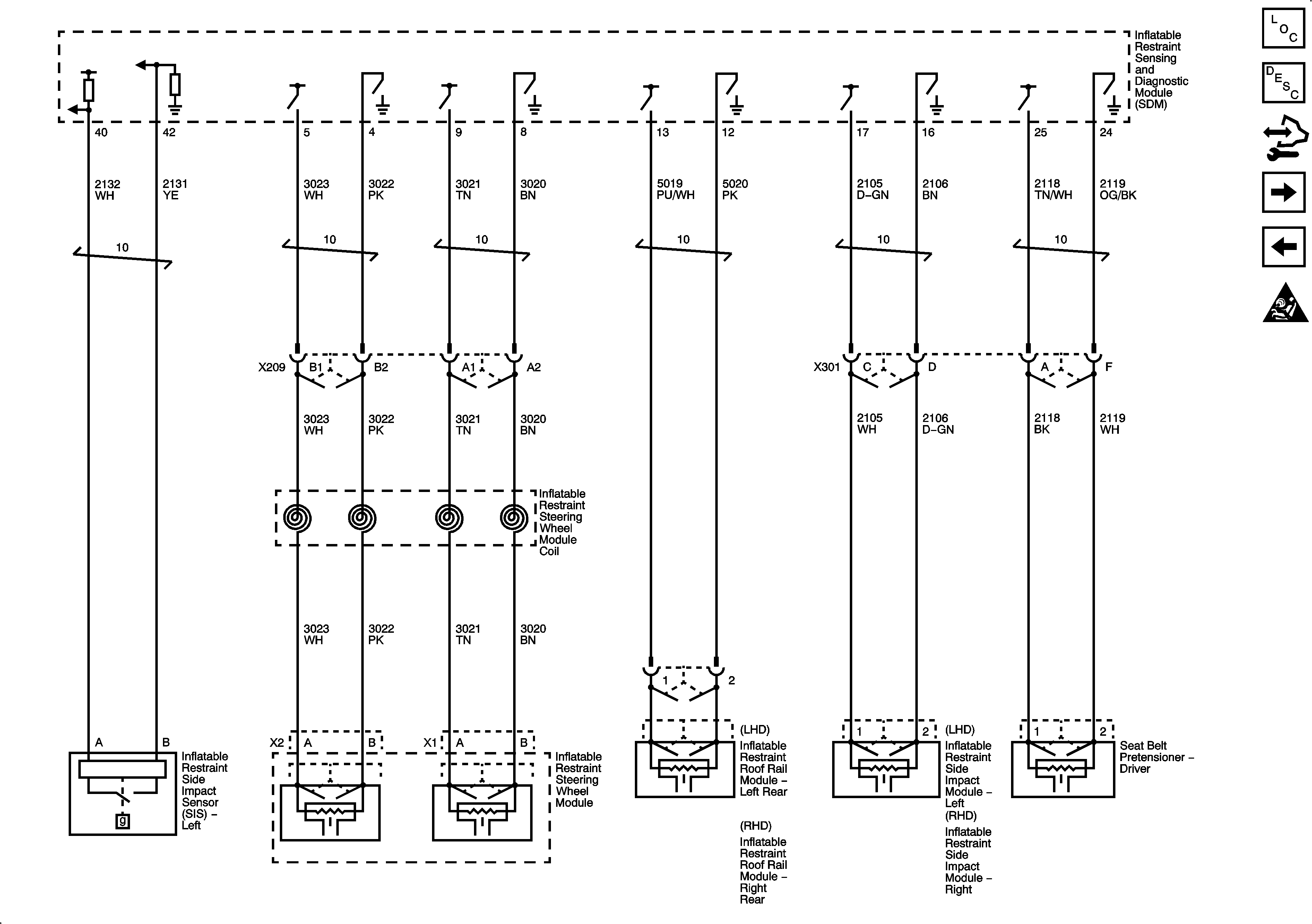
Figure 4:

Passenger Side Modules and Sensors


Object Number: 2062780  Size: FS