GM Service Manual Online
For 1990-2009 cars only
Figure 1:

Power Seat


Object Number: 1415668  Size: FS
Master Electrical Component List
Power Seats System Description and Operation w/o A45
Control Module References
Lumbar Switch and Motors
Fuse Block Left Rear: Seats Circuit Breaker
G307
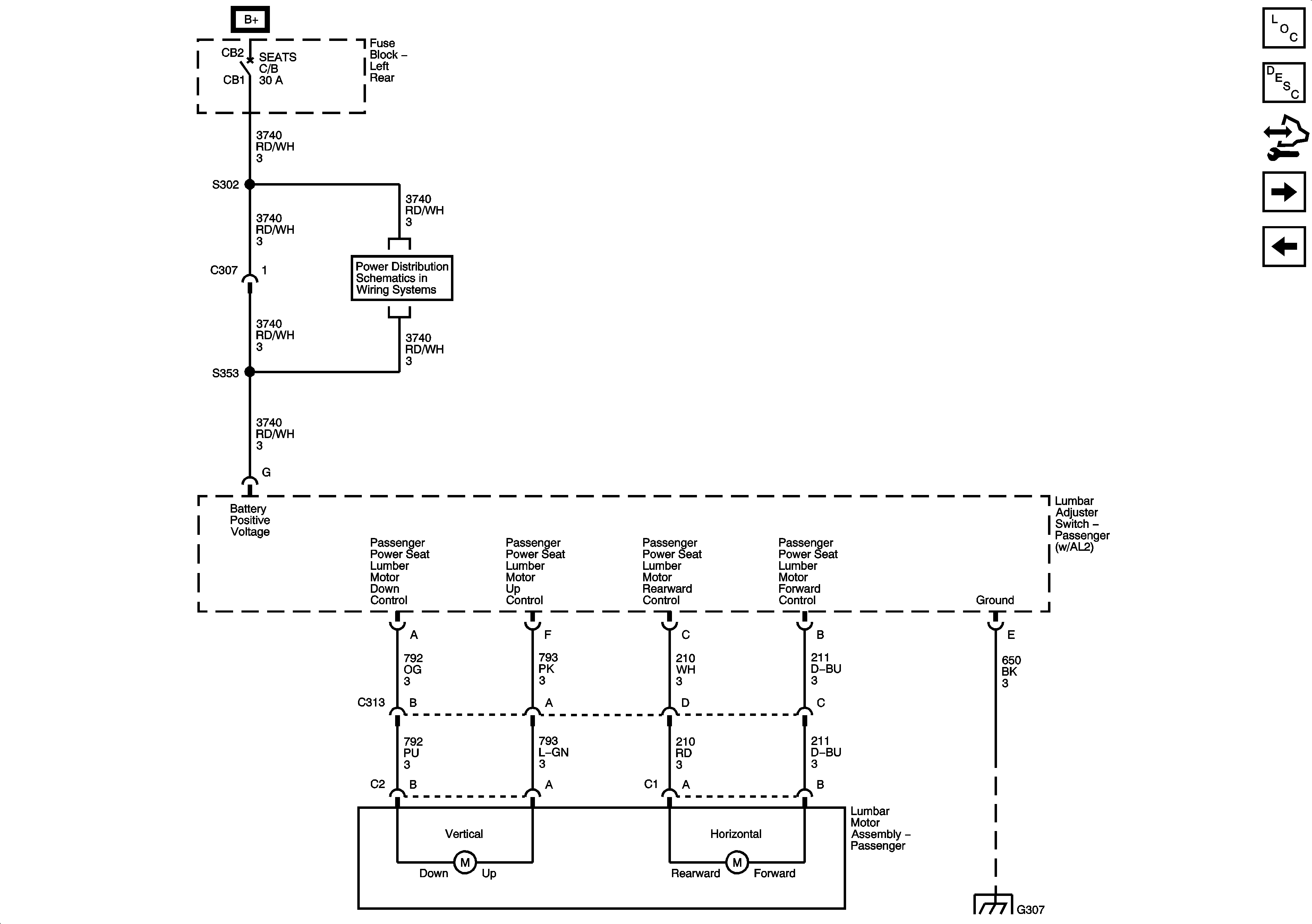
Figure 2:

Lumbar Switch and Motors


Object Number: 1415677  Size: FS
Master Electrical Component List
Lumbar Support Description and Operation w/o A45
Control Module References
Heated Seat
Power Seat
Fuse Block Left Rear: Seats Circuit Breaker
G307
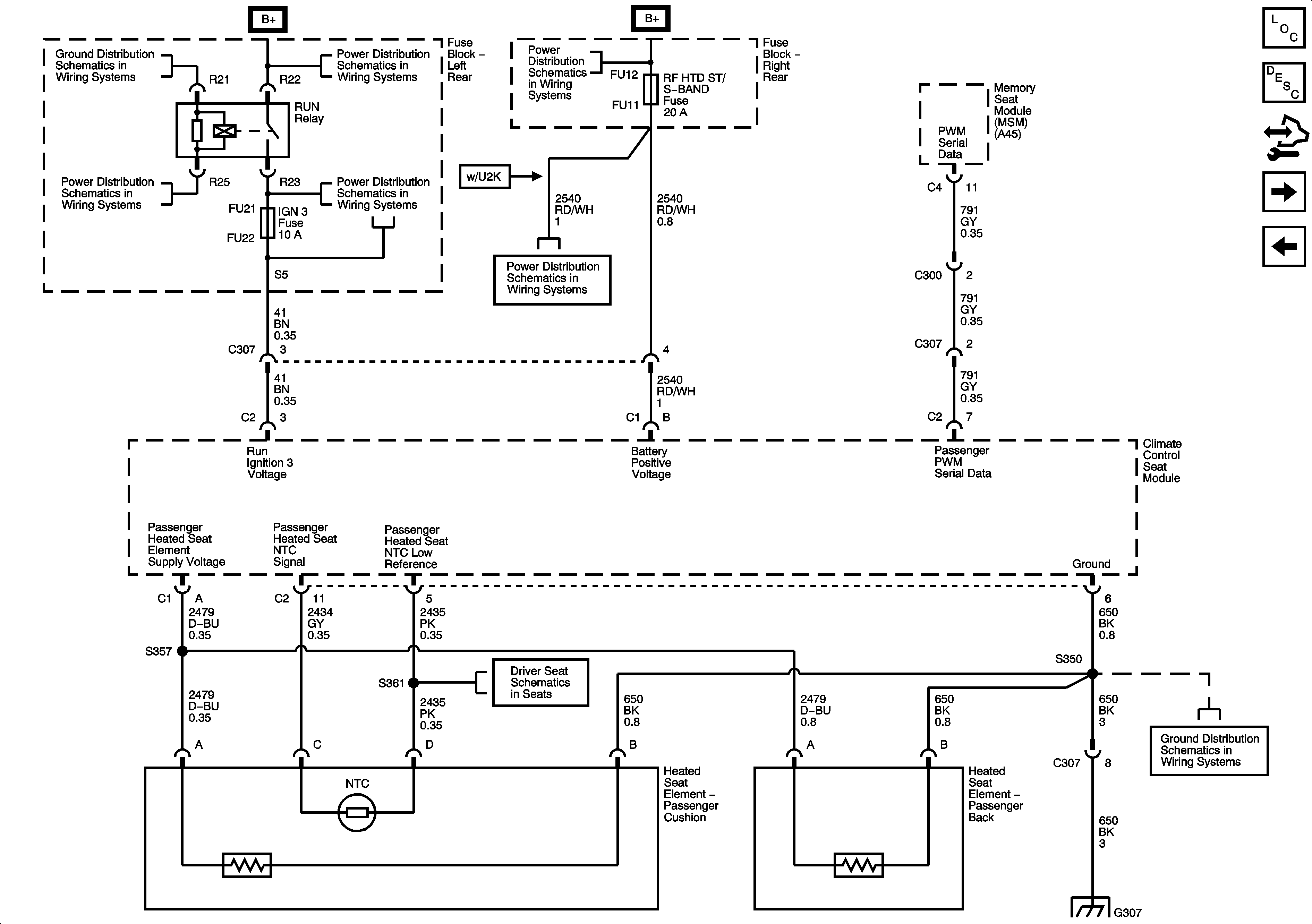
Figure 3:

Heated Seat


Object Number: 1415670  Size: FS
Master Electrical Component List
Heated/Vented Seat Description and Operation
Control Module References
Heated/Cooled Seat
Lumbar Switch and Motors
G402 (1 of 2)
Fuse Block Left Rear Bussing
Fuse Block - Right Rear Bussing
Fuse Block Left Rear: IGN 3 Relay; IGN 3, Rear Heated Seat, Memory, Airbag and Rear Shelf Speaker Fuses
Fuse Block Left Rear Bussing
Fuse Block Right Rear: Radio/Onstar, RT Turn Signal, Canister Vent and RF Heated /Vented Seat Fuses; Window Motors Circuit Breaker
Heated Seat
G307
G307
Figure 4:

Heated/Cooled Seat


Object Number: 1415680  Size: FS
Master Electrical Component List
Heated/Vented Seat Description and Operation
Control Module References
Heated Seat
G402 (1 of 2)
Fuse Block Left Rear: IGN 3 Relay; IGN 3, Rear Heated Seat, Memory, Airbag and Rear Shelf Speaker Fuses
Fuse Block Left Rear Bussing
Fuse Block - Right Rear Bussing
Fuse Block Right Rear: Radio/Onstar, RT Turn Signal, Canister Vent and RF Heated /Vented Seat Fuses; Window Motors Circuit Breaker
Heated Seat
G307
G307