GM Service Manual Online
For 1990-2009 cars only
Makes
🢒
Cadillac
🢒
2005
🢒
STS
🢒
Vehicle Control Systems
🢒
Vehicle DTC Information
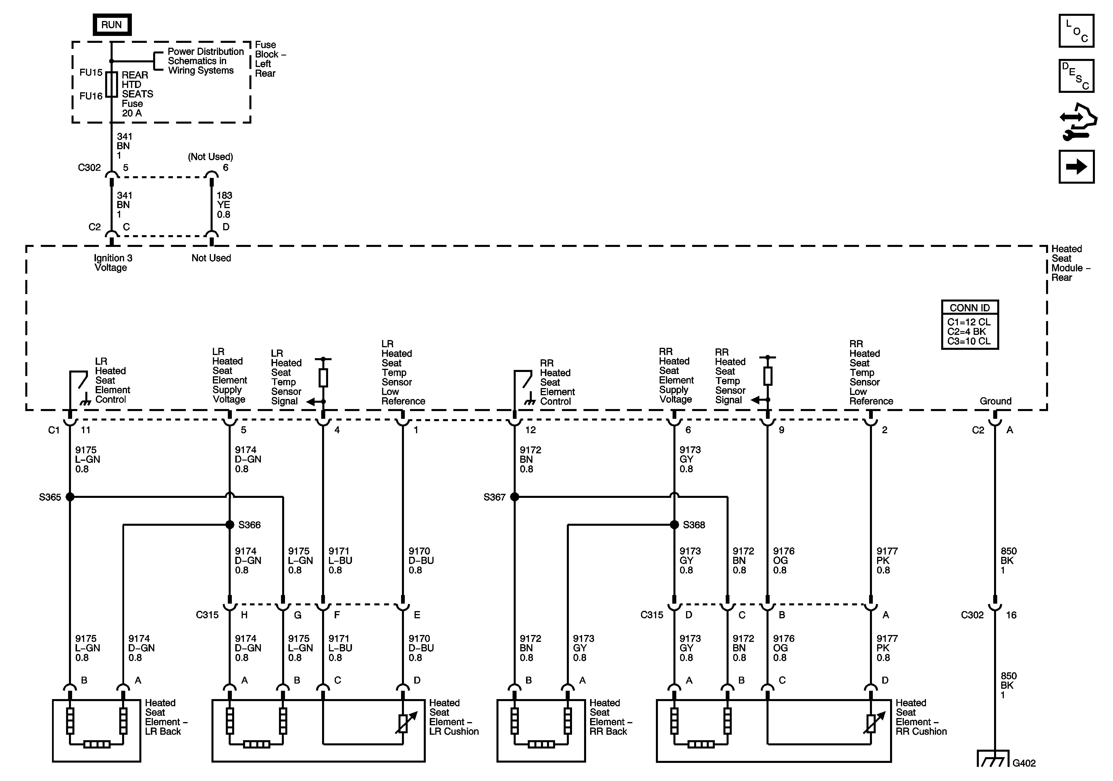
🢒 Rear Seat Schematics
Figure
1:
Rear Heated Seat Elements
Master Electrical Component List
Rear Heated Seats Description and Operation
Control Module References
Rear Heated Seat Controls
Fuse Block Left Rear Bussing
G402 (1 of 2)
Figure
2:
Rear Heated Seat Controls
Master Electrical Component List
Rear Heated Seats Description and Operation
Control Module References
Rear Seat Schematics