GM Service Manual Online
For 1990-2009 cars only
Figure 1:

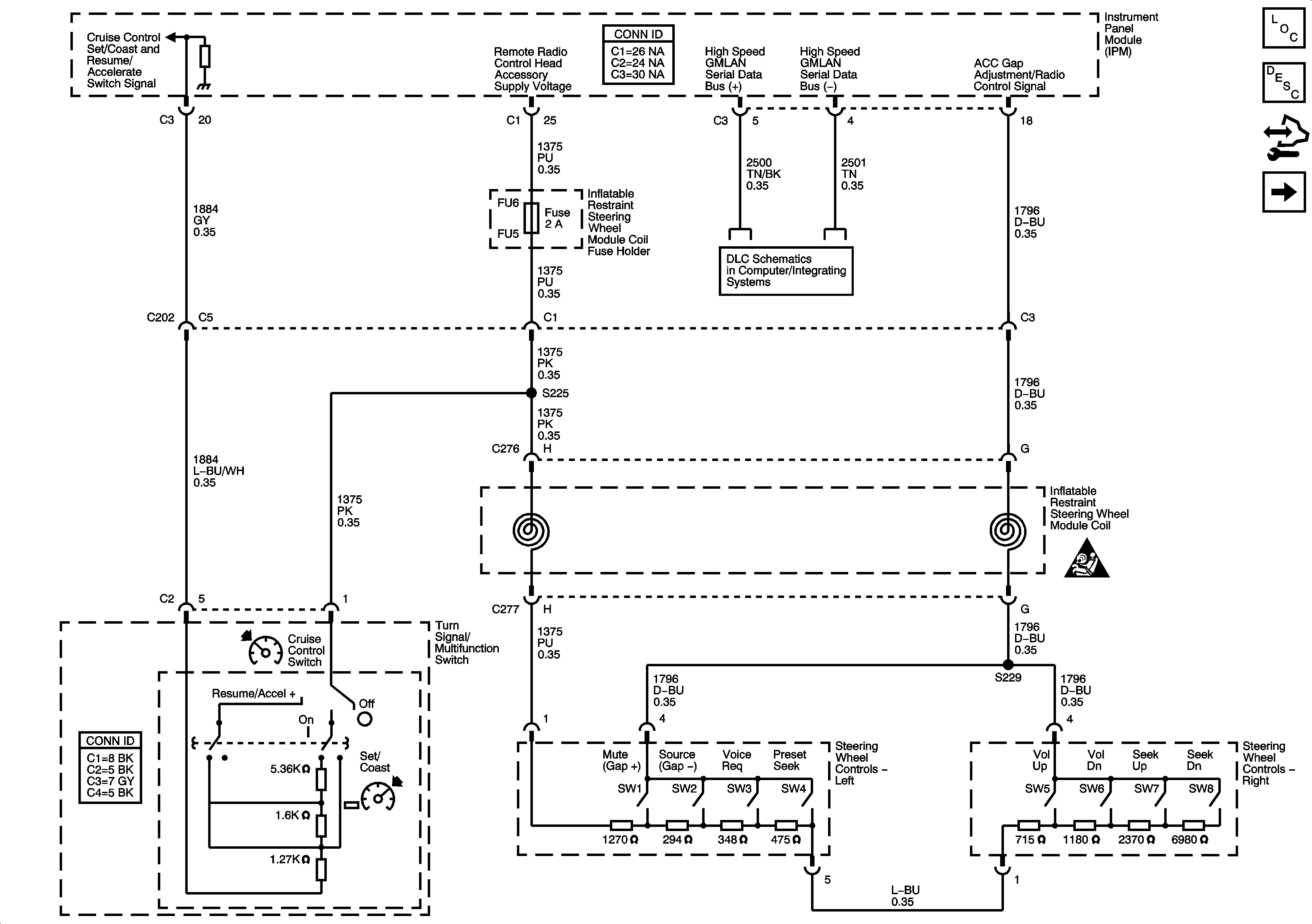
Cruise Control Switch, Steering Wheel Controls


Object Number: 1530745  Size: FS
Master Electrical Component List
Cruise Control Description and Operation Conventional Cruise Control
Control Module References
Distance Sensing Cruise Control Module - K59
GMLAN High Speed - Domestic w/UE1
Cruise Control Schematic Icons
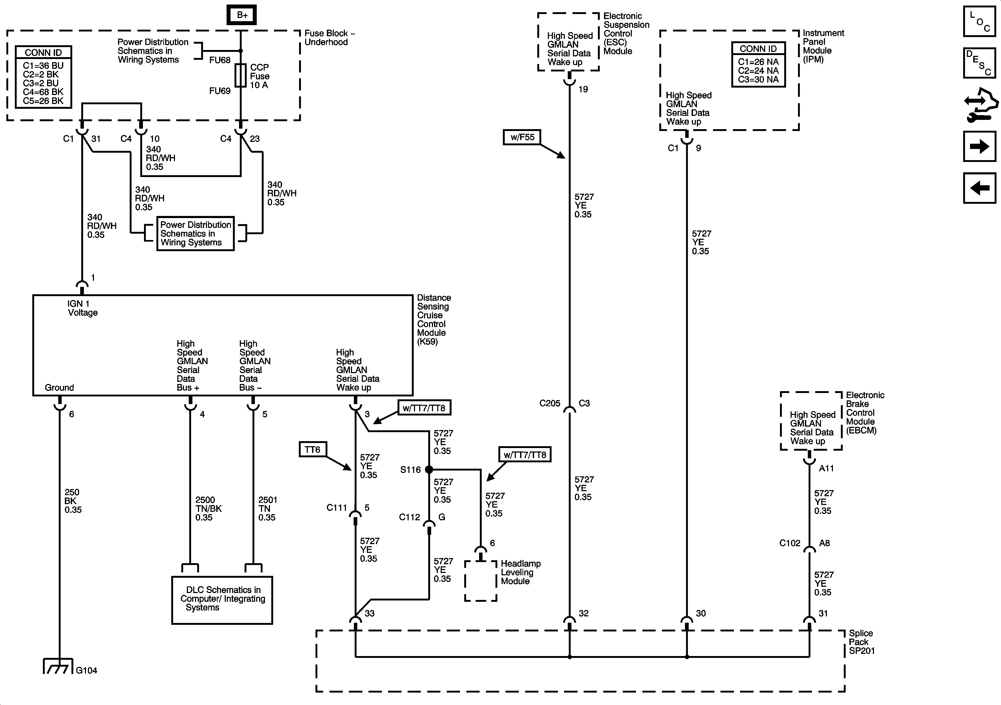
Figure 2:

Distance Sensing Cruise Control Module - K59


Object Number: 1388663  Size: FS
Master Electrical Component List
Cruise Control Description and Operation Adaptive Cruise Control
Control Module References
Adaptive Cruise Steering Wheel Controls, DLC
Cruise Control Switch
Fuse Block Underhood Bussing
Fuse Block-Underhood Fuses/Relay: IPM/ALDL, Auto Headlamp Dimming, CCP, ECM/TCM, WPR MOD, WPR SW/VICS and Rain Sensor/HDLP Wash Fuses. Accessory Relay
GMLAN High Speed - Domestic w/UE1,K59,F55
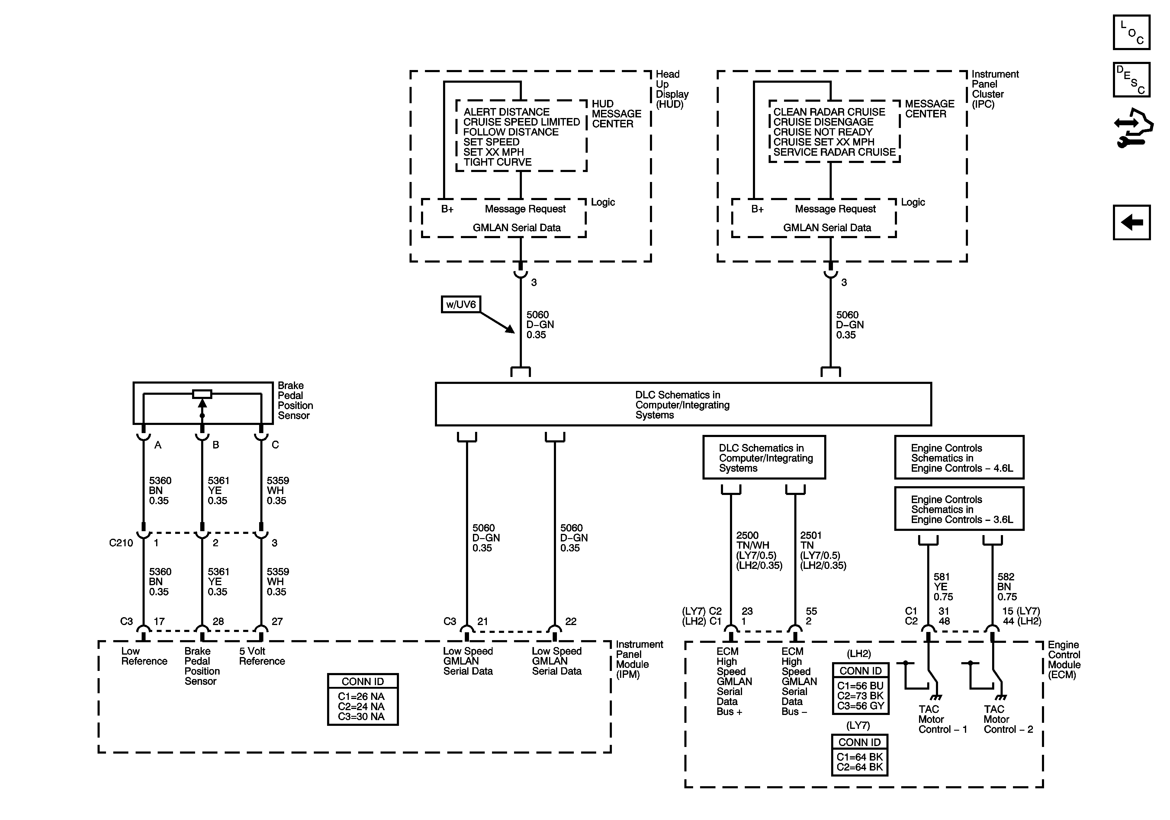
Figure 3:

DLC, Brake Pedal Position Sensor


Object Number: 1530746  Size: FS
Master Electrical Component List
Cruise Control Description and Operation Adaptive Cruise Control
Control Module References
Distance Sensing Cruise Control Module - K59
GMLAN Low Speed 2 of 2
GMLAN High Speed - Domestic w/UE1
Engine Data Sensors - Electronic Throttle Controls
Engine Data Sensors - Electronic Throttle Controls