GM Service Manual Online
For 1990-2009 cars only

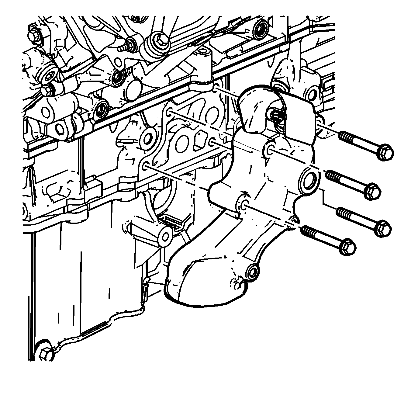
Removal Procedure


    Object Number: 1346212  Size: SH
  1. Remove the oil filter adapter. Refer to Oil Filter Adapter Replacement .
  2. Remove the oil pressure sensor and/or switch from the oil filter adapter.
  3. Clean and inspect the oil filter adapter. Refer to Oil Filter Adapter Cleaning and Inspection .

Installation Procedure


    Object Number: 1261656  Size: SH
  1. Install a new O-ring on the oil pressure switch.
  2. Notice: Refer to Component Fastener Tightening Notice in the Preface section.

  3. Install the oil pressure switch to the oil filter adapter.
  4. Tighten
    Tighten the oil pressure sensor and/or switch to 16 N·m (12 lb ft).


    Object Number: 1346212  Size: SH
  5. Install the oil filter adapter. Refer to Oil Filter Adapter Replacement .