GM Service Manual Online
For 1990-2009 cars only
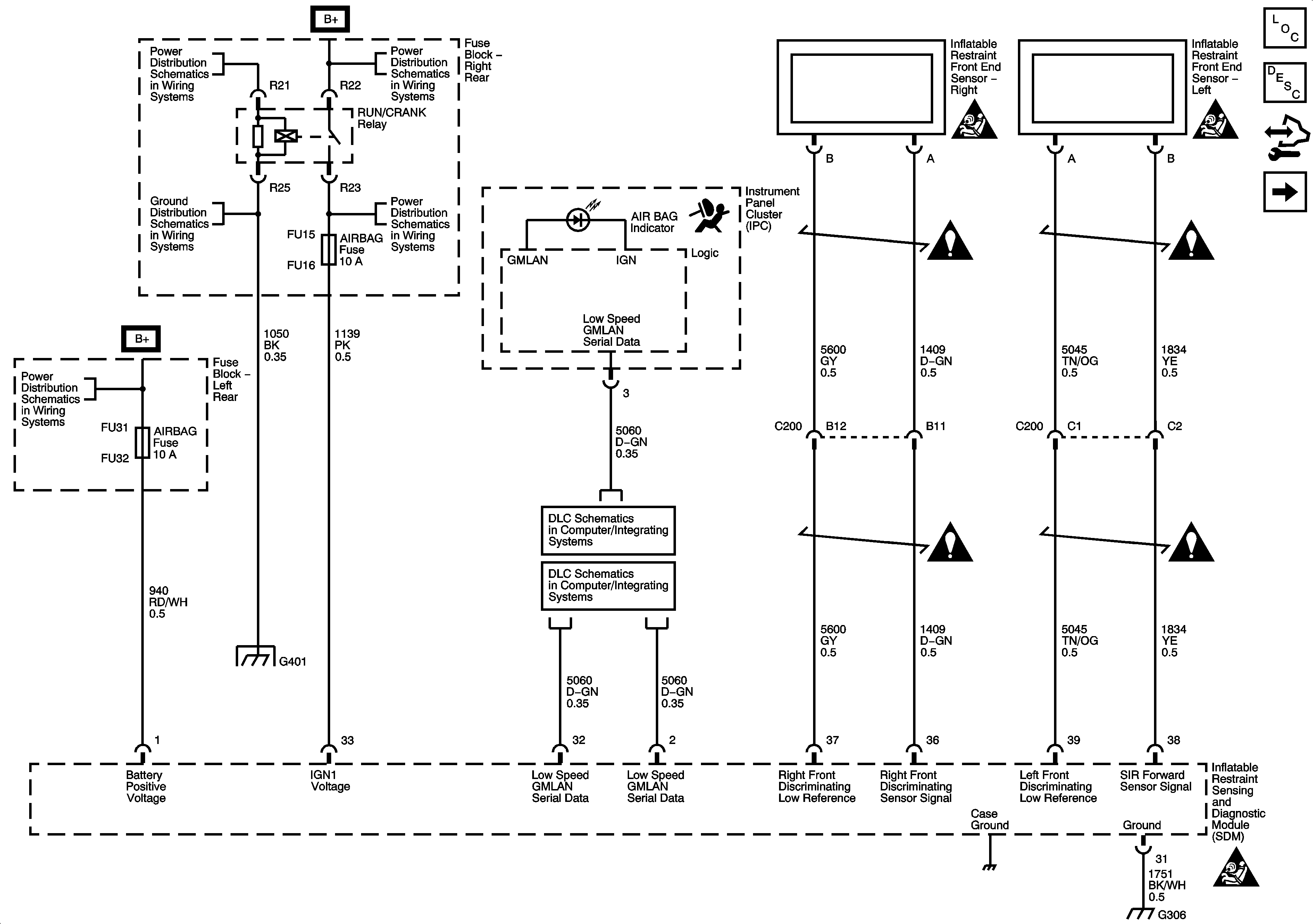
Figure 1:

Power, Ground, DLC, Indicator and Front End Sensors


Object Number: 1396300  Size: FS
Master Electrical Component List
SIR System Description and Operation
Control Module References
Left Side Modules and Sensors
Ignition Mode Switch
Fuse Block - Right Rear Bussing
G401 (1 of 2)
Fuse Block - Right Rear Bussing
Fuse Block Left Rear Bussing
GMLAN Low Speed 2 of 2
GMLAN Low Speed 1 of 2
SIR Schematic Icons
SIR Schematic Icons
SIR Schematic Icons
SIR Schematic Icons
SIR Schematic Icons
SIR Schematic Icons
SIR Schematic Icons
Figure 2:

Left Side Modules and Sensors


Object Number: 1396304  Size: FS
Master Electrical Component List
SIR System Description and Operation
Control Module References
Right Side Modules and Sensors
SDM Power, Ground, DLC, Indicator and Front End Sensors
SIR Schematic Icons
SIR Schematic Icons
SIR Schematic Icons
SIR Schematic Icons
SIR Schematic Icons
SIR Schematic Icons
SIR Schematic Icons
SIR Schematic Icons
SIR Schematic Icons
Figure 3:

Right Side Modules and Sensors


Object Number: 1396306  Size: FS
Master Electrical Component List
SIR System Description and Operation
Control Module References
Left Side Modules and Sensors
SIR Schematic Icons
SIR Schematic Icons
SIR Schematic Icons
SIR Schematic Icons
SIR Schematic Icons
SIR Schematic Icons