GM Service Manual Online
For 1990-2009 cars only
Makes
🢒
Cadillac
🢒
2005
🢒
STS
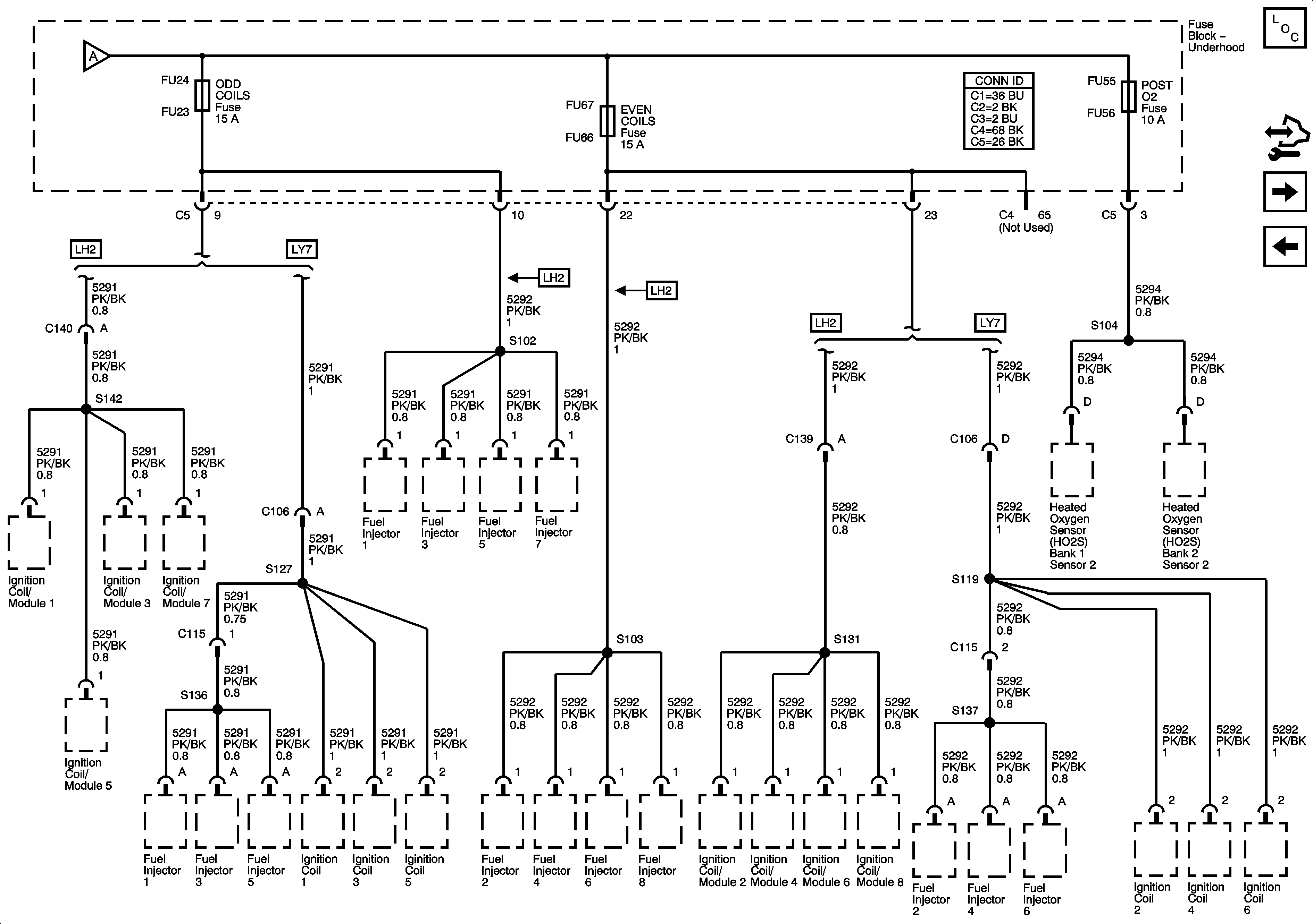
🢒 Fuse Block Underhood:Odd INJ/COILS, Even INJ/COILS and POST 02 Fuses
Fuse Block Underhood:Odd INJ/COILS, Even INJ/COILS and POST 02 Fuses
Fuse Block - Underhood: ODD INJ/COILS, EVEN INJ/COILS AND POST O2 FUSES
Master Electrical Component List
Control Module References
Fuse Block Left Rear: TV/VICS, ELC SOL, ESC Module, Driver Door Module, Rear Door Module, Theft/Shifter and AMP Fuses
Fuse Block Underhood LO SPD FAN, HI SPD FAN, V8 ECM, PRE 02/CAM and HFV6 ECM Fuses; Main, LO SPD, HI SPD and S/P FAN Relays
Fuse Block Underhood LO SPD FAN, HI SPD FAN, V8 ECM, PRE 02/CAM and HFV6 ECM Fuses; Main, LO SPD, HI SPD and S/P FAN Relays