GM Service Manual Online
For 1990-2009 cars only

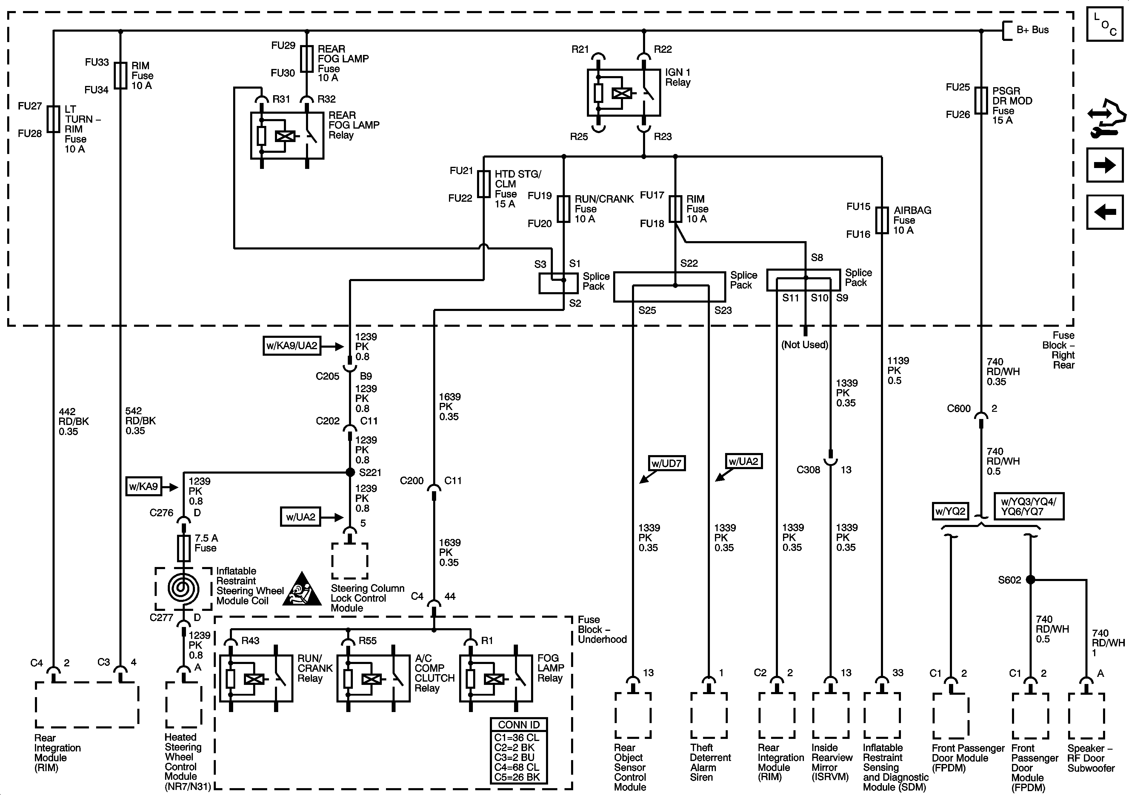
Fuse BlockRight Rear: LT Turn Signal, RIM(1), Rear Fog Lamp, FT Passenger Door Module, Heated Steering Column, IGN 1, RIM(2) and Airbag Fuses; Rear Fog Lamp and IGN 1 Relays

Fuse Block - Right Rear: LT TURN SIGNAL, RIM(1), REAR FOG LAMP, FT PASS. DOOR MODULE, HTD STG CLM, IGN 1, RIM(2) AND AIRBAG FUSES, REAR FOG LAMP AND IGN 1 RELAYS


Object Number: 1349614  Size: FS
Master Electrical Component List
Control Module References
Ignition Mode Switch
Fuse Block Right Rear: Radio/Onstar, RT Turn Signal, Canister Vent and RF Heated /Vented Seat Fuses; Window Motors Circuit Breaker
Fuse Block - Right Rear Bussing