GM Service Manual Online
For 1990-2009 cars only
Makes
🢒
Cadillac
🢒
2005
🢒
STS
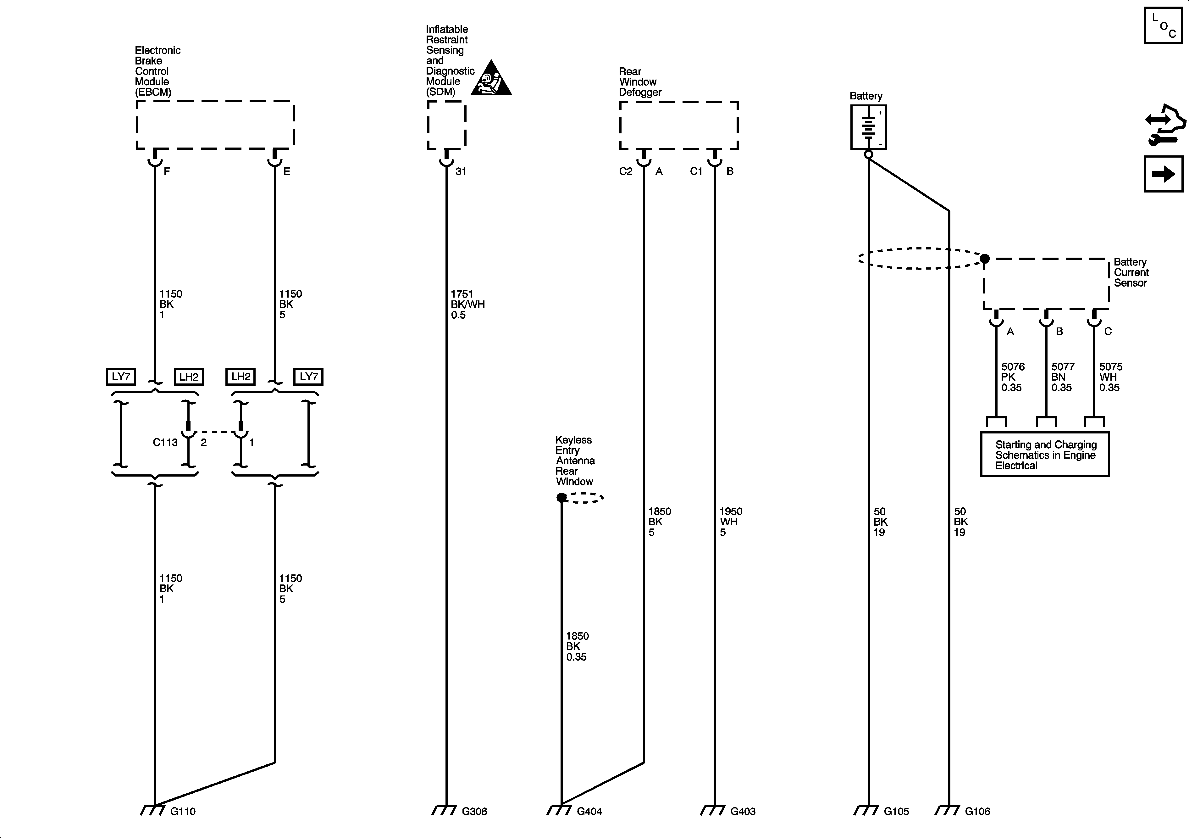
🢒 G110, G306, G404, G403, G105, G106
G110, G306, G404, G403, G105, G106
G105, G106, G110, G306, G403 and G404
Master Electrical Component List
Control Module References
G100 (LH2)
Computer/Integrating Systems Schematic Icons
Charging System