GM Service Manual Online
For 1990-2009 cars only
Makes
🢒
Cadillac
🢒
2005
🢒
STS
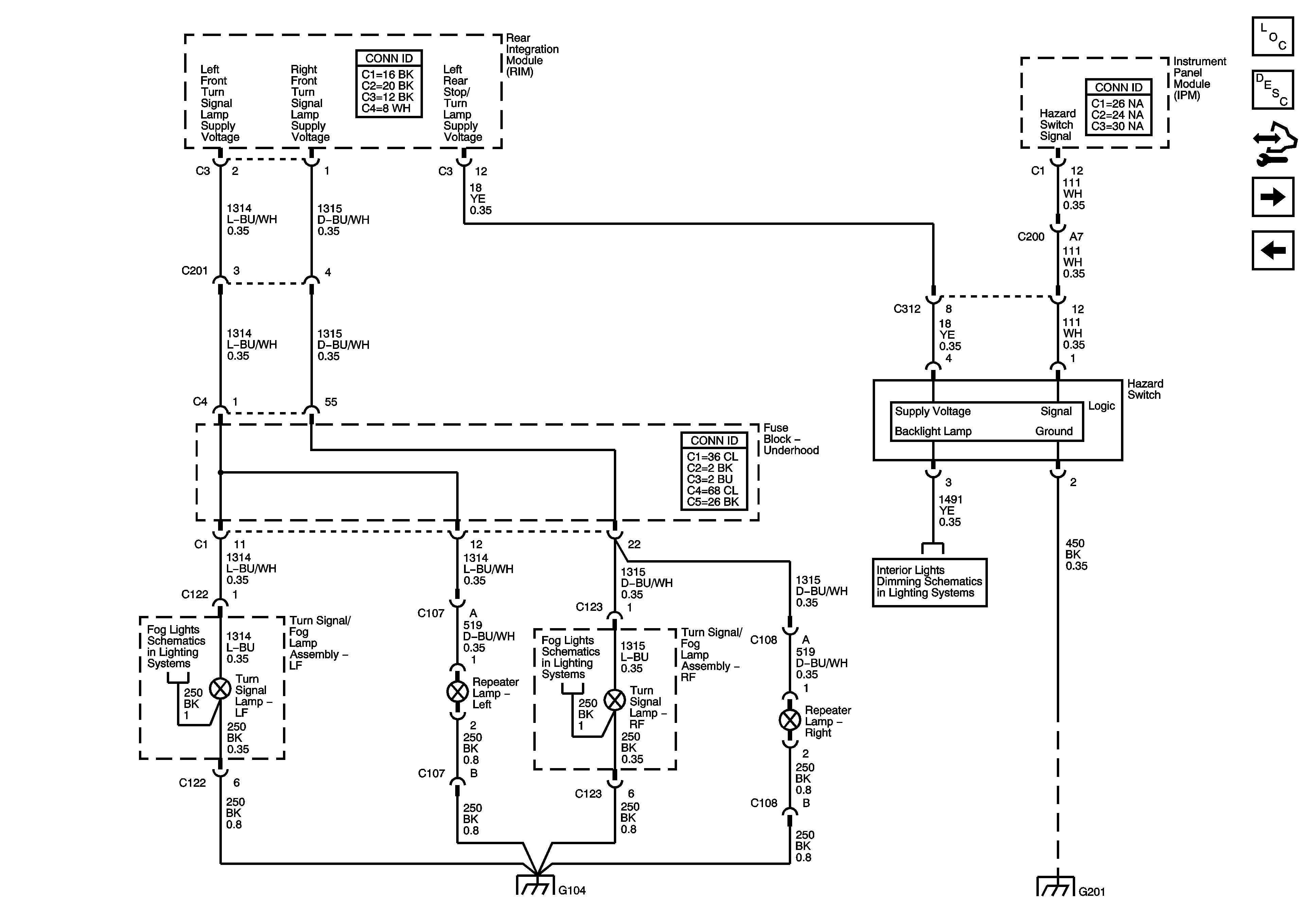
🢒 Front Turn Signaland Repeater Lamps, Hazard Switch - Domestic and Export
Front Turn Signaland Repeater Lamps, Hazard Switch - Domestic and Export
Front Turn Signal and Repeater Lamps, Hazard Switch - Domestic, Export
Master Electrical Component List
Exterior Lighting Systems Description and Operation
Control Module References
Front Park Lamps, Rear Turn Signal Switch Signal, Left, Right Position and Standing Lamp Relays - Export
Backup Lamps, CHMSL - Domestic and Export
Front Fog Lamps
Front Fog Lamps
Dimming Lamps (1 of 3)
G104 (2 of 2)
G201 (1 of 2)