GM Service Manual Online
For 1990-2009 cars only
Makes
🢒
Cadillac
🢒
2005
🢒
STS
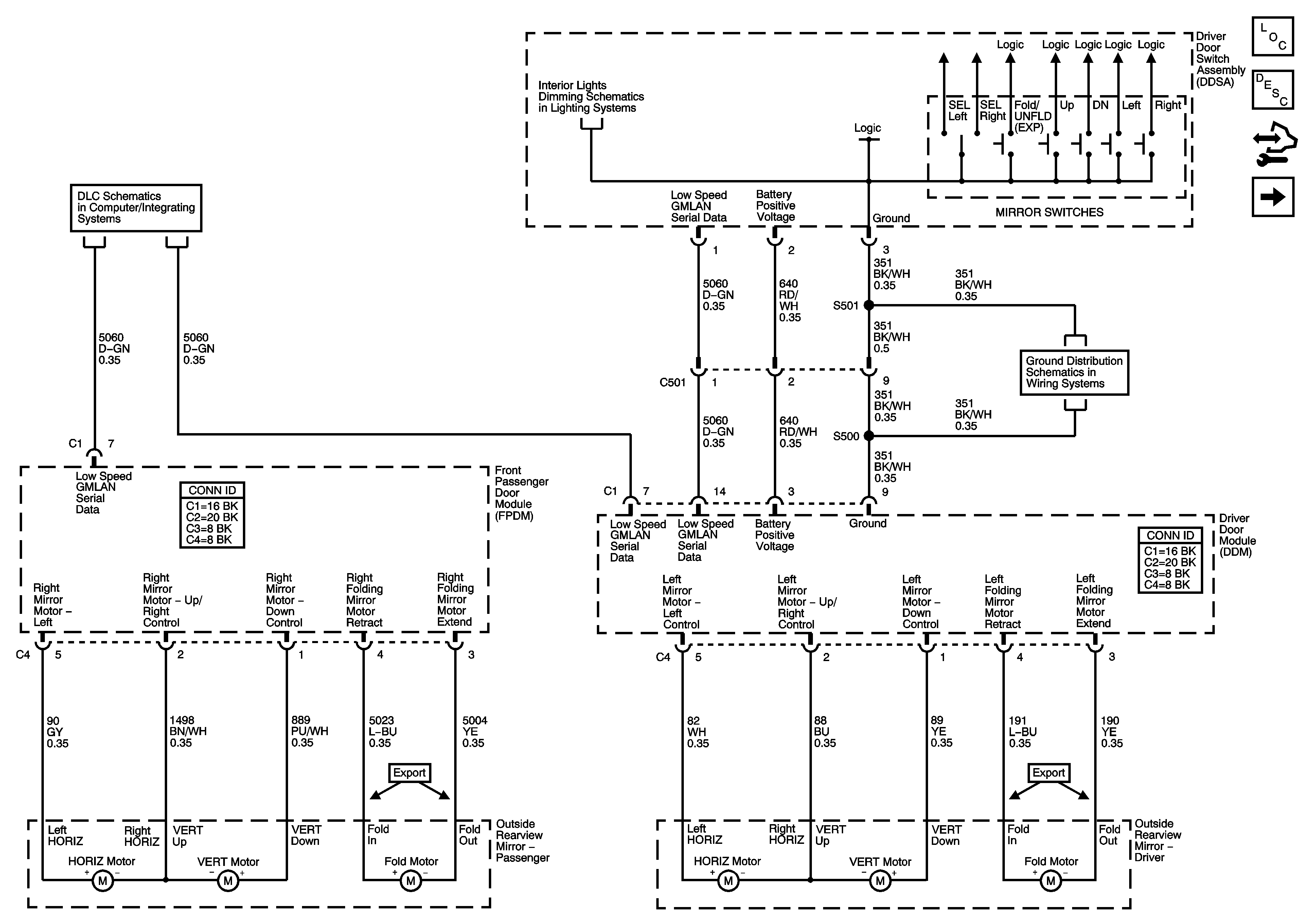
🢒 Driver and Passenger Outside Mirrors
Driver and Passenger Outside Mirrors
Driver and Passenger Side Outside Mirrors
Master Electrical Component List
Outside Mirror Description and Operation
Control Module References
Driver Side Outside Mirror w/Memory
GMLAN Low Speed 1 of 2
Dimming Lamps (3 of 3)
G200 (1 of 2)