GM Service Manual Online
For 1990-2009 cars only
Makes
🢒
Cadillac
🢒
2005
🢒
STS
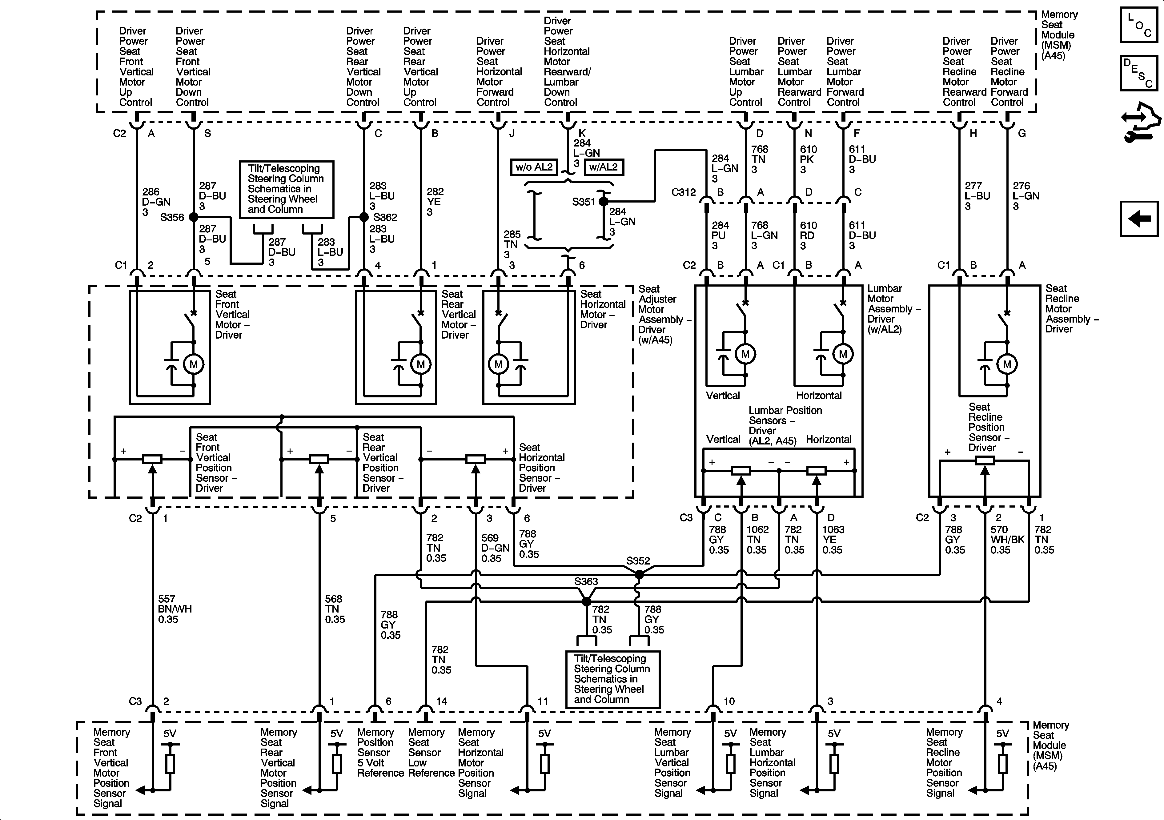
🢒 Position Sensors and Motors
Position Sensors and Motors
Position Sensors and Motors
Master Electrical Component List
Lumbar Support Description and Operation with A45 enabled
Control Module References
Memory seat Module, Power, Ground and DLC
Tilt/Telescoping Steering Column Schematics
Tilt/Telescoping Steering Column Schematics