GM Service Manual Online
For 1990-2009 cars only
Makes
🢒
Cadillac
🢒
2005
🢒
STS
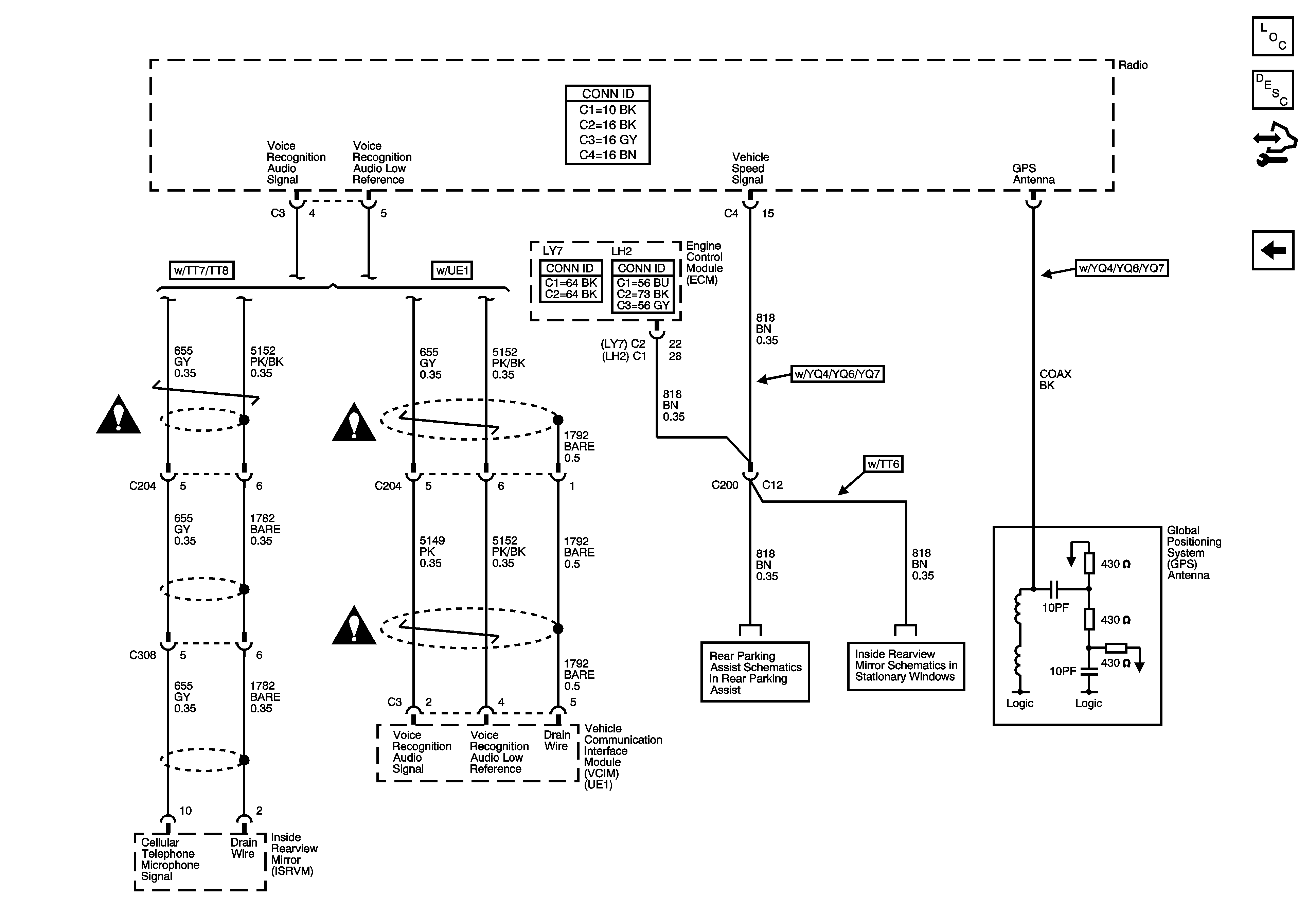
🢒 Microphone, VSS and GPS Antenna
Microphone, VSS and GPS Antenna
Microphone, VSS and GPS Antenna
Master Electrical Component List
Navigation System Description and Operation
Control Module References
TV Tuner Assembly - Export
Navigation System Schematic Icons
Navigation System Schematic Icons
Navigation System Schematic Icons
Rear Parking Assist Schematics
Automatic Headlamp Dimming Signals, VSS (TT6)