GM Service Manual Online
For 1990-2009 cars only
Makes
🢒
Cadillac
🢒
2005
🢒
STS
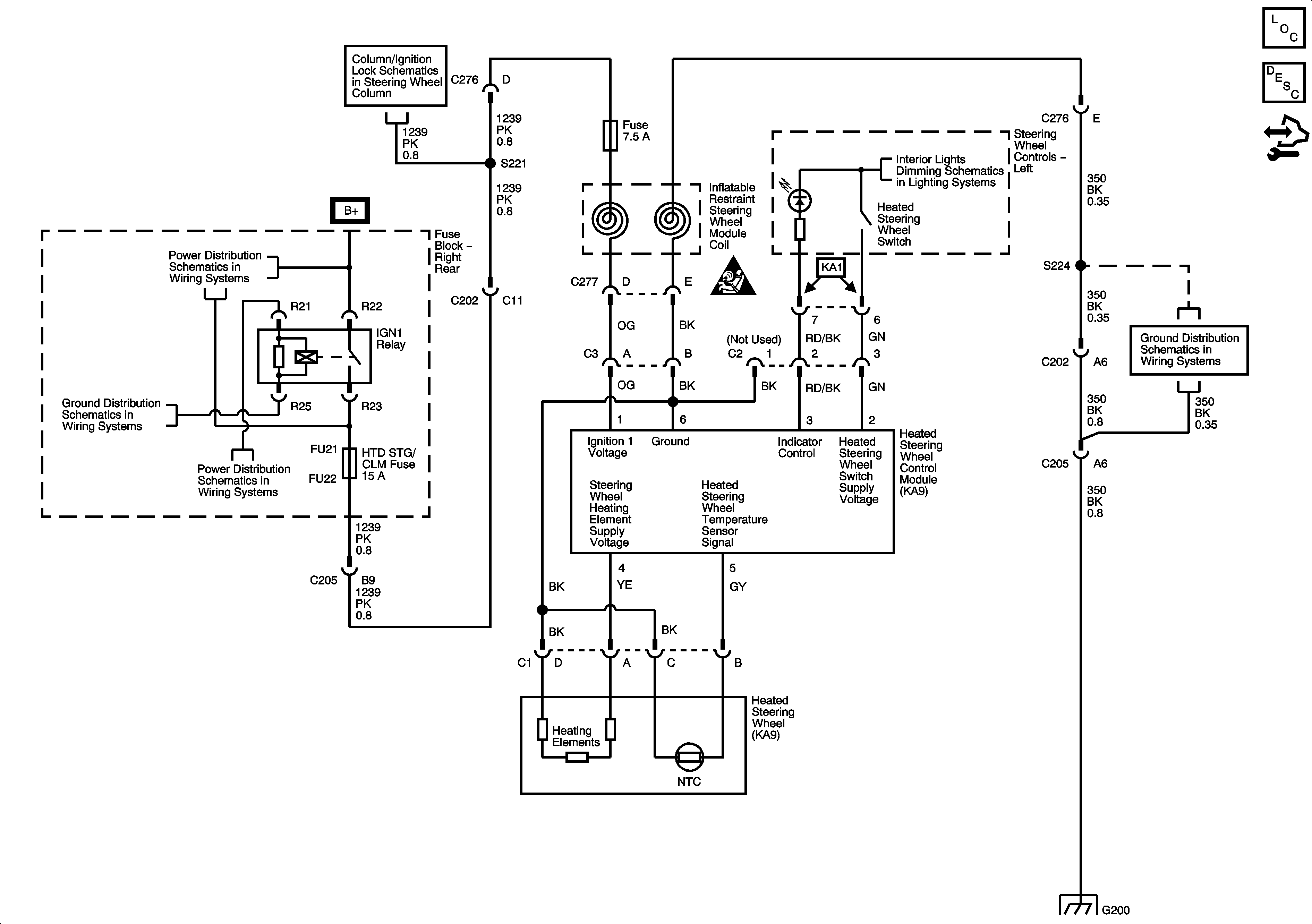
🢒 Heated Steering Wheel Schematics
Heated Steering Wheel Schematics
Heated Steering Wheel (w/ KA1)
Master Electrical Component List
Steering Wheel and Column Description and Operation
Control Module References
Column/Ignition Lock Schematics
Dimming Lamps (1 of 3)
Fuse Block - Right Rear Bussing
Steering Wheel and Column Schematic Icons
G200 (2 of 2)
G401 (1 of 2)
Ignition Mode Switch
G200 (2 of 2)