GM Service Manual Online
For 1990-2009 cars only
Makes
🢒
Cadillac
🢒
2005
🢒
STS
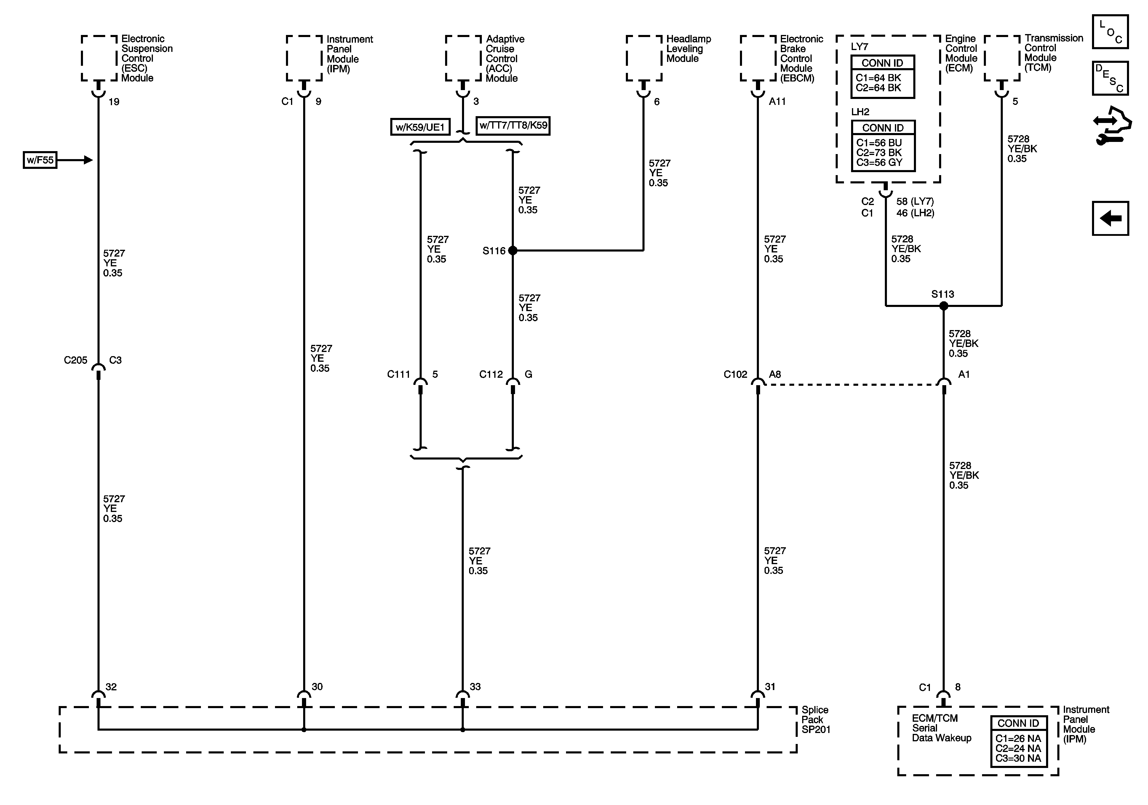
🢒 GMLAN High Speed Serial Data Wake up
GMLAN High Speed Serial Data Wake up
GMLAN - High Speed Serial Data Wake Up
Master Electrical Component List
Data Link Communications Description and Operation
Control Module References
GMLAN Low Speed 2 of 2