GM Service Manual Online
For 1990-2009 cars only
Makes
🢒
Cadillac
🢒
2005
🢒
STS
🢒 Power Sunroof Schematics
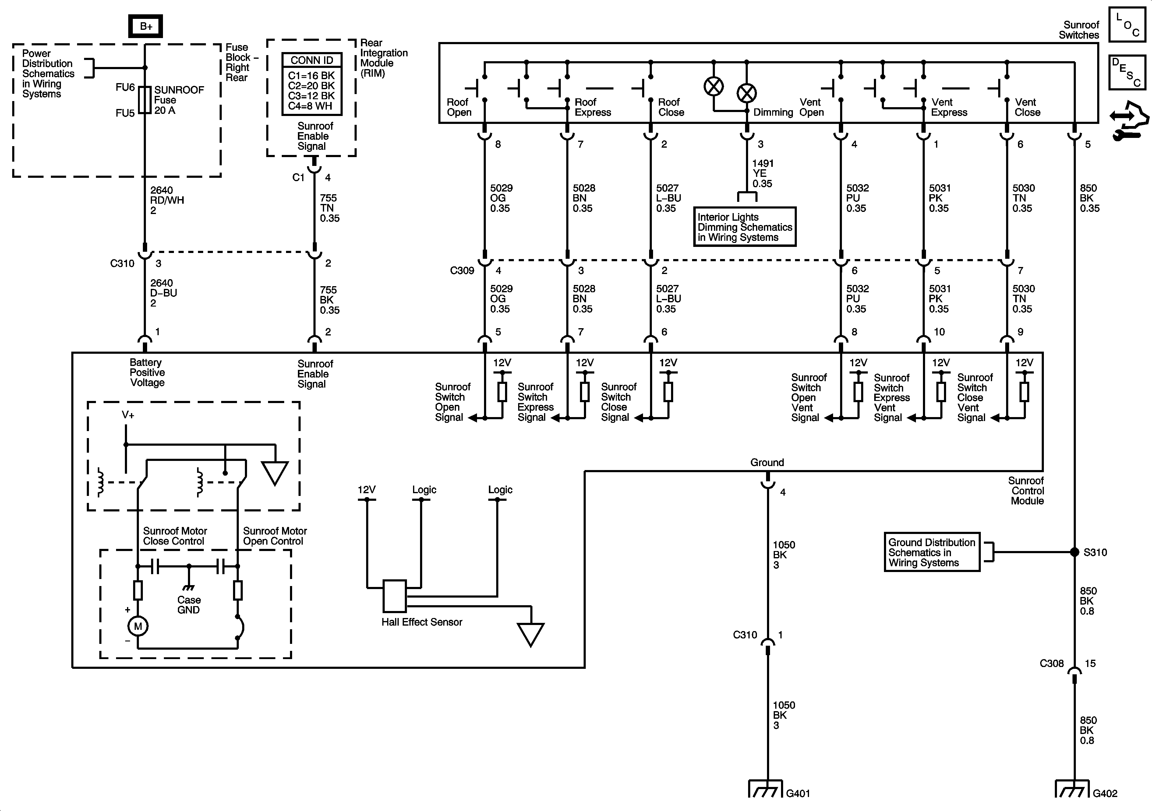
Power Sunroof Schematics
Master Electrical Component List
Sunroof Description and Operation
Control Module References
Fuse Block - Right Rear Bussing
G402 (1 of 2)
G401 (2 of 2)
G402 (1 of 2)