Important: In order to protect and service components, on the supercharger, ensure the
EN-47833
is on the supercharger during the disassembly and assembly.
- Install the NEW charge air cooler housing expansion plug.
- Install the NEW charge air cooler housing interior O-ring gaskets.
- Install the NEW charge air cooler housing perimeter gasket.
- Install the charge air cooler housing.
Notice: Refer to Fastener Notice in the Preface section.
- Install the long charge air cooler bolts.
Tighten
Tighten the long charge air cooler bolt to 10 N·m (89 lb in).
- Install the short charge air cooler perimeter bolts.
Tighten
Tighten the short charge air cooler bolt to 10 N·m (89 lb in).
Important: The charge air cooler cooling tubes are replaced as a set. If any one of the charge air cooler cooling tubes needs to be replaced, all the charge air cooler cooling tubes must be replaced in order to maintain consistent
cooling of the charge air.
- Carefully install the outboard charge air cooler cooling tubes.
- The charge air cooler cooling outboard
tubes are installed with the restrictor plates (1) to the back of the manifold, away from the drive belt pulley.
- Align the wide notch at a 45 degree angle up
from horizontal and outboard as shown.
Important: The charge air cooler cooling tubes are replaced as a set. If any one of the charge air cooler cooling tubes needs to be replaced, all the charge air cooler cooling tubes must be replaced in order to maintain consistent
cooling of the charge air.
- Carefully install the inboard charge air cooler cooling tubes.
- The charge air cooler cooling inboard
tubes are installed with the opening (1) to the back of the manifold. The restrictor plates will be to the front of the manifold, towards the drive belt pulley.
- Align the wide notch at a 45 degree angle up
from horizontal and outboard as shown.
- Install the NEW charge air cooler cooling fill cap O-ring.
- Install the charge air cooler cooling fill cap.
- Ensure the charge air cooler cooling
fill cap is installed in the proper orientation.
| • | The alignment boss (1) is at the rear of the charge air cooler manifold |
| • | The alignment boss (2) is at the front of the charge air cooler cooling fill cap |
- Install the charge air cooler cooling fill cap bolts.
Tighten
Tighten the charge air cooler cooling fill cap bolt to 10 N·m (89 lb in).
- Install the charge air cooler cooling tube rear spacers.
- Install the NEW charge air cooler cooling tube rear O-rings.
- Install the NEW charge air cooler rear manifold gaskets.
- Install the charge air cooler rear manifold.
- Install the charge air cooler rear manifold bolts.
Tighten
Tighten the charge air cooler rear manifold bolt to 10 N·m (89 lb in).
- Install the charge air cooler cooling tube front spacers.
- Install the NEW charge air cooler cooling tube front O-rings.
- Install the NEW charge air cooler front manifold gasket.
- Install the charge air cooler front manifold.
- Install the charge air cooler front manifold bolts.
Tighten
Tighten the charge air cooler front manifold bolt to 10 N·m (89 lb in).
- Coat the IAT sensor 2 threads with sealant GM P/N 12346004
(Canadian P/N 10953480), or equivalent.
- Install the IAT sensor 2 into the supercharger.
Tighten
Tighten the IAT sensor 2 to 20 N·m (15 lb ft).
- Install the fuel injection fuel rail crossover tube clip.
- Install the bypass valve actuator cable.
- Install the bypass valve actuator cable bracket bolts to the supercharger.
Tighten
Tighten the bypass valve actuator cable bracket bolt to 10 N·m (89 lb in).
- Slide the bypass valve actuator cable
clip onto the pin on the supercharger bypass valve.
Important: Tool shown is the clip shipped with a new bypass valve actuator cable. The flat end of the
EN-47814
can be used for the same purpose.
- Pull the retainer up on the wire above the bypass valve actuator cable clip in order to install the
EN-47814
. The
EN-47814
must be used to set
the necessary slack in the bypass valve actuator cable.
- Place the
EN-47814
on the cable.
- Ensure to eliminate the slack in the
bypass valve actuator cable by pressing down on the wire retainer.
- Install the bypass valve actuator.
- Align the bypass valve actuator rod to the bypass valve actuator cable.
- Align the tab on the bypass valve actuator
rod with the slot in the bypass valve actuator cable end.
- Slide the bypass valve actuator rod into the bypass valve actuator cable.
- Pivot the bypass valve actuator counterclockwise in
order to install bypass valve actuator.
- Loosely install the bypass valve actuator bolts.
- Pull up on the bypass valve actuator
in order to eliminate any slack in the bypass valve actuator cable.
- Tighten the bypass valve actuator bolts
while maintaining proper alignment between the bypass valve actuator and the bypass valve actuator cable.
Tighten
Tighten the bypass valve actuator bolt to 10 N·m (89 lb in).
Important: Tool shown is the clip shipped with a new bypass valve actuator cable. The flat end of the
EN-47814
can be used for the same purpose.
- Remove the
EN-47814
on the bypass valve actuator cable at the bypass valve.
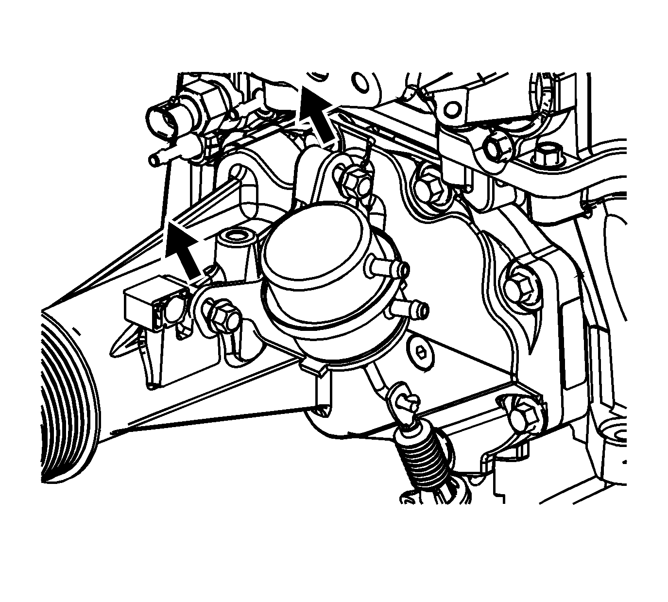
- Install the charge air bypass regulator
solenoid valve.
- Install the charge air bypass regulator solenoid valve bolt.
Tighten
Tighten the charge air bypass regulator solenoid valve bolt to 10 N·m (89 lb in).
- Install the charge air bypass regulator
solenoid valve pressure hose.
- Connect the charge air bypass regulator
solenoid valve pressure hose at the supercharger pressure port (1).
- Connect the charge air bypass regulator solenoid valve pressure hose at the upper port of the charge air bypass regulator solenoid valve (2).
- Install the bypass valve actuator pressure
hose.
- Connect the bypass valve actuator pressure
hose at the lower port of the supercharger bypass valve actuator (1).
- Connect the bypass valve actuator pressure hose at the lower port of the charge air bypass regulator solenoid valve (2).
- Install the bypass valve actuator vacuum hose to the supercharger.
- Connect the bypass valve actuator vacuum
hose at the upper port of the supercharger bypass valve actuator (1).
- Connect the bypass valve actuator vacuum
hose at the center small vacuum port of the supercharger (1).
- Install the NEW throttle body O-ring.
- Install the throttle body.
- Install the throttle body bolts.
Tighten
Tighten the throttle body bolt to 10 N·m (89 lb in).
- Install the NEW O-ring onto the EVAP canister purge solenoid valve.
- Install the EVAP canister purge solenoid valve.
- Install the EVAP canister purge solenoid valve bolt.
Tighten
Tighten the EVAP canister purge solenoid valve bolt to 10 N·m (89 lb in).
- Install and connect the dirty air PCV tube onto the supercharger.