GM Service Manual Online
For 1990-2009 cars only
Makes
🢒
Cadillac
🢒
2006
🢒
STS
🢒
Vehicle Control Systems
🢒
Vehicle DTC Information
🢒 SIR Schematics
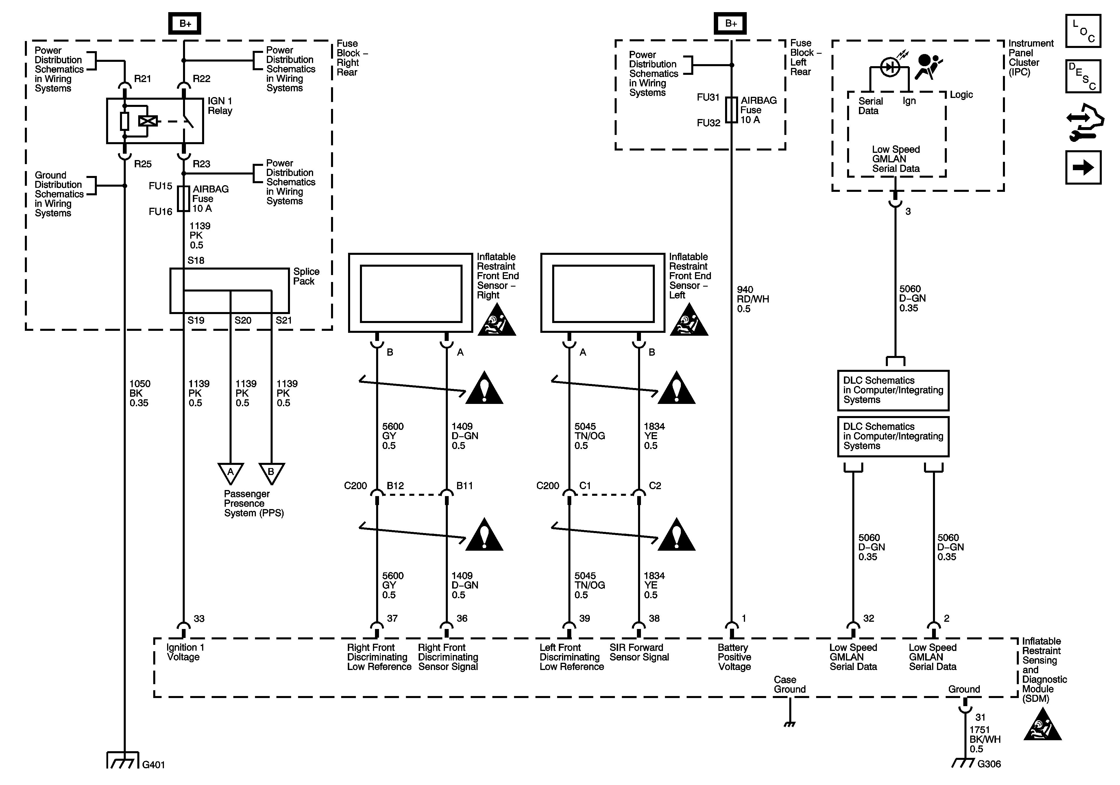
Figure
1:
Power, Ground, DLC, Indicator and Front End Sensors
Master Electrical Component List
SIR System Description and Operation
Control Module References
Left Side Modules and Sensors
Ignition Mode Switch
G401 (1 of 2)
Fuse Block Right Rear Bussing
Fuse Block Right Rear Bussing
Fuse Block Left Rear Bussing
GMLAN Low Speed (2 of 2)
GMLAN Low Speed (1 of 2)
AOS Display and PSIR Suppression Sensor
AOS Display and PSIR Suppression Sensor
G401 (1 of 2)
G110, G306, G404, G403, G105, G106
SIR Schematic Icons
SIR Schematic Icons
SIR Schematic Icons
SIR Schematic Icons
SIR Schematic Icons
SIR Schematic Icons
SIR Schematic Icons
Figure
2:
Left Side Modules and Sensors
Master Electrical Component List
SIR System Description and Operation
Control Module References
Right Side Modules and Sensors
SDM Power, Ground, DLC, Indicator and Front End Sensors
SIR Schematic Icons
SIR Schematic Icons
SIR Schematic Icons
SIR Schematic Icons
SIR Schematic Icons
SIR Schematic Icons
SIR Schematic Icons
SIR Schematic Icons
SIR Schematic Icons
Figure
3:
Right Side Modules and Sensors
Master Electrical Component List
SIR System Description and Operation
Control Module References
Left Side Modules and Sensors
SIR Schematic Icons
SIR Schematic Icons
SIR Schematic Icons
SIR Schematic Icons
SIR Schematic Icons
SIR Schematic Icons
SIR Schematic Icons
Figure
4:
Passenger Presense System (PPS)
Master Electrical Component List
SIR System Description and Operation
Control Module References
Right Side Modules and Sensors
SDM Power, Ground, DLC, Indicator and Front End Sensors
SDM Power, Ground, DLC, Indicator and Front End Sensors
G110, G306, G404, G403, G105, G106
G402 (2 of 2)