GM Service Manual Online
For 1990-2009 cars only
Makes
🢒
Cadillac
🢒
2006
🢒
STS
🢒
Suspension
🢒
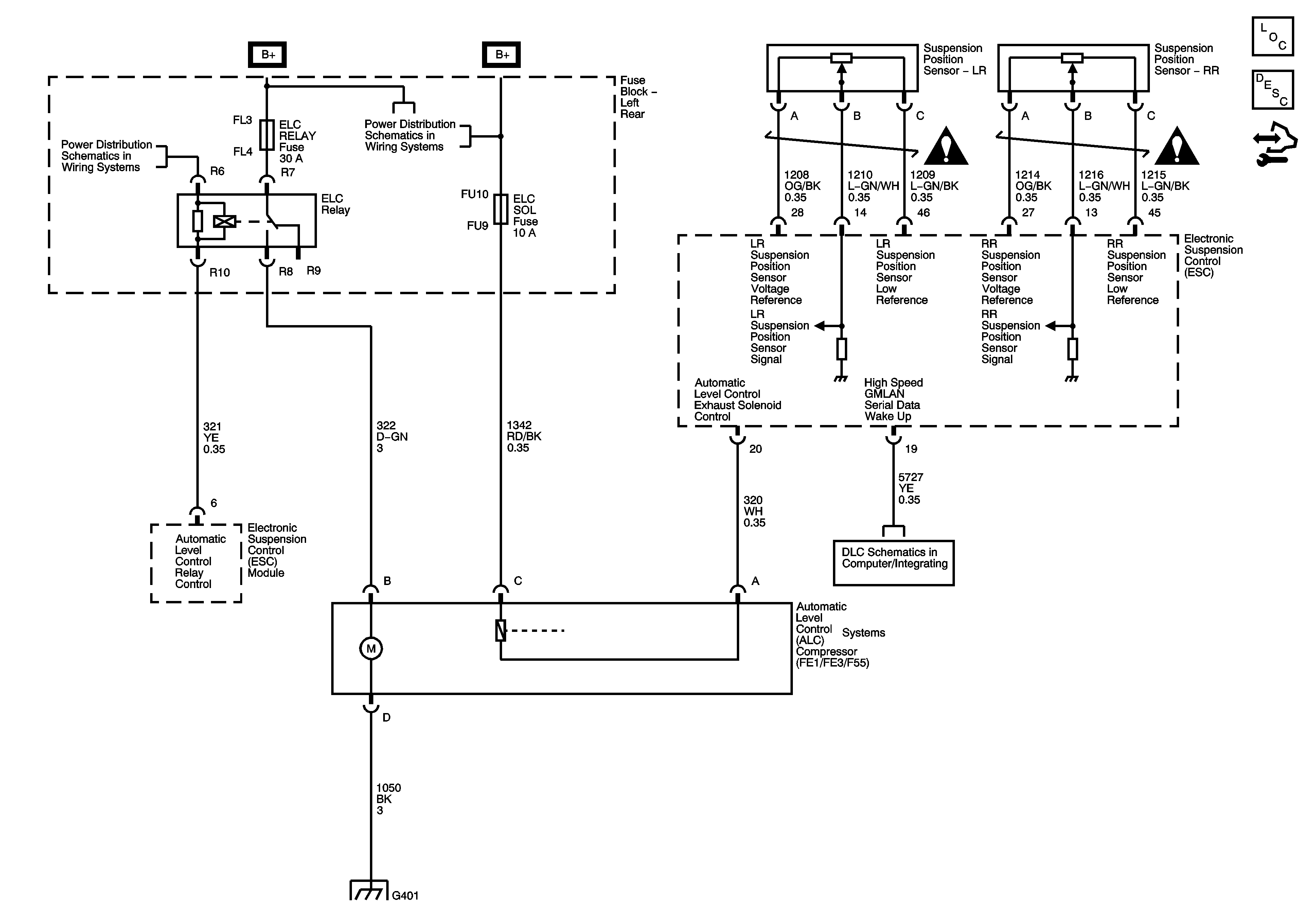
Automatic Level Control
🢒 Automatic Level Control Schematics
Master Electrical Component List
Automatic Level Control Description and Operation (w/ F55)
Control Module References
Fuse Block Left Rear: IGN 3 Relay; IGN 3, Rear Heated Seat, Memory, Airbag and Rear Shelf Speaker Fuses
Fuse Block Left Rear Bussing
GMLAN High Speed Serial Data Wake-Up
G401 (1 of 2)