GM Service Manual Online
For 1990-2009 cars only
Makes
🢒
Cadillac
🢒
2006
🢒
STS
🢒
Steering
🢒
Steering Wheel and Column
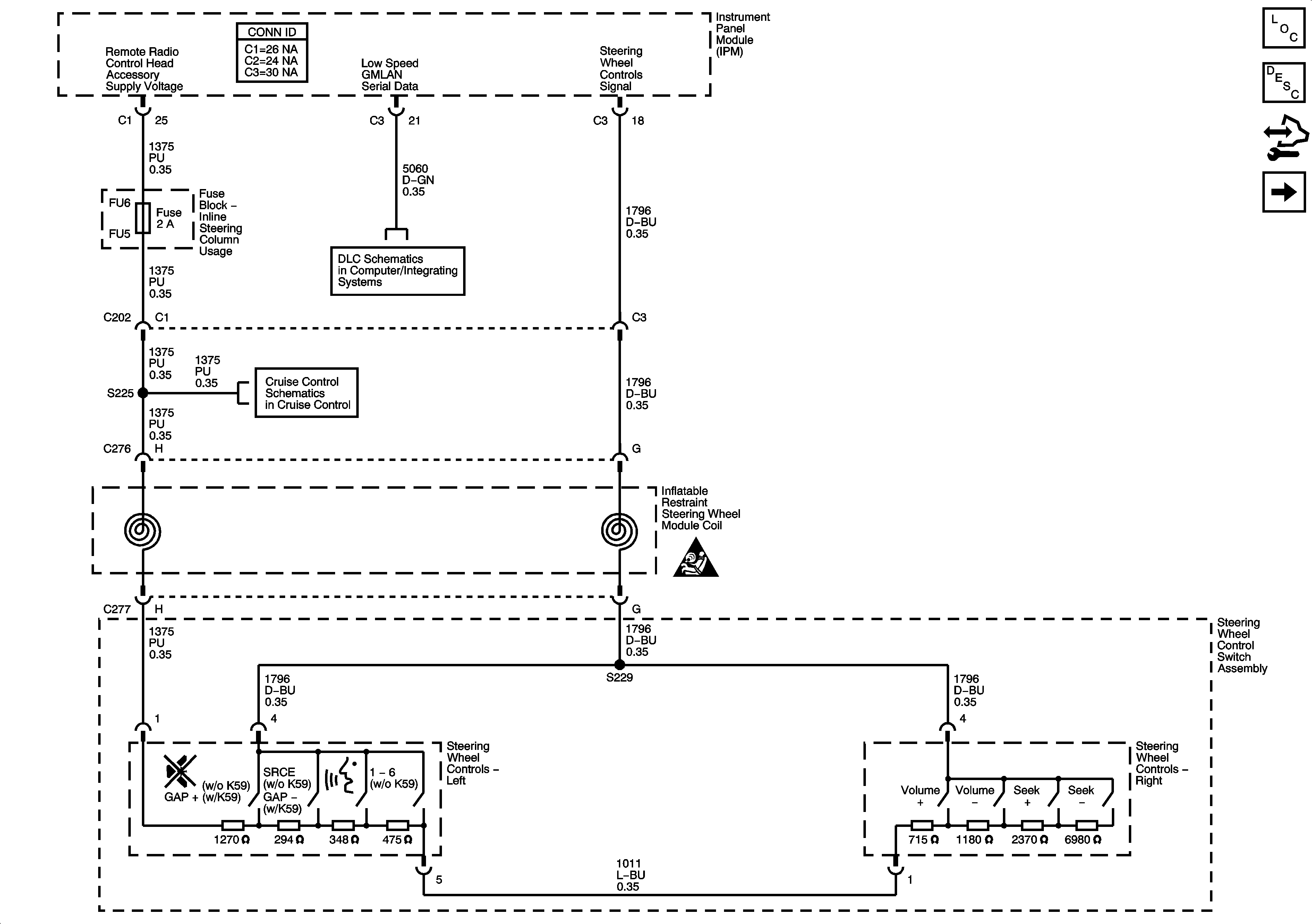
🢒 Steering Wheel Schematics
Figure
1:
Steering Wheel Control Switch Assembly
Master Electrical Component List
Radio/Audio System Description and Operation
Control Module References
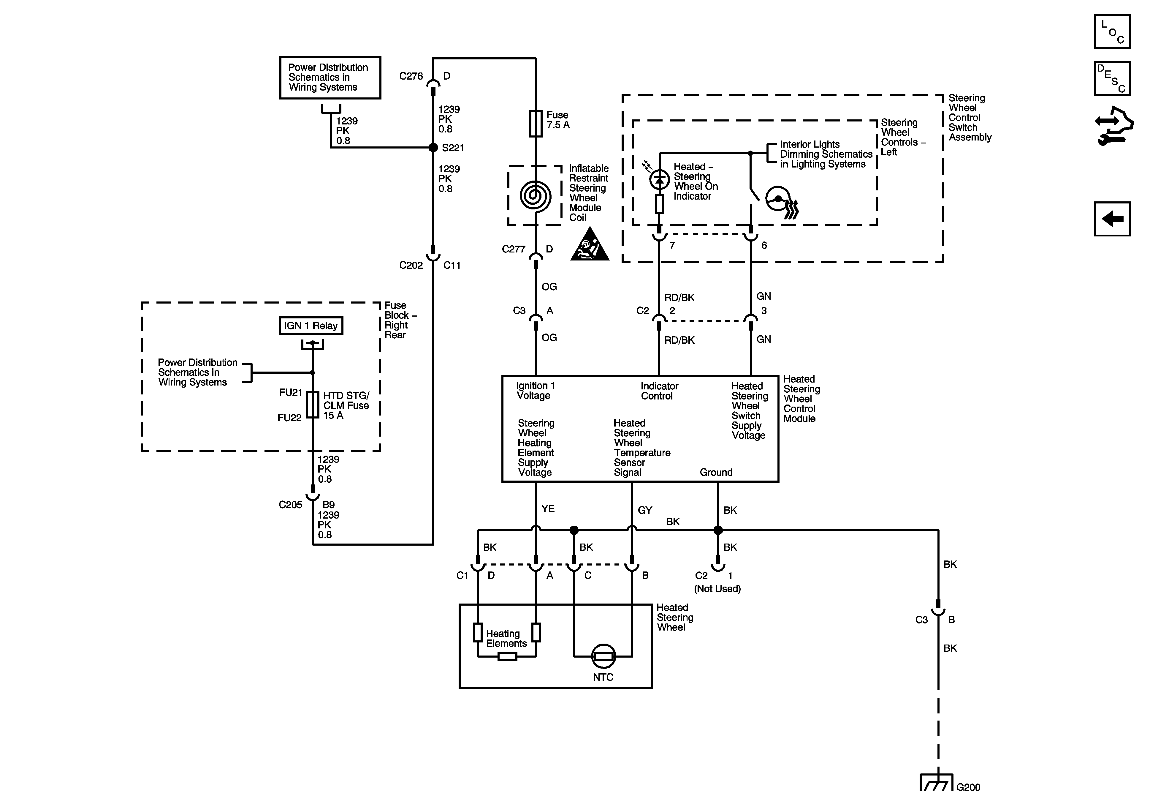
Heated Steering Wheel Schematics
GMLAN Low Speed (2 of 2)
Cruise Control Switch
Steering Wheel and Column Schematic Icons
Figure
2:
Heated Steering Wheel (w/ KA1)
Master Electrical Component List
Steering Wheel and Column Description and Operation
Control Module References
Steering Wheel Control Switch Assembly
Column/Ignition Lock Schematics
Fuse Block - Right Rear Bussing
Steering Wheel and Column Schematic Icons
G200 (2 of 2)