GM Service Manual Online
For 1990-2009 cars only

Oil Filter Adapter Installation Without Oil Cooler


    Object Number: 1761726  Size: SH
  1. Install a NEW gasket to the oil filter adapter.

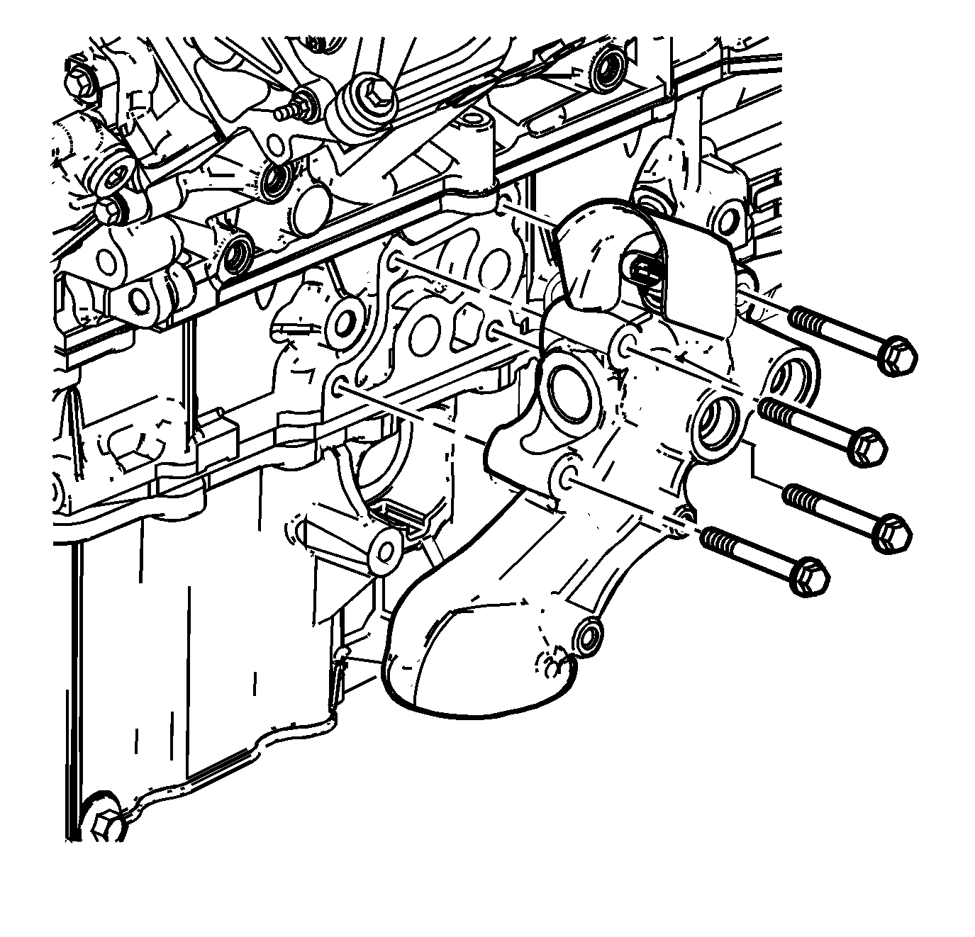
  2. Object Number: 1346212  Size: SH
  3. Position the oil filter adapter on the crankcase.
  4. Notice: Refer to Fastener Notice in the Preface section.

  5. Install the oil filter adapter bolts.
  6. Tighten
    Tighten the oil filter adapter bolts to 25 N·m (18 lb ft).


    Object Number: 1346209  Size: SH
  7. Fill the oil filter with oil.
  8. Install the oil filter.
  9. Tighten
    Tighten the oil filter to 32 N·m (24 lb ft).

Oil Filter Adapter Installation With Oil Cooler


    Object Number: 1761723  Size: SH
  1. Install a NEW gasket to the oil filter adapter.

  2. Object Number: 1346215  Size: SH
  3. Position the oil filter adapter on the crankcase.
  4. Notice: Refer to Fastener Notice in the Preface section.

  5. Install the oil filter adapter bolts.
  6. Tighten
    Tighten the oil filter adapter bolts to 25 N·m (18 lb ft).


    Object Number: 1346214  Size: SH
  7. Fill the oil filter with oil.
  8. Install the oil filter.
  9. Tighten
    Tighten the oil filter to 32 N·m (24 lb ft).