GM Service Manual Online
For 1990-2009 cars only

Lower Control Arm Replacement AWD

Tools Required

J 43631 Ball Joint Separator

Removal Procedure

  1. Raise and support the vehicle. Refer to Lifting and Jacking the Vehicle .
  2. Remove the tire and wheel. Refer to Tire and Wheel Removal and Installation .
  3. Remove the air deflector. Refer to Front Air Deflector Replacement .

  4. Object Number: 1689972  Size: SH
  5. Remove the stabilizer shaft link lower nut (1).
  6. Remove the stabilizer shaft link from the lower control arm.
  7. Remove the ABS wire harness from the lower control arm.
  8. Notice: The ball stud must not rotate during disassembly or reassembly. Hand tools must be used to keep the ball stud from rotating. If air tools are used and the stud is allowed to rotate, damage to the ball stud and/or stud mounting hole may occur.

  9. Remove the lower ball joint nut (2).
  10. Use the J 43631 to separate the ball joint stud from the steering knuckle.

  11. Object Number: 1689979  Size: SH
  12. Remove the shock yoke nut (1).
  13. Remove the yoke from the stud on the lower control arm.
  14. Important: Raise the power steering gear to provide clearance when removing the rear lower control arm to frame retaining bolt.


    Object Number: 874631  Size: SH
  15. Loosen the power steering gear retaining bolts and raise the power steering gear.

  16. Object Number: 1689984  Size: SH
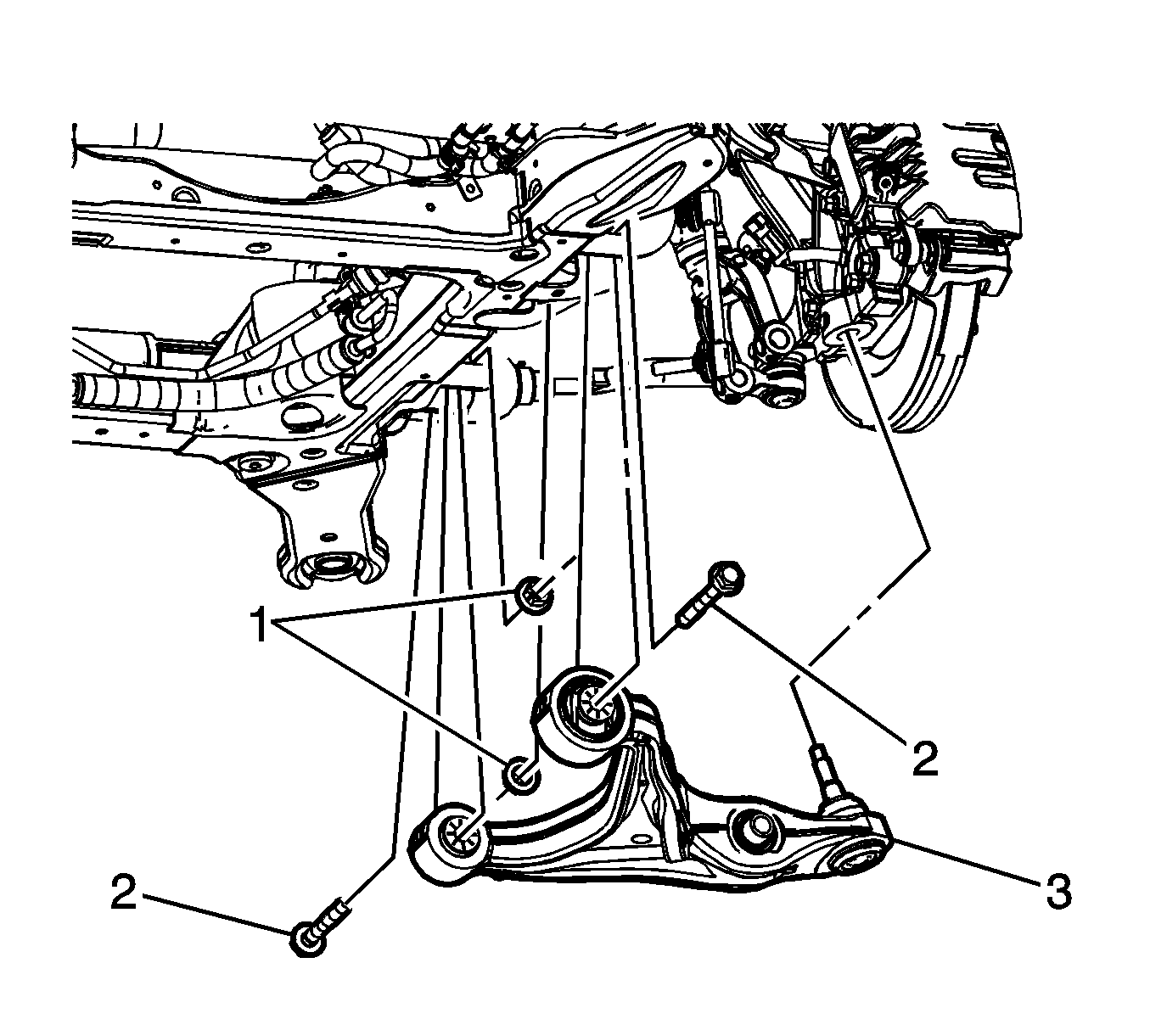
  17. Remove the lower control arm to cradle nuts (1).
  18. Remove the lower control arm to cradle bolts (2).
  19. Remove the lower control arm (3) from the vehicle.

Installation Procedure


    Object Number: 1689984  Size: SH
  1. Position the lower control arm (3) to the vehicle.
  2. Install the lower control arm to cradle bolts (2).
  3. Notice: Refer to Fastener Notice in the Preface section.

    Important: Tighten the lower control arm bolts and nuts with the lower control arm at normal vehicle ride height.

  4. Install the lower control arm to cradle nuts (1).
  5. Tighten
    Tighten the nuts to 135 N·m (96 lb ft).


    Object Number: 874631  Size: SH
  6. Tighten the power steering gear retaining bolts.
  7. Tighten
    Tighten the bolts to 120 N·m (89 lb ft).


    Object Number: 1689979  Size: SH
  8. Install the shock module yoke to the lower control arm nut (1).
  9. Tighten
    Tighten the nut to 180 N·m (133 lb ft).


    Object Number: 1689972  Size: SH

    Notice: The ball stud must not rotate during disassembly or reassembly. Hand tools must be used to keep the ball stud from rotating. If air tools are used and the stud is allowed to rotate, damage to the ball stud and/or stud mounting hole may occur.

  10. Install the lower control arm ball joint nut (1).
  11. Tighten

    1. Tighten the nut to 20 N·m (15 lb ft).
    2. Tighten the nut to an additional 180 degrees.
  12. Install the ABS wire harness to the lower control arm.
  13. Install the stabilizer shaft link to the lower control arm.
  14. Install the stabilizer shaft link lower retaining nut (1).
  15. Tighten
    Tighten the nut to 110 N·m (81 lb ft).

  16. Install the air deflector. Refer to Front Air Deflector Replacement .
  17. Install the tire and wheel. Refer to Tire and Wheel Removal and Installation .
  18. Lower the vehicle.
  19. Check the front end alignment. Refer to Wheel Alignment Measurement .

Lower Control Arm Replacement RWD

Tools Required

J 42188 Ball Joint Separator

Removal Procedure

  1. Raise and support the vehicle. Refer to Lifting and Jacking the Vehicle .
  2. Remove the tire and wheel. Refer to Tire and Wheel Removal and Installation .
  3. Remove the air deflector. Refer to Front Air Deflector Replacement .
  4. Remove the shock module yoke bolt (2) from the lower control arm.

  5. Object Number: 1689959  Size: SH
  6. Remove the stabilizer shaft link lower nut (1).
  7. Remove the stabilizer shaft link from the lower control arm.
  8. Remove the ABS wire harness from the lower control arm.

  9. Object Number: 1689961  Size: SH

    Notice: The ball stud must not rotate during disassembly or reassembly. Hand tools must be used to keep the ball stud from rotating. If air tools are used and the stud is allowed to rotate, damage to the ball stud and/or stud mounting hole may occur.

  10. Remove the lower control arm ball joint nut (1).
  11. Use the J 42188 to separate the lower ball joint from the steering knuckle.
  12. Important: Raise the power steering gear to provide clearance when removing the rear lower control arm to frame retaining bolt.


    Object Number: 874631  Size: SH
  13. Loosen the power steering gear retaining bolts and raise the power steering gear.

  14. Object Number: 1689965  Size: SH
  15. Remove the lower control arm to cradle nuts (1).
  16. Remove the lower control arm to cradle bolts (2).
  17. Remove the lower control arm (3) from the vehicle.

Installation Procedure


    Object Number: 1689965  Size: SH
  1. Position the lower control arm (3) to the vehicle.
  2. Install the lower control arm to cradle bolts (2).
  3. Notice: Refer to Fastener Notice in the Preface section.

    Important: Tighten the lower control arm bolts and nuts with the lower control arm at normal vehicle ride height.

  4. Install the lower control arm to cradle nuts (1).
  5. Tighten
    Tighten the nuts to 135 N·m (96 lb ft).


    Object Number: 874631  Size: SH
  6. Tighten the power steering gear retaining bolts.
  7. Tighten
    Tighten the bolts to 120 N·m (89 lb ft).


    Object Number: 1689961  Size: SH

    Notice: The ball stud must not rotate during disassembly or reassembly. Hand tools must be used to keep the ball stud from rotating. If air tools are used and the stud is allowed to rotate, damage to the ball stud and/or stud mounting hole may occur.

  8. Install the lower control arm ball joint nut (1).
  9. Tighten

    1. Tighten the nut to 20 N·m (15 lb ft).
    2. Tighten the nut to an additional 180 degrees.

    Object Number: 1689959  Size: SH
  10. Install the ABS wire harness to the lower control arm.
  11. Install the stabilizer shaft link to the lower control arm.
  12. Install the stabilizer shaft link lower retaining nut (1).
  13. Tighten
    Tighten the nut to 110 N·m (81 lb ft).

  14. Install the shock module yoke to the lower control arm bolt (2).
  15. Tighten
    Tighten the bolt to 250 N·m (184 lb ft).

  16. Install the air deflector. Refer to Front Air Deflector Replacement .
  17. Install the tire and wheel. Refer to Tire and Wheel Removal and Installation .
  18. Lower the vehicle.
  19. Check the front end alignment. Refer to Wheel Alignment Measurement .