GM Service Manual Online
For 1990-2009 cars only
Makes
🢒
Cadillac
🢒
2007
🢒
STS
🢒
Body Systems
🢒
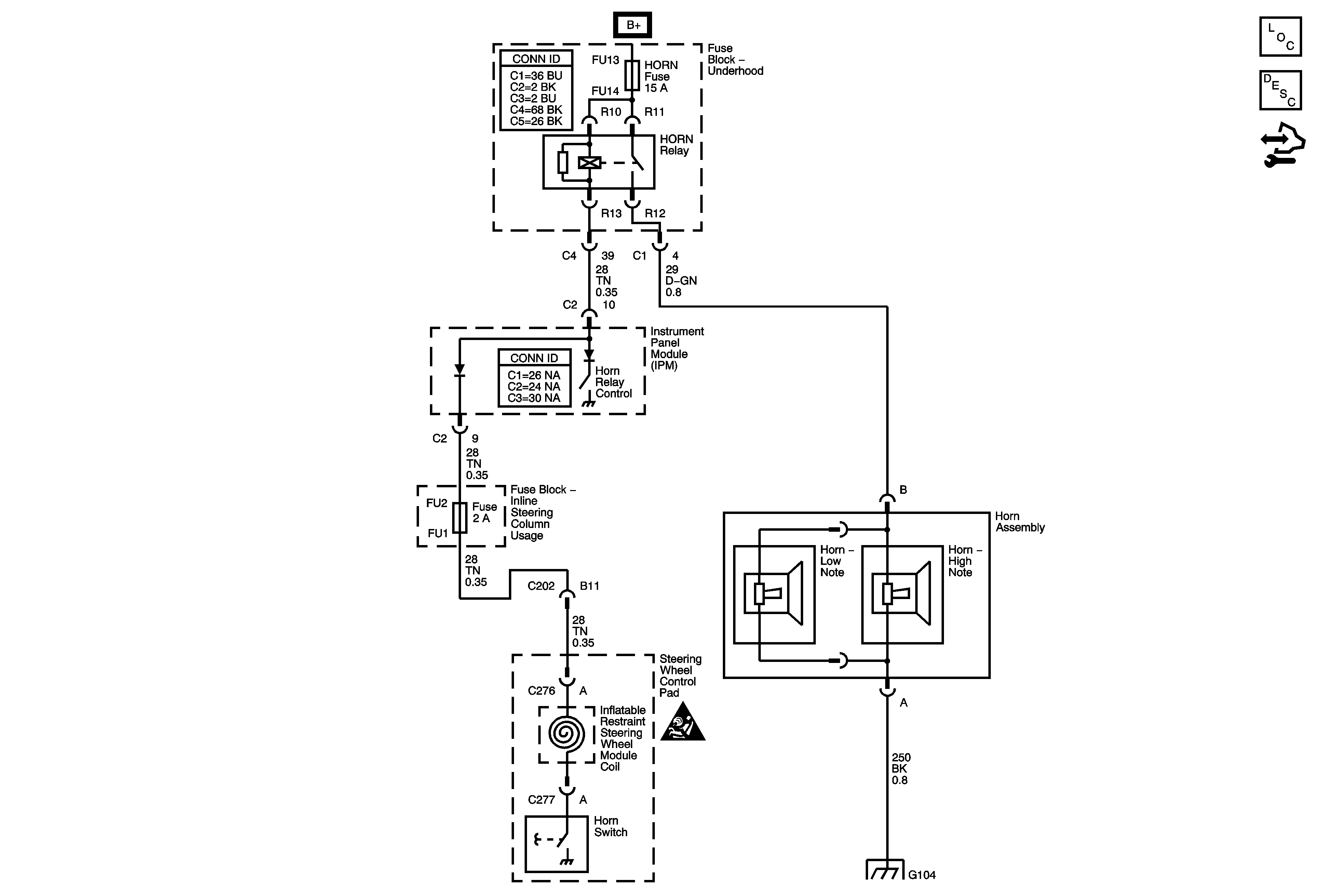
Horns
🢒 Horn Schematics
Master Electrical Component List
Horns System Description and Operation
Control Module References
Horn Schematic Icons
G104 (1 of 2)