GM Service Manual Online
For 1990-2009 cars only

Headlamp Washer Hose Replacement STS

Removal Procedure

  1. Remove the front air deflector. Refer to Front Air Deflector Replacement.
  2. Remove the radiator support sight shield.
  3. Drain the washer solvent into a suitable container.

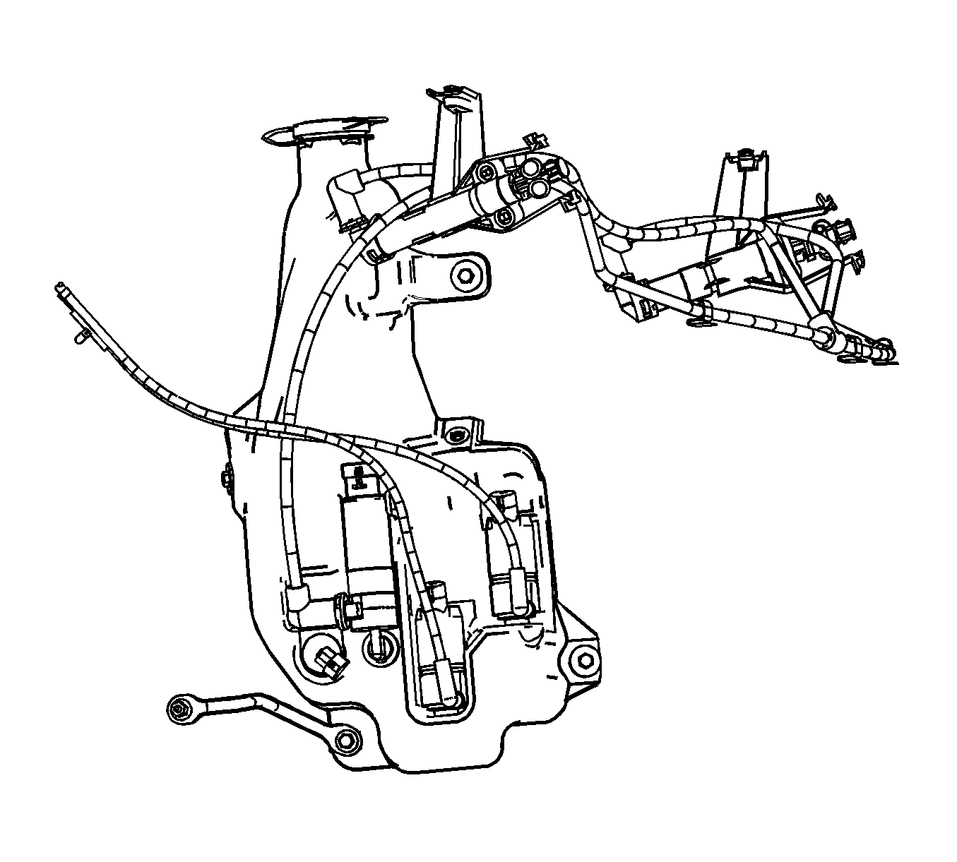
  4. Object Number: 786882  Size: SH
  5. Disconnect the headlamp washer hose (1) quick connect (3) from the washer pump nozzle located on the rear outboard corner of the washer solvent reservoir.
  6. Remove the left front headlamp.
  7. Disconnect the headlamp washer hose quick connects from the headlamp washer nozzles located on the bottom side of the headlamps.

  8. Object Number: 1233321  Size: SH
  9. Disconnect the washer hose clips from the fascia.
  10. Remove the washer hose assembly from the vehicle.

Installation Procedure


    Object Number: 1233321  Size: SH
  1. Position the washer hose assembly to the vehicle.
  2. Secure the washer hose clips to the electrical main body harness.
  3. Secure the headlamp washer hose quick connects to both headlamp washer nozzles.

  4. Object Number: 786882  Size: SH
  5. Secure the washer hose quick connect to the headlamp washer pump nozzle (1).
  6. Install the left front headlamp.
  7. Install the radiator support sight shield.
  8. Install the front air deflector. Refer to Front Air Deflector Replacement.
  9. Fill the reservoir with washer solvent.
  10. Verify the operation of the headlamp washers.