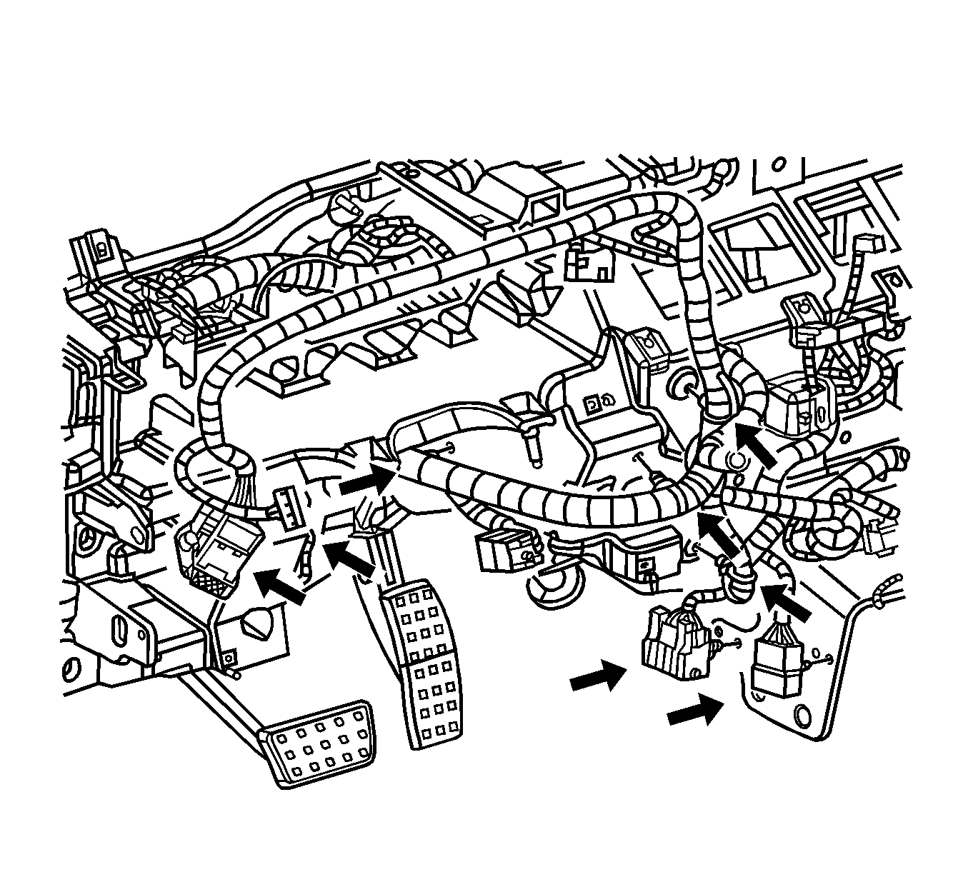
Important: Note the position of the wire harness.
The nuts do not have to be removed.
Tighten
Tighten the nuts securing the instrument panel carrier brackets to the pedal assembly to 25 N·m (18 lb ft)
Notice: Refer to Fastener Notice in the Preface section.
Tighten
Tighten the bolts to 9 N·m (80 lb in).
Tighten
Tighten the bolt to 9 N·m (80 lb in).