GM Service Manual Online
For 1990-2009 cars only

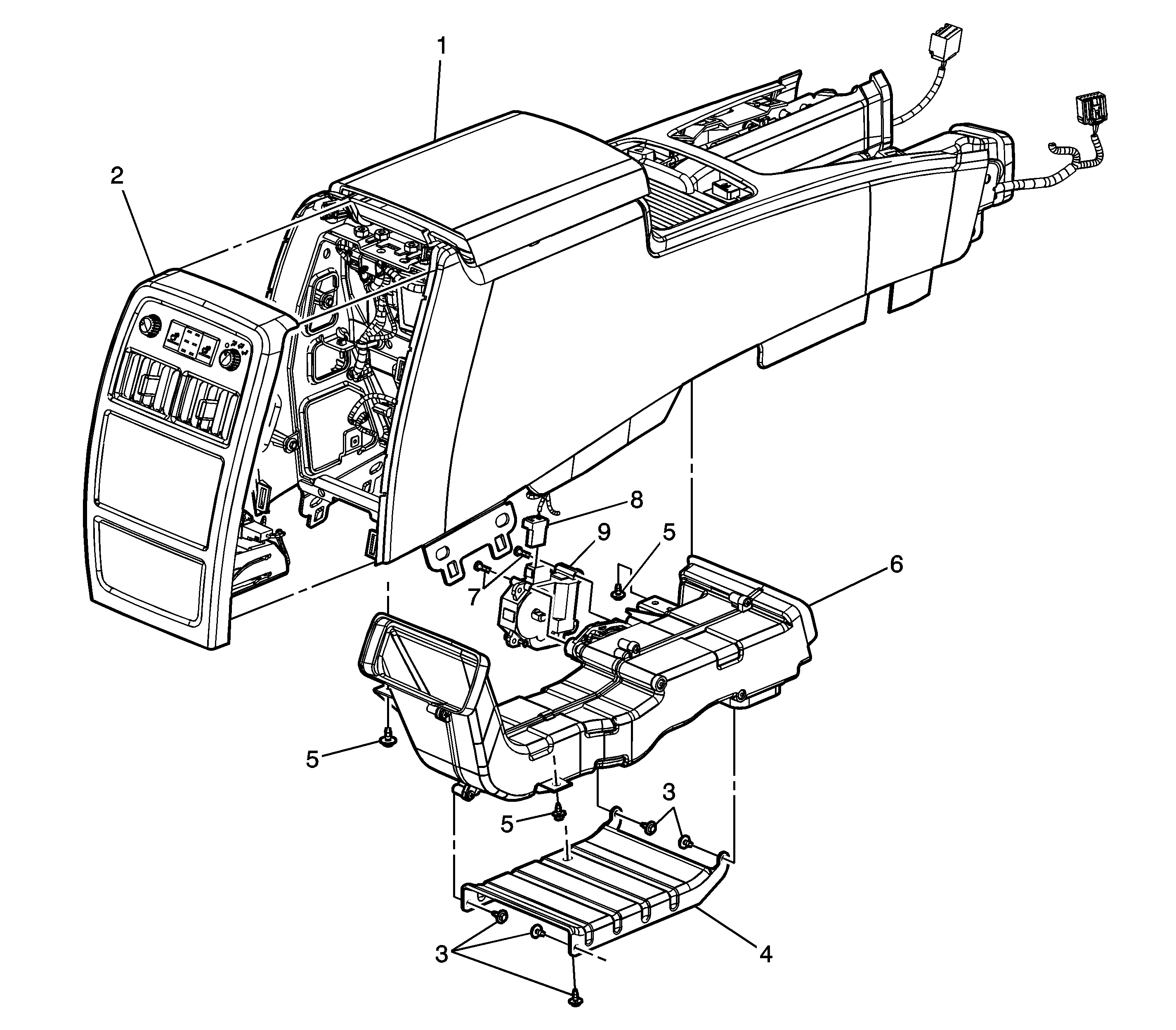
Object Number: 1499705  Size: LF

Callout

Component Name

1

Front Floor Console

Refer to Front Floor Console Replacement .

2

Center Console End Panel

Tip
Using blunt trim tool release the retaining clips. Refer to Center Console End Panel Replacement . Removing the end panel allows the removal of the air distribution duct.

3

Side Impact Brace Screw (Qty: 5)

Notice: Refer to Fastener Notice in the Preface section.

Tighten
2 N·m (18 lb in)

4

Side Impact Brace

5

Air Distribution Duct Screw (Qty: 3)

Tighten
2 N·m (18 lb in)

6

Air Distribution Duct

7

Retainer Actuator Screw (Qty: 2)

Tighten
1 N·m (9 lb in)

8

Mode Actuator Connector

9

Mode Actuator