GM Service Manual Online
For 1990-2009 cars only
Makes
🢒
Cadillac
🢒
2007
🢒
STS
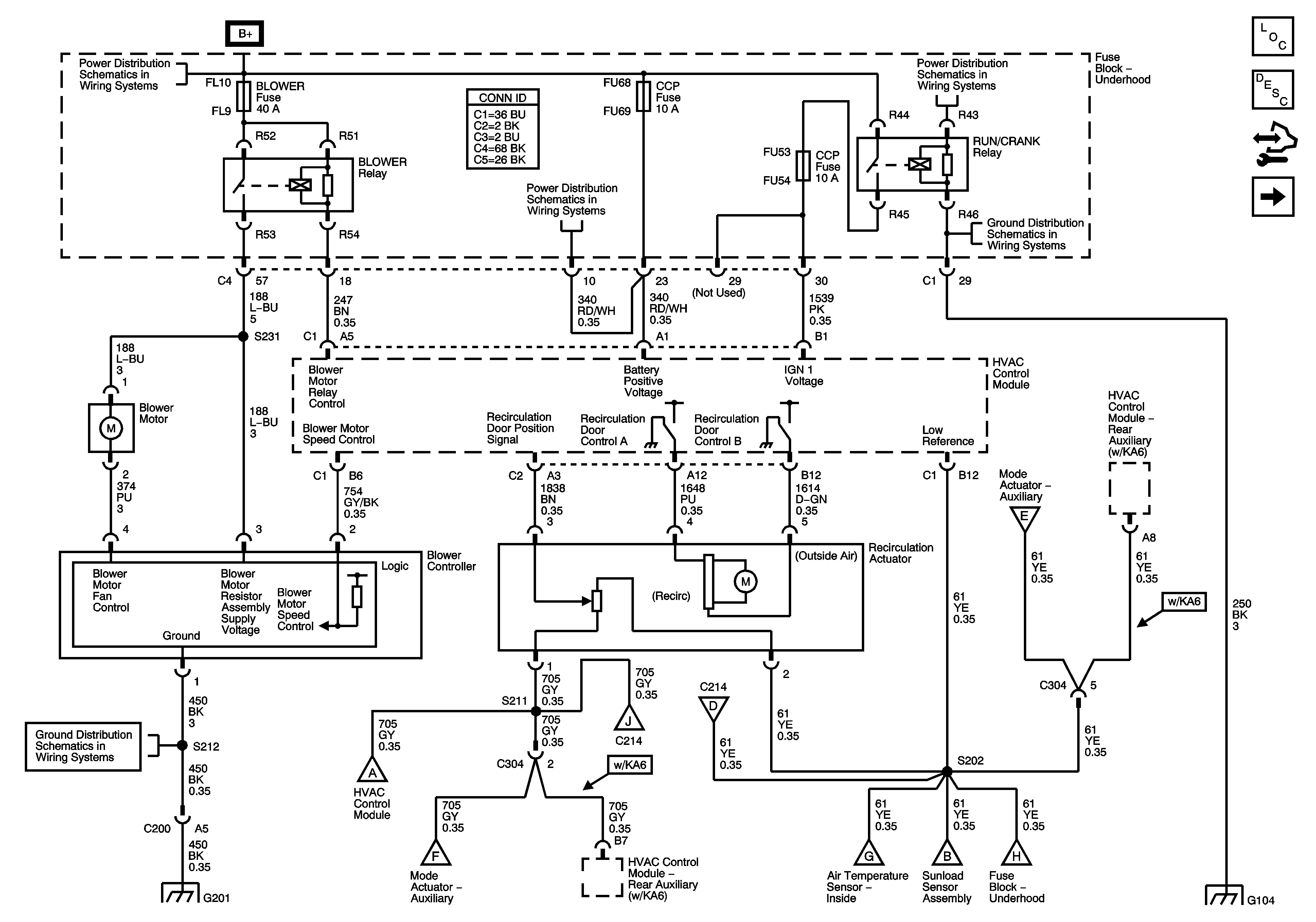
🢒 Power, Ground, Blower Motor, Recirculation Actuator
Power, Ground, Blower Motor, Recirculation Actuator
Power, Ground, Blower Motor, Recirculation Actuator
Master Electrical Component List
Air Delivery Description and Operation
Control Module References
Air Delivery, EVAP Temperature Sensor, Rear Passenger Air Temperature Actuator
Fuse Block - Underhood Fuses/Relays: IPM/ALDL, Auto Headlamp Dimming, CCP, ECM/TCM, WPR MOD, WPR SW/VICS and Rain Sensor/HDLP Wash Fuses, Accessory Relay
Fuse Block - Underhood Fuses/Relays: IPM/ALDL, Auto Headlamp Dimming, CCP, ECM/TCM, WPR MOD, WPR SW/VICS and Rain Sensor/HDLP Wash Fuses, Accessory Relay
Fuse Block Right Rear: LT Turn Signal, RIM(1), Rear Fog Lamp, FT Passenger Door Module, Heated Steering Column, IGN 1, RIM(2) and Airbag Fuses; Rear Fog Lamp and IGN 1 Relays
G104 (1 of 2)
G201 (1 of 2)
G201 (1 of 2)
Air Delivery, EVAP Temperature Sensor, Rear Passenger Air Temperature Actuator
Air Quality Sensor, Rear Mode Motor
Air Delivery, EVAP Temperature Sensor, Rear Passenger Air Temperature Actuator
Air Delivery, EVAP Temperature Sensor, Rear Passenger Air Temperature Actuator
DLC, Temperature Controls, Sunload Sensor
DLC, Temperature Controls, Sunload Sensor
DLC, Temperature Controls, Sunload Sensor
G104 (1 of 2)
Air Quality Sensor, Rear Mode Motor