GM Service Manual Online
For 1990-2009 cars only
Makes
🢒
Cadillac
🢒
2007
🢒
STS
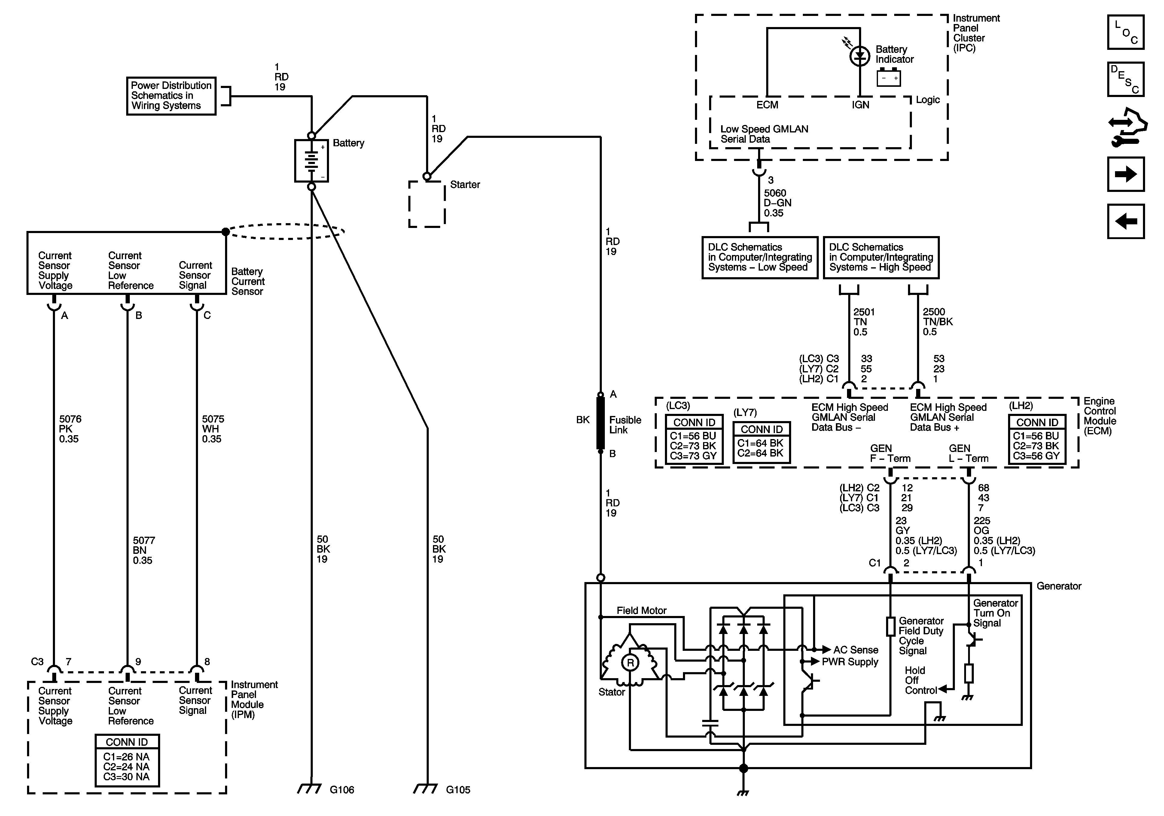
🢒 06 STS Charging System
06 STS Charging System
Charging System
Master Electrical Component List
Starting System Description and Operation
Control Module References
Hood Ajar Switch
Starting System - LY7
Fuse Block Underhood Bussing
G110, G306, G404, G403, G105, G106
G110, G306, G404, G403, G105, G106
GMLAN Low Speed (2 of 2)
GMLAN High Speed - Domestic w/ UE1